In order to give you better service we use
cookies
. By continuing to browse the site you are agreeing to our use of cookies.
Accept
Javascript is disabled!
You will not be able to shop with Javascript disabled in your browser. Please enable Javascript support in your browser and refresh this page before you continue.
Sort
Pos
Item no.
Description
Search in results
Number of hits 23
Pos
Item no.
Description
Extra info
Qty.
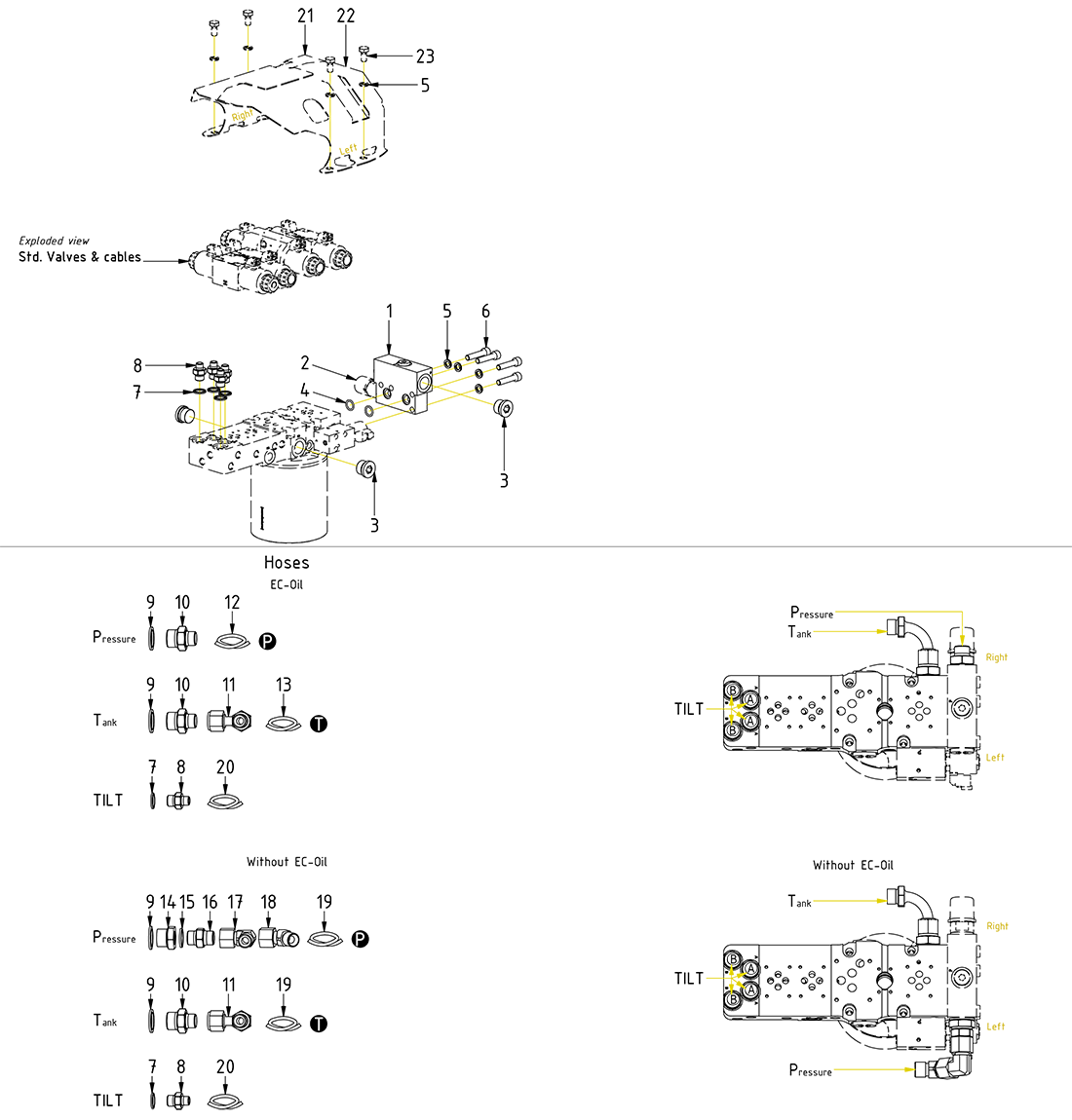
1
1027363
connection block P with pressure reducer ECHF complete
(POS.2-3 incl.) POS.3 on opposite side w/o EC-Oil
1
Choose
2
730326
pressure reduction valve - VRN2-10/S-21 - 150 liter - ec High flow
1
Choose
3
711532
Plug VSTIR34ED
Torque: 120Nm
3
Choose
4
712423
O-ring 15,54 x 2,62 NBR70
2
Choose
5
611041
washer NL 10mm 153105
QTY: 4 part of make up
8
Choose
6
610589
screw MC6S 10x45 12.9
Torque: 79Nm
4
Choose
7
710703
Seal washer GBR06 3/8"
4
Choose
8
710118
adapter 135-04-06
4
Choose
9
710706
Seal washer GBR12 3/4"
2
Choose
10
710109
adapter 135-08-12
QTY: 1 without EC-Oil
2
Choose
11
712209
adapter 488-08-08 90°
1
Choose
12
7001299
hose
1
Choose
13
7001300
hose
1
Choose
14
712219
adapter 234-12-08
1
Choose
15
710704
Seal washer GBR08 1/2"
1
Choose
16
710108
adapter 136-08-08
1
Choose
17
7000021
adapter 407-08-08 90°
1
Choose
18
7000074
adapter 408-08-08 45°
1
Choose
19
742620
hose feed - EC219 - valve block uni överdel
2
Choose
20
743001
hose tilt - EC214 - long
4
Choose
21
1016547
protective cover valve block EC214 - right
Part of make up
1
Choose
22
1016548
protective cover valve block EC214 - left
Part of make up
1
Choose
23
610141
screw M6S 10x20 8.8 FZB
Part of make up
4
Choose
Start
>
engcon för grävmaskiner
>
Tiltrotators
>
EC214
>
Control system
>
DC3 'QSM'
Main menu
Start
Help
Login
Contact
Tiltrotators
EC204
Top part
Standard components
S40
UNI
CW05GP
CW05EC
SW03
Tilt cylinders
EC204 - 1029849
EC-Oil components
Top ECO40 W
Top ECO45/50 W
Top ECO60 W
Top ECO70 W
Top ECO80 W
Service package
Control system
ss10 (DC2/SVAB)
ss9IQ
Rotator frame
Main components
Central lubrication (1032960)
Blocks & Swivels
Valve block 2v & Swivel 4-ch EC204
Quick hitch
S40S
S40S GR05
S40
S40 GR05
CW05GP
CW05GP GR05
CW05EC
CW05EC GR05
HS03ECS
HS03EC
Standard components
Std comp. S40S
Std comp. S40
Std comp. HS03EC/HS03ECS
Std comp. CW05GP
Lock cylinders
S40/HS03EC - 1003530
Integrated grab
GR05
Grab cylinders
GR05 - 301900K/301901K
EC204B
Top part
ePS2 Sensors
Standard components
QS40
UNI
CW05
EC-Oil components
Top ECO40 W
Top ECO45/50 W
Top ECO60 W
Top ECO70 W
Top ECO80 W
Control system
DC2
ss9IQ
ss9SQ
ss0
ss0 - EC204BU
Rotator frame
ePS2 Sensors
Main components
Central lubrication (1079207)
Blocks & Swivels
Connectionbl. & Swivel QSM40
Quick hitch
Break support
QSM40
CW05GP
CW05GP GR05
S40SEMI
Standard components
Std comp. QSM40
Std comp. CW05GP
Std comp. S40SEMI
Lock cylinders
QSM40 - 1063791
EC-Oil komponenter
Hitch ECO40 W
Hitch ECO45/50 W
Hitch ECO60 W
Hitch ECO70 W
Hitch ECO80 W
EC206
Top part
Standard components
QS40
QS45/50
UNI
CW05
SW03
Tilt cylinders
EC206 - 1040873 (from 2017-01)
EC206 - 1023189 (until 2016-12)
EC-Oil components
Top ECO40 W
Top ECO45/50 W
Top ECO60 W
Top ECO70 W
Top ECO80 W
Control system
ss10 (DC2/SVAB)
ss9IQ
ss9SQ
Rotator frame
Main components
Central lube. V2 (1040208) from 201701
Blocks & Swivels
Valve block 5v & Swivel 6-ch EC206
Quick hitch
S40S
S40S GR05
QS45/QS50
QS45/QS50 GR10
S40 EC206
S40 GR05
S45/S50 EC206
S45/S50 GR10
HS03ECS
HS03EC
CW10EC
Standard components
Std comp. S40S
Std comp. QS45/50
Std comp. S40
Std comp. S45/50
Std comp. CW10EC
Std comp. HS03EC/HS03ECS
Lock cylinders
QS45/50 V4 Forged - 1067285
QS45/50 V4 - 1048780
QS45/50 V3 - 1036925
QS45/50 V2 - 1027573
QS45 - 1025383
S45/50 - 1021885 (rotated ear)
S40/HS03EC - 1003530
HYD - 301448
EC-Oil components
Hitch ECO40 W
Hitch ECO45/50 W
Hitch ECO60 W
Hitch ECO70 W
Hitch ECO80 W
Integrated grab
GR05
GR10
Grab cylinders
GR05 - 301900K/301901K
GR10 - 301898K/301470K
EC206B
Top part
ePS2 Sensors
Standard components
QS40
UNI
Tilt cylinders
EC206B - 1066135
EC-Oil components
Top ECO40 W
Top ECO45/50 W
Top ECO60 W
Top ECO70 W
Top ECO80 W
Control system
DC2
ss9IQ
ss9SQ
ss0
Rotator frame
ePS2 Sensors
Main components
Central lubrication (7001722)
Blocks & Swivels
Connectionbl. & Swivel QSM40
Quick hitch
Break support
QSM40
Standard components
Std comp. QSM40
Lock cylinders
QSM40 - 1063791
EC-Oil komponenter
Hitch ECO40 W
Hitch ECO45/50 W
Hitch ECO60 W
Hitch ECO70 W
Hitch ECO80 W
EC209
Top part
Standard components
QS45/50
UNI
HYD/Hydrema
SW33
CW10
Liebherr
Tilt cylinders
EC209 - 1041412
EC209 - 1019630/1023761/1023760 (until 2017-01)
EC-Oil components
Top ECO40 W
Top ECO45/50 W
Top ECO60 W
Top ECO70 W
Top ECO80 W
Service package
Styrsystem
ss10 (DC2/SVAB)
ss9IQ
ss9SQ
ss0
Rotator frame
ePS1 Sensor
Main components
Central lube. V2 (1059026) from 2020-06
Central lube. (1021742) until 2020-06
Blocks & Swivels
Valve bl. & Sw. EC10-30/209/219/226 '6-ch'
Quick hitch
See EC209B for QSM
Break support
QSD45/50
QS45/50
QS45/50 GR10
S45/S50 EC209
S45/50 GR10
Hydrema
Hydrema GR10
CW10EC
CW10EC GR10 V2
SW33EC V2
HS08EC
ECPUP45/50
Standard components
Std comp. QS45/50 / QSD45/50
Std comp. S45/50
Std comp. Hydrema
Std comp. CW10EC
Std comp. HS08EC/HS08ECS
Std comp. SW33EC/SW48EC V2
Std comp. ECPUP45/50
Lock cylinders
QS45/50 V4 Forged - 1067285
QS45/50 V4 - 1048780
QS45/50 V3 - 1036925
QS45/50 V2 - 1027573
QS45 - 1025383
S45/50 - 1021885 (rotated ear)
HYD - 301448 'Hydrema'
SW33 - 401268
EC-Oil components
Hitch ECO40 W
Hitch ECO45/50 W
Hitch ECO60 W
Hitch ECO70 W
Hitch ECO80 W
Integrated grab
GR10
Grab cylinders
GR10 - 301898K/301470K
EC209B
Top part
ePS2 Sensors
Standard components
QS45/50
UNI
HYD
Tilt cylinders
EC209/B - 1041412
EC-Oil components
Top ECO40 W
Top ECO45/50 W
Top ECO60 W
Top ECO70 W
Top ECO80 W
Control system
DC3
ss10 (DC2/SVAB)
ss9IQ
ss9SQ
ss0
Rotator frame
ePS2 Sensors
Main components
Central lubrication (1056598)
Blocks & Swivels
Connectionbl. & Swivel QSM45/50
Quick hitch
Break support
QSM45
QSM50
Standard components
Std comp. QSM45/50
Lock cylinders
QSM45 Forged - 1067280
QSM45 - 1055643
EC-Oil components
Hitch ECO40 W
Hitch ECO45/50 W
Hitch ECO60 W
Hitch ECO70 W
Hitch ECO80 W
EC214
Top part
ePS2 Sensors
Standard components 'QSM'
QS60 'QSM'
UNI 'QSM'
Standard components 'ECHF'
QS60 'ECHF'
QS45/50 'ECHF'
UNI 'ECHF'
Hydrema 'ECHF'
Huddig 'ECHF'
Tilt cylinders
EC214 - 1041414
EC214 - 1024186 (until 2017-05)
EC214W - 1030380
EC-Oil components
Top ECO40 W
Top ECO45/50 W
Top ECO60 W
Top ECO70 W
Top ECO80 W
Service package
Control system
DC3 'QSM'
ss10 (DC2/SVAB) 'QSM'
ss9IQ 'QSM'
ss9SQ 'QSM'
ss10 (DC2/SVAB) 'ECHF'
ss9IQ 'ECHF'
Std. Valves & cables
DC3 'QSM'
ss10 (DC2/SVAB) 'QSM'
ss9 'QSM'
ss10 (DC2/SVAB) 'ECHF'
ss9 'ECHF'
ss10 (DC2/SVAB) '6-ch'
ss9 '6-ch'
ss5 '6-ch'
Rotator frame
ePS2 Sensors
ePS1 Sensor
Main components
Central lubrication (1026699)
Blocks & Swivels
Connectionbl. & Swivel QSM60
Connectionbl. & Swivel QSM CW30/40
Valve block & Swivel ECHF
Quick hitch
Break support
QSM60
QSD45/50
QSD60
QS45/50
QS45/50 GR10
QS45/50 GR20
QS45/50 GR20RR/GR20R2
QS60 EC214
QS60 GR10
QS60 GR20
QS60 GR20RR/GR20R2
CW30(S)EC
CW30(S)EC GR20
Railroad Grab R2
HS10EC
HS10EC GR20
ECPUP60/65
Stdandard components
Std comp. QSM60
Std comp. QS45/50 / QSD45/50
Std comp. QS60 / QSD60
Std comp. CW30/CW40 QSM
Std comp. CW30EC/CW40EC
Std comp. SW33EC/SW48EC V2
Std comp. HS08EC/HS08ECS
Std comp. HS10EC/HS10ECS
Std comp. ECPUP60/65
Lock cylinders
QS45/50 V4 Forged - 1067285
QS45/50 V4 - 1048780
QS45/50 V3 - 1036925
QS45/50 V2 - 1027573
QS45 - 1025383
QS60 V4 - 1045379
QS60 - 1036394 ('Sensor in ejector')
QS60 V2 - 1027595
QS60 - 1023788
EC-Oil components
Hitch ECO40 W
Hitch ECO45/50 W
Hitch ECO60 W
Hitch ECO70 W
Hitch ECO80 W
Integrated grab
GR10 'Piston rod ø32'
GR20 'Piston rod ø40'
GR20R2 'Railroad grab'
Grab cylinders
GR10 - 301898K/301470K 'Piston rod ø32'
GR20 - 301931K/301469K 'Piston rod ø40'
EC219
Top part
ePS2 Sensors
Standard components 'QSM'
QS60 'QSM'
UNI 'QSM'
Menzi muck 'QSM'
Standard components 'ECHF'
QS60 'ECHF'
UNI 'ECHF'
S1 'ECHF'
Hydrema 'ECHF'
SW33 'ECHF'
Menzi muck 'ECHF'
T620V 'ECHF'
QS60, S60, S1HD '6-ch'
Tilt cylinders
EC219 - 1070275 (from 2024-06)
EC219 - 1019892/1023713/1023714/1017501
EC219W - 1023811
EC-Oil components
Top ECO40 W
Top ECO45/50 W
Top ECO60 W
Top ECO70 W
Top ECO80 W
Service package
Control system
DC3 'QSM'
ss10 (DC2/SVAB) 'QSM'
ss9IQ 'QSM'
ss9SQ 'QSM'
ss10 (DC2/SVAB) 'ECHF'
ss9IQ 'ECHF'
ss9SQ 'ECHF'
ss10 (DC2) '6-ch'
ss10 (SVAB) '6-ch'
ss9 '6-ch'
ss5 '6-ch'
Std. Valves & cables
DC3 'QSM'
ss10 (DC2/SVAB) 'QSM'
ss9 'QSM'
ss10 (DC2/SVAB) 'ECHF'
ss9 'ECHF'
ss10 (DC2/SVAB) '6-ch'
ss9 '6-ch'
ss5 '6-ch'
Rotator frame
ePS2 Sensors
ePS1 Sensor
Main components
Central lubrication (1021135) from 201303
Blocks & Swivels
Connectionbl. & Swivel QSM60
Valve block & Swivel ECHF
Valve bl. & Sw. EC10-30/209/219/226 '6-ch'
Quick hitch
Break support
QSM60
QSD60 'ECHF'
QS60 'ECHF'
QS60 GR20 'ECHF'
QS60 GR20RR/GR20R2 'ECHF'
S60 'ECHF'
S60 GR20 'ECHF'
S1 'ECHF'
S1 GR20 'ECHF'
HS10ECS 'ECHF'
HS10EC 'ECHF'
HS10EC GR20 'ECHF'
SW33EC 'ECHF'
SW33EC GR20 'ECHF'
T620V 'ECHF'
ECPUP60/65 'ECHF'
QS60 GR20 '6-ch'
QS60 '6-ch'
S60 '6-ch'
S60 GR20 '6-ch'
S1 '6-ch'
S1 GR20 '6-ch'
Standard components
Std comp. QSM60
Std comp. QS60 / QSD60
Std komp. S60 (until 2018)
Std comp. S1
Std comp. S2
Std comp. Hydrema
Std comp. CW30EC/CW40EC
Std comp. SW33EC/SW48EC V2
Std comp. HS10EC/HS10ECS
Std comp. T620V
Std comp. ECPUP60/65
Lock cylinders
QS60 v4 - 1045379
QS60 - 1036394 ('Sensor in ejector')
QS60 v2 - 1027595
QS60 - 1023788
S60 EC - 400986 (until 2018)
S1 - 400651K '25mm'
HYD - 301448 'Hydrema'
EC-Oil components
Hitch ECO40 W
Hitch ECO45/50 W
Hitch ECO60 W
Hitch ECO70 W
Hitch ECO80 W
Integrated grab
GR20
GR20 HD
GR20R2 'Railroad grab'
Grab cylinders
GR20 - 301931K/301469K
GR20R2 - 1032503
GR20RR Ø70/40 - 1020026
EC226
Top part
ePS2 Sensors
Standard components 'QSM'
QS70 'QSM'
UNI 'QSM'
Standard components 'ECHF'
QS70 'ECHF'
UNI 'ECHF'
S1 'ECHF'
S2 'ECHF'
Arden QA51 'ECHF'
S60/QS70 '6-ch'
QS70, S1, S2, SMP1, service package
Tilt cylinders
EC226 - 1019884/1023715/1023716/1017259
EC226 - 1017719 'For B27/S2/KM2/SW48'
EC226W - 1023811
EC-Oil components
Top ECO40 W
Top ECO45/50 W
Top ECO60 W
Top ECO70 W
Top ECO80 W
Control system
DC3 'QSM'
ss10 (DC2/SVAB) 'QSM'
ss9IQ 'QSM'
ss9SQ 'QSM'
ss10 (DC2/SVAB) 'ECHF'
ss9IQ 'ECHF'
ss9SQ 'ECHF'
ss10 DC2 '6-ch'
ss10 SVAB '6-ch'
ss9 '6-ch'
ss5 '6-ch'
Std. Valves & cables
DC3 'QSM'
ss10 (DC2/SVAB) 'QSM'
ss9 'QSM'
ss10 (DC2/SVAB) 'ECHF'
ss9 'ECHF'
ss10 (DC2/SVAB) '6-ch'
ss9 '6-ch'
ss5 '6-ch'
Rotator frame
ePS2 Sensors
ePS1 Sensor
Main components
Central lube. V3 (1021136) from 201303
Blocks & Swivels
Connectionbl. & Swivel QSM70
Valve block & Swivel ECHF
Valve bl. & Sw. EC10-30/209/219/226 '6-ch'
Quick hitch
Break support
QSM70
QS70 'ECHF'
QS70 GR20 'ECHF'
S70 'ECHF'
S70 GR20 'ECHF'
S1 ECHF
S1 GR20 'ECHF'
S2 'ECHF'
S2 GR20 'ECHF'
CW30(S)EC 'ECHF'
CW30(S)EC GR20 'ECHF'
ECPUP60/65 'ECHF'
S70 '6-ch'
S70 GR20 '6-ch'
S1 '6-ch'
S1 GR20 '6-ch'
Stdandard components
Std comp. QSM70
Std comp. QS70
Std comp. S70
Std comp. S1
Std comp. S2, NTP30
Std comp. CW30EC/CW40EC
Std comp. SW33EC/SW48EC V2
Std comp. ECPUP60/65
Lock cylinders
QS70 V4 Forged - 1058122
QS70 V4 - 1049245
QS70 V2 - 1028940
QS70 - 1035613 'diam. 50mm'
QS70 - 1025624
S70 - 1014515 'spring'
S1/S2/S3/NTP30 - 400651K '25mm'
EC-Oil components
Hitch ECO40 W
Hitch ECO45/50 W
Hitch ECO60 W
Hitch ECO70 W
Hitch ECO80 W
Integrated grab
GR20
GR30
Grab cylinders
GR20/GR30 - 301931K/301469K
EC233
Top part
ePS2 Sensors
Standard components 'QSM'
QS80 'QSM'
QS70 'QSM'
Standard components 'ECHF'
QS70 'ECHF'
QS80 'ECHF'
UNI 'ECHF'
S1 'ECHF'
S2 'ECHF'
B27 'ECHF'
NTP30 'ECHF'
S1, S3, CW40 'ECHF'
Tilt cylinders
EC233 - 1039112
EC-Oil components
Top ECO40 W
Top ECO45/50 W
Top ECO60 W
Top ECO70 W
Top ECO80 W
Control system
DC3 'QSM'
ss10 (DC2/SVAB) 'QSM'
ss9IQ 'QSM'
ss10 (DC2/SVAB) 'ECHF'
ss9IQ 'ECHF'
ss9SQ 'ECHF'
Std. Valves & cables
DC3 'QSM'
ss10 (DC2/SVAB) 'QSM'
ss9 'QSM'
ss10 (DC2/SVAB) 'ECHF'
ss9 'ECHF'
ss10 (DC2/SVAB) '6-ch'
ss9 '6-ch'
ss5 '6-ch'
Rotator frame
ePS2 Sensors
ePS1 Sensor
Main components
Central lubrication (1040866)
Blocks & Swivels
Connectionbl. & Swiv. QSM QS80/CW40
Connectionbl. & Swivel QSM70
Valve block & Swivel ECHF
Quick hitch
Break support
QSM70
QSM QS80
QSM QS80 GR30
QSM CW40
QSM CW40 GR20
QS70
QS70 GR20
QS80
QS80 GR30
S1
S1 GR20
S2
S2 GR20
CW40(S)EC
NTP30
NTP30 GR20
Stdandard components
Std comp. QSM QS80
Std comp. QSM70
Std comp. QS70
Std comp. QS80
Std comp. S1
Std comp. S2, NTP30
Lock cylinders
QS70 V4 Forged - 1058122
QS70 V4 - 1049245
QS70 V2 - 1028940
QS70 80/50 - 1035613
QS70 - 1025624
QS80 V2 - 1048783
QS80 - 1035494
S1/S3 - 400651K
S2/NTP30 - 402503K
EC-Oil components
Hitch ECO40 W
Hitch ECO45/50 W
Hitch ECO60 W
Hitch ECO70 W
Hitch ECO80 W
Integrated grab
GR20
GR30
Grab cylinders
GR20/GR30 - 301931K/301469K
EC02
B-series
Top part
Standard components
S30/180
CW05GP
Tilt cylinders
EC02B - 1053601
Control system
DC2
ss9IQ
ss0 - EC02BU
Rotator frame
Main components
Blocks & Swivels
Connectionbl. & Swivel EC02B
Quick hitch
S30S/180
CW05GP
S30SEMI
Standard components
Std comp. S30S
Std comp. CW05GP
Std comp. S30SEMI
Previous series
Top part
Standard components
S30/150, S30/180
S40
Tilt cylinder
EC02 - 303440/303561
Control system
ss10 (DC2/SVAB)
ss5
ss3
Rotator frame
from 2008-05-13
until 2008-05-12
Blocks & Swivels
Valve block & Swivel EC02
Quick hitch
S30/150
S30/180
S40
S40 Mechanical
Standard components
Std comp. S40
Std comp. S40M
Std comp. S40SEMI
Lock cylinders
S30 - 303489
S40 - 1003530
EC05
B-series
Top part
Top part
Components
Tilt cylinder
EC05B - 1001840/1008573
Control system
ss10 (DC2/SVAB)
ss9IQ
ss5
Rotator frame
Main components
Blocks & Swivels
Valve block & Swivel EC05B
Quick hitch
S40
S40 GR05
Standard components
Std comp. S40
Std comp. S45/S50
Std comp. CW10EC
Lock cylinders
S40 - 1003530
S45/50 - 400848
Integrated grab
GR05
GR10
Grab cylinders
GR05 - 301900K/301901K
GR10 - 301898K/301470K
Previous series
Top part
Top part
Tilt cylinder
EC05 - 400552
Electric/hydraulic
Electrical system
Hydraulic system
Rotator frame
Main comp. 'Until 2008-10-30'
Main comp. 'Until 2008-12-31 (Reversed)'
Valve blocks & Swivels
Valve bl. 0v & Swiv. 4-ch 'with holder' EC05A
Valve bl. 2v & Swivel 4-ch EC05
Quick hitch
S40
S45/S50
HYD 'Hydrema'
SMP3
Standard components
Lock cylinders
S40 - 300783
S45/50 - 400848
HYD 'Hydrema' - 301448
SMP3 - 202735
Integrated grab
GR05
GR10
Grab cylinders
GR05 - 301900K/301901K
GR10 - 301898K/301470K
EC10
B-series
Top part
Top part
Components
Tilt cylinder
EC10B - 1011837/1011835
Control system
ss10 DC2
ss10 SVAB
ss5 Menzi Muck
Std. Valves & cables
ss10 (DC2/SVAB)
ss9
ss5
Rotator frame
Main components
Main components 'Reversed'
Blocks & Swivels
Valve bl. & Sw. EC10-30/209/219/226 '6-ch'
Quick hitch
S45
PUP50A
Standard components
Std comp. S45/50
Std comp. SW33EC V2
Std comp. CW10EC
Lock cylinders
S45/50 - 400848
Integrated grab
GR10
Grab cylinders
GR10 - 301898K/301470K
Previous series
Top part
Top part
Tilt cylinder
EC10 Marine - (404998)
EC10 - 1008113/1000311 'cast yoke'
EC10 - 400553
Electric/hydraulic
Electrical system
Hydraulic system
Rotator frame
Main components
Main components 'Reversed'
Rädlinger Main comp.
Blocks & Swivels
Valve bl. & Sw. EC10-30/209/219/226 '6-ch'
Valve bl. 4v & Swivel 4-ch EC10/20/30
Quick hitch
S45/50 EC10
S50 EC10
Lehnhoff EC10
SMP3 EC10
SMP8 EC10
HYD EC10 'Hydrema'
SW33 EC10
GJ300 EC10
GJ300 Mk2 EC10
Lock cylinders
S45/50 - 400848
SMP3, Lännen - 202735
HYD 'Hydrema' - 301448
Integrated grab
GR10
Grab cylinders
GR10 - 301898K/301470K
EC15
B-series
Top part
Top part
Components, ss5 & ss10 (DC2/SVAB)
Components, ss9
Components, ss5 tiltcyl EC20
Tilt cylinder
EC15B - 1011838/1013499/1011836
Control system
ss10 DC2
ss10 SVAB
ss5
ss5 Menzi Muck
Std. Valves & cables
cs10 DC2/SVAB
cs9
cs5
Rotator frame
Main components
Main components 'Reversed'
Blocks & Swivels
Valve bl. & Sw. EC10-30/209/219/226 '6-ch'
Quick hitch
S45/50
S60
S1
CW30S GR20
Stdandard components
Std comp. S60 (until 2018)
Std comp. CW30EC/CW40EC
Std comp. S45/S50
Lock cylinders
S45/50 - 400848
S60 (EC G1) - 400849
S1, KM1, SMP1&2 - 400551K (Replaced by 400651K)
S1&2, KM1&2, SMP1, B18 - 400651K
Integrated grab
GR10
GR20
GR20 RR 'Railroad grab'
Grab cylinders
GR10 - 301898K/301470K
GR20 - 301931K/301469K
GR20RR Ø70/32 - 1016958 'Railroad grab'
GR20RR Ø70/40 - 1020026
Previous series
Top part
Tilt upper part EC15
Tilt cylinder
EC15 - 1008114/1000312 'cast yoke'
EC15 - 400697
Electric/hydraulic
Electrical system
Hydraulic system
Rotator frame
Main components 'From 2009-01'
Main components 'Until 2008-12'
Main components 'Reversed, until 2008-12'
Rädlinger Main comp.
Valve blocks & Swivels
Valve bl. & Sw. EC10-30/209/219/226 '6-ch'
Valve bl. 4v & Swivel 6-ch EC15
Quick hitch
S45/50 EC15
S60 EC15
B18 EC15
S1 EC15A
Lehnhoff EC15
GJ500 EC15
SMP2 EC15
SMP2 EC15 Euro
KM1 EC15
SW33 EC15
SW48 EC15
CW30 EC15
Locking cylinder
S45/50 - 400848
S60 (EC G1) - 400849
S70, S80, SMP2, SMP105, KM09 - 1011422 (Replaced by 1014515)
S70, S80, SMP2, SMP105 spring - 1014515
S1, B18, KM1, SMP1&2 - 400551K (Replaced by 400651K)
S1, KM1&2, SMP1, B18 - 400651K
SW33 - 401268
Integrated grab
GR10
GR20
Grab cylinders
GR10 - 301898K/301470K
GR20 - 301931K/301469K
EC20
B-series
Top part
Top part
Components
Tilt cylinder
EC20B - 1014264/303385/1006888/1006617
Control system
ss10 DC2
ss10 SVAB
Std. Valves & cables
cs10 DC2/SVAB
cs9
cs5
Rotator frame
Main components
Main components 'Reversed'
Blocks & Swivels
Valve bl. & Sw. EC10-30/209/219/226 '6-ch'
Quick hitch
S60 GR20
S70
S1
CW30
PUP80
Stdandard components
Std comp. S60 (until 2016)
Std comp. S70
Std comp. CW30EC/CW40EC
Lock cylinders
S60 (EC G1) - 400849
S70, S80, KM09 - 401168K (Replaced by 1011422)
S70, S80, SMP2, SMP105, KM09 - 1011422 (Replaced by 1014515)
S70, S80, SMP2, SMP105 spring - 1014515
S1, B18, KM1, SMP1&2 - 400551K (Replaced by 400651K)
S1&2, NTP30, KM1&2, SMP1, B18 - 400651K
HYD 'Hydrema' - 301448
Integrated grab
GR20
Grab cylinders
GR20 - 301931K/301469K
Previous series
Top part
Top part
Tilt cylinder
EC20B - 1014264/303385/1006888/1006617 'cast yoke'
EC20 - 400554/401733 (2000-2008)
Electric/hydraulic
Electrical system
Hydraulic system
Hydraulic system 'From 2000-01-01 until 2005-01-01'
Rotator frame
Main components 'From 2009-01'
Main components 'From 2000-01 until 2008-12'
Main components 'Reversed, from 2009-01'
Rädlinger Main comp.
Blocks & Swivels
Valve bl. & Sw. EC10-30/209/219/226 '6-ch'
Valve bl. 4v & Swivel 4-ch EC10/20/30
Quick hitch
S60 EC20
S70 EC20
S70/KM09 EC20
S1 EC20
S2 EC20
GJ500 EC20
CW30 EC20
CW30 Std comp.
B18 EC20
SMP1 EC20
SMP2 EC20
SMP2 EC20 Euro
KM1 EC20
KM2 EC20
SMP25 EC20
SW33 EC20
SW48 EC20
Lock cylinders
S60 (EC G1) - 400849
S70, S80, KM09 - 401168K (Replaced by 1011422)
S70, S80, SMP2, SMP105, KM09 - 1011422 (Replaced by 1014515)
S70, S80, SMP2, SMP105 spring - 1014515
S1, B18, KM1, SMP1&2 - 400551K (Replaced by 400651K)
S1&2, NTP30, KM1&2, SMP1, B18 - 400651K
SW33 - 401268
Integrated grab
GR20
Grab cylinder
GR20 - 301931K/301469K
EC30
Top part
Standard komponenter 'ECHF'
QS80 'ECHF'
QS70, S2, 27, SMP1/105, servicepaket
Tilt cylinder
EC30 - 1014265/301630 '90/45' (from 2003-10)
EC30 - 300735 '100/50' (until 2003-10)
Control system
ss10 (DC2/SVAB) 'ECHF'
ss10 DC2 '6-ch'
ss5 '6-ch'
Valves & cables ss10 'ECHF'
Valves & cables ss10 '6-ch'
Valves & cables ss9 '6-ch'
Valves & cables ss5 '6-ch'
Rotator frame
ePS1 Sensor
Main components
Rädlinger Main comp.
Blocks & Swivels
Valve block & Swivel ECHF
Valve bl. & Sw. EC10-30/209/219/226 '6-ch'
Valve bl. 4v & Swivel 4-ch EC10/20/30
Quick hitch
QS80 EC30 'ECHF'
QS80 GR30 EC30 'ECHF'
S1 EC30 'ECHF'
S1 GR20 EC30 'ECHF'
S70 EC20/EC30
S80 EC30
S1 EC30
S2 EC30
S3 EC30
SMP1 EC30
SMP105 EC30
KM1 EC30
KM2 EC30
GJ500 EC30
Standard components
QS70 Std comp.
QS80 Std comp.
S70 Std comp.
S80 Std comp.
S1 Std comp.
S2, NTP30 Std comp.
CW30EC/CW40EC Std comp.
Lock cylinders
QS80 V2 - 1048783
QS80 - 1035494
QS70 V4 Forged - 1058122
QS70 V4 - 1049245
QS70 80/50 - 1035613
QS70 - 1025624
S70, S80, KM09 - 401168K (Replaced by 1011422)
S70, S80, SMP2, SMP105, KM09 - 1011422 (Replaced by 1014515)
S70, S80, SMP2, SMP105 spring - 1014515
S1, B18, KM1, SMP1&2 - 400551K (Replaced by 400651K)
S1&3, KM2, SMP1, B18 - 400651K
S2, NTP30, KM1 - 402503K
Integrated grab
GR20
GR30
Grab cylinders
GR20/GR30 - 301931K/301469K
Cylinders
Tilt cylinders
EC204 - 1029849
EC206B - 1066135
EC206 - 1040873
EC206 - 1023189 (until 2016-12)
EC209 - 1041412
EC209 - 1019630/1023761/1023760 (until 2017-01)
EC214 - 1041414
EC214 - 1024186 (until 2017-05)
EC214W - 1030380
EC219 - 1070275
EC219 - 1019892/1023713/1023714/1017501
EC226 - 1019884/1023715/1023716/1017259
EC226 - 1017719 (CC125/SL387)
EC219W/EC226W - 1023811
EC233 - 1039112
EC02B - 1053601
EC02 - 303440/303561
EC05B - 1001840/1008573
EC05 - 400552
EC10B - 1011837/1011835
EC10 Marine - 404998
EC10 - 1008113/1000311 'cast yoke'
EC10 - 400553 (2000 - 2008)
EC15B - 1011838/1013499/1011836
EC15 - 1008114/1000312 'cast yoke'
EC15 - 400697
EC20 for EC15 MenziMuck - 1005835
EC20B - 1014264/303385/1006888/1006617
EC20 - 400554/401733 (2000-2008)
EC30 - 1014265/301630
EC30 - 300735 '100/50' (until 2003-10)
Lock cylinders
QSM45 Forged - 1067280
QSM45 - 1055643
QSM40 - 1063791
S40S/QS40 - 1056690
QS45/50 V4 Forged - 1067285
QS45/50 V4 - 1048780
QS45/50 V3 - 1036925
QS45/50 V2 - 1027573
QS45 - 1025383
QS60 V4 - 1045379
QS60 for sensor - 1036394
QS60 V2 - 1027595
QS60 - 1023788
QS70 V4 Forged - 1058122
QS70 V4 - 1049245
QS70 V2 - 1028940
QS70 80/50 - 1035613
QS70 - 1025624
QS80 V2 - 1048783
QS80 - 1035494
S30 - 303489
S40 - 1003530
S45/50 - 1021885 (rotated ear)
S45/50 - 400848
S60 (EC G1) - 400849
S60 (EC G2 & RF) - 400986 (until 2018)
S70, S80, SMP2, SMP105 spring - 1014515
S70,S80,SMP2,SMP105,KM09 - 1011422 (Replaced by 1014515)
S70, S80, KM09 - 401168K (Replaced by 1011422)
S1&2&3, NTP30, KM1&2, SMP1, B18 - 400651K
S1, B18, KM1, SMP1&2 - 400551K (Replaced by 400651K)
S2,NTP30 (EC30/233/RFS2), KM1 (EC30), KM2 (EC20) - 402503K
Hydrema - 301448
Lännen, SMP3 - 202735
GJ300 - 202747
GJ500 (LE EC10) - 200500K
CW30EC - ss5, ss9IQ, ss10 - 1007727
SW33 - 401268
ECO45 <2014 - 1007455
ECPUP - 1011225
PUP60 - 100690K
PUP65A-PUP80B - 100764K
PUP80AHD-PUP80BHD - 100722K
RFS40, TFS40, S40 EC05A - 300783
RFS60 - 400986
Grab cylinders
GRD40 - 1063632
GRD45/50B - 1076320
GRD45/50 (GRD10) - 1036480/1036481
GRD60 (GRD20)/GRD70 - 1048549
GRD60 (GRD20) - 1035017/1035018 (until 2019-05)
GR05 - 301900K/301901K
GR10 - 301898K/301470K
GR20 - 301931K/301469K
GR20R2 - 1032503
GR20RR Ø70/40 - 1020026
Blocks & Swivels
Connectionbl. & Swivel QSM40
Connectionbl. & Swivel QSM45/50
Connectionbl. & Swivel QSM60
Connectionbl. & Swivel QSM70
Connectionbl. & Svivel QSM QS80/CW30/40
Valve block & Swivel ECHF
Valve block & Swivel EC204
Valve block & Swivel EC206
Valve block & Sw. EC10-30/209/219/226 '6-ch'
Valve block & Swivel EC02
Valve block & Swivel EC05B
Valve block & Swivel 'with holder' EC05A
Valve block & Swivel EC05
Valve block & Swivel EC10/20/30
Valve block & Swivel EC15
Integrated grabs
GR05 'Integrated Grab'
GR10 'Integrated Grab'
GR20 'Integrated Grab'
GR20HD 'Integrated Grab w. expander'
GR20R2 'Railroad Grab'
GR20RR 'Railroad Grab'
GR30 'Integrated Grab'
Machine hitch
S Hitches
S30S
S40 (from 2025)
S45 (from 2024)
S60 (from 2023)
S70 (from 2024)
QS Hitches
QS40
QS45/QS50
QS60
QS70
QS80
RF S Hitches
RF S30 Mekanisk
RF S40 (until 2024)
RF S40M
RF S45/50 (until 2018)
RF S50 Mekanisk
RF S60 (until 2018)
RF S60 Mekanisk
RF S70 (until 2018)
RF S80
RF S1
RF S2
RF S3
RF Hydrema
Standard components
Std comp. S40 (from 2025)
Std comp. S45 (from 2024)
Std komp. S60 (from 2023)
Std komp. S70 (from 2024)
Std comp. QS40
Std comp. QS45/QS50
Std comp. QS60
Std comp. QS70
Std comp. QS80
Std. comp S30S
Std comp. S30SEMI
Std comp. S40 (until 2024)
Std comp. S40M
Std comp. S40SEMI
Std comp. S45/S50 (until 2018)
Std comp. S60 (until 2018)
Std comp. S70 (until 2018)
Std comp. S80
Std comp. S1
Std comp. S2, NTP30
Std comp. Hydrema
Tilt mounting
TFS40B
TFS45/50
TFS60
TFS70 & K09
TFS80
TFS1
TFS1 HD
TFS2
Standard components
Std comp. S40 (from 2025)
Std comp. S45 (from 2024)
Std komp. S60 (from 2023)
Std komp. S70 (from 2024)
Std comp. QS40
Std comp. QS45/QS50
Std comp. QS60
Std comp. QS70
Std comp. QS80
Std. comp S30S
Std comp. S30SEMI
Std comp. S40 (until 2024)
Std comp. S40M
Std comp. S40SEMI
Std comp. S45/S50 (until 2018)
Std comp. S60 (until 2018)
Std comp. S70 (until 2018)
Std comp. S80
Std comp. S1
Std comp. S2, NTP30
Std comp. Hydrema
Tools
Grab detachable GRD
GRD40
GRD45/50B
GRD60B
GRD70B
GRD45/50 (GRD10) - used until 2025-06
GRD60 (GRD20) - used until 2023-02
GRD70 - used until 2024-02
Cylinders
GRD40 Cyl. 1063632
GRD45/50B 1076320
GRD45/50 (GRD10) Cyl. 1036480/1036481
GRD60 (GRD20)/GRD70 Cyl. 1048549
GRD60 (GRD20) (1035017/1035018) until 2019-05
Sweeper detachable SWD
SWD40
SWD45
SWD60
Sweeper roller SR
Sweeper roller 800/1300/1600/1800/2000
EC-Oil components
Top ECO40 W
Top ECO45/50 W
Top ECO60 W
Top ECO70 W
Top ECO80 W
Top brackets QS
Vibrating compactors
PC3200/PP3200
Components PC3200
Components PP3200
Vibration unit PP
PC6000
Components
Vibration unit
PC9500
Components
Vibration unit
PP350
Components
Vibration unit
PP600
Components
Vibration unit
PP950
Components
Vibration unit
EC-Oil components
Top ECO40 W
Top ECO45/50 W
Top ECO60 W
Top ECO70 W
Top ECO80 W
Top brackets QS
Handling & sorting grabs
SG03
SG06
SG09
SG12
SG19
SG26
SG33
SK02
SK05
-- > 2014-02-28 - sleeve
2014-03-01 -- > without sleeve
Expander
SK10
-- > 2014-02-28 - sleeve
2014-03-01 -- > without sleeve
Expander
SK15
-- > 2014-02-28 - sleeve
2014-03-01 -- > without sleeve
Expander
SK20
-- > 2014-02-28 - sleeve
2014-03-01 -- > without sleeve
Expander
SK30
-- > 2014-02-28 - sleeve
2014-03-01 -- > without sleeve
Expander
Cylinders
SG03/SK02 Cylinder 1047677
SK05 Cylinder 201020K
SK10/15 Cylinder 1028607 (replaces 201005K)
SK20 Cylinder 1012704
SK20 Cylinder 1001242
SK30 Cylinder 1007312
EC-Oil components
Top ECO40 W
Top ECO45/50 W
Top ECO60 W
Top ECO70 W
Top ECO80 W
Top brackets QS
Timber grabs
TG25HD V2
TG25HD
TG28HD
TG42HD V2
TG42HD
TG55HD
Cylinders
Cylinder TG25HD V2
Cylinder TG25HD
Cylinder TG28HD
Cylinder TG42HD
Cylinder TG55HD
EC-Oil components
Top ECO40 W
Top ECO45/50 W
Top ECO60 W
Top ECO70 W
Top ECO80 W
Top brackets QS
Pallet fork
GHH1200 V2 (Hydraulic)
GHH1200/1500 (Hydraulic)
GHH1000L (Hydraulisk)
GH1200 V2 (Mechanic)
GH1200/1500 (Mechanic)
GH1000 (Mechanic)
GH1000L (Mechanic)
EC-Oil components
Top ECO40 W
Top ECO45/50 W
Top ECO60 W
Top ECO70 W
Top ECO80 W
Cylinders
Cylinder (1031181)
Cylinder (1050862)
Buckets
CAT - Teeth & locking
CAT - Blade teeth & locking
ESCO - Teeth & locking
Ripper
CAT - Teeth & locking
ESCO - Teeth & Locking
Tarmac cutter
S30/150, S30/180, S40 (TC02/TC05)
S45, S50, S60, S70, S80, S1 (TC10/TC15/TC20)
Grading beam
GRB 1250/1500L V2
GRB 1500/2000/2500/3000 V2
GRB 1250/1500L (V1)
GRB 1500/2000/2500/3000 (V1)
Electrical kits
ePS1
ePS Parts 'EC209PS'
ePS kit
ePS spare parts
ePS Parts 'EC214PS'
ePS kit
ePS spare parts
ePS Parts 'EC219PS'
ePS kit
ePS spare parts
ePS Parts 'EC226PS'
ePS kit
ePS spare parts
ePS Parts 'EC233PS'
ePS kit
ePS spare parts
Grips
MIG2
Danfoss L8
Other
Machine el.
DC2 Single feeder (841301)
SS9IQ-2 4-hose with integrated lock (8000038)
Q-safe QLM
Q-safe QLM (841373/841376/8000270)
QSC
QSC kit
QSC upgrade for older EC
QSC spare parts
Ads