Har du frågor eller behöver hjälp? Ring 0670-65 04 00 eller maila reservdelar@engcon.se
Kundvagnen är tom
0,00 SEK
Moms
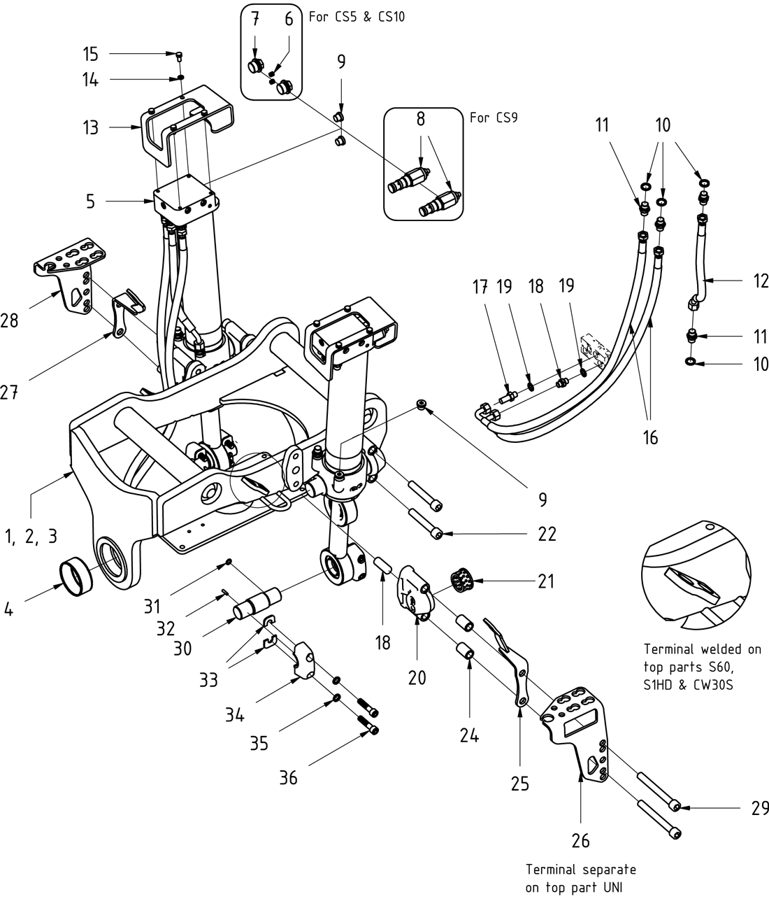
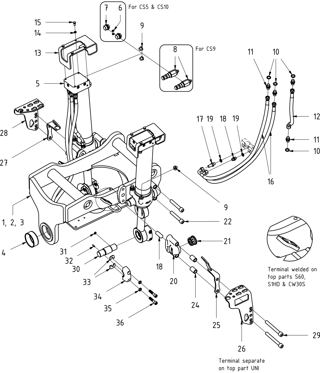
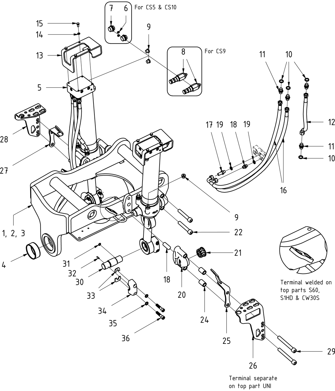
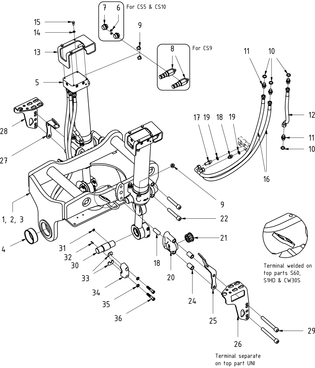
Överdel
Priser exkl moms