Skip to content
Denmark
:
Danish
|
English
Start
Instruktionsbog
Serienummer søgning
Kontakt os
til engcon.dk
Søg
Åbn indkøbskurv
Luk
Din indkøbskurv
Din kurv er tom
Fortsæt med at handle
Priodukter i indkøbskurven
0,00 DKK
Moms
0,00 DKK
Total
0,00 DKK
Til kassen
Start
Instruktionsbog
Serienummer søgning
Kontakt os
til engcon.dk
Start
Spare parts
Tiltrotators
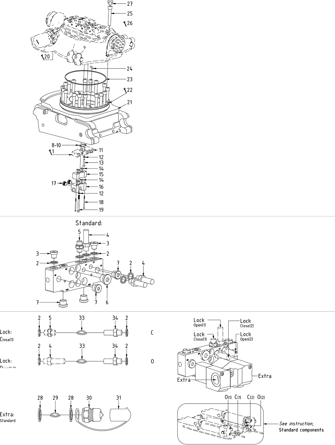
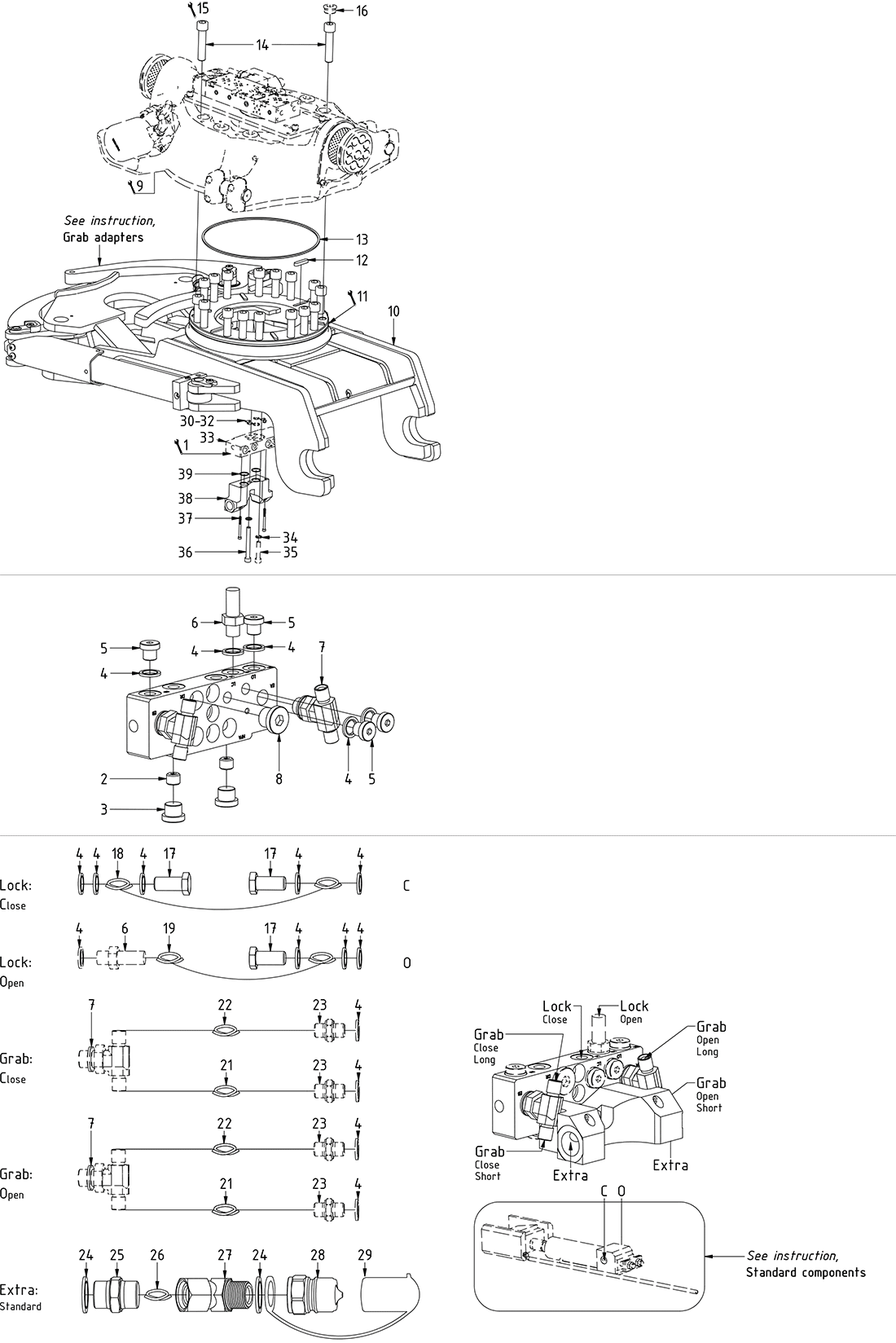
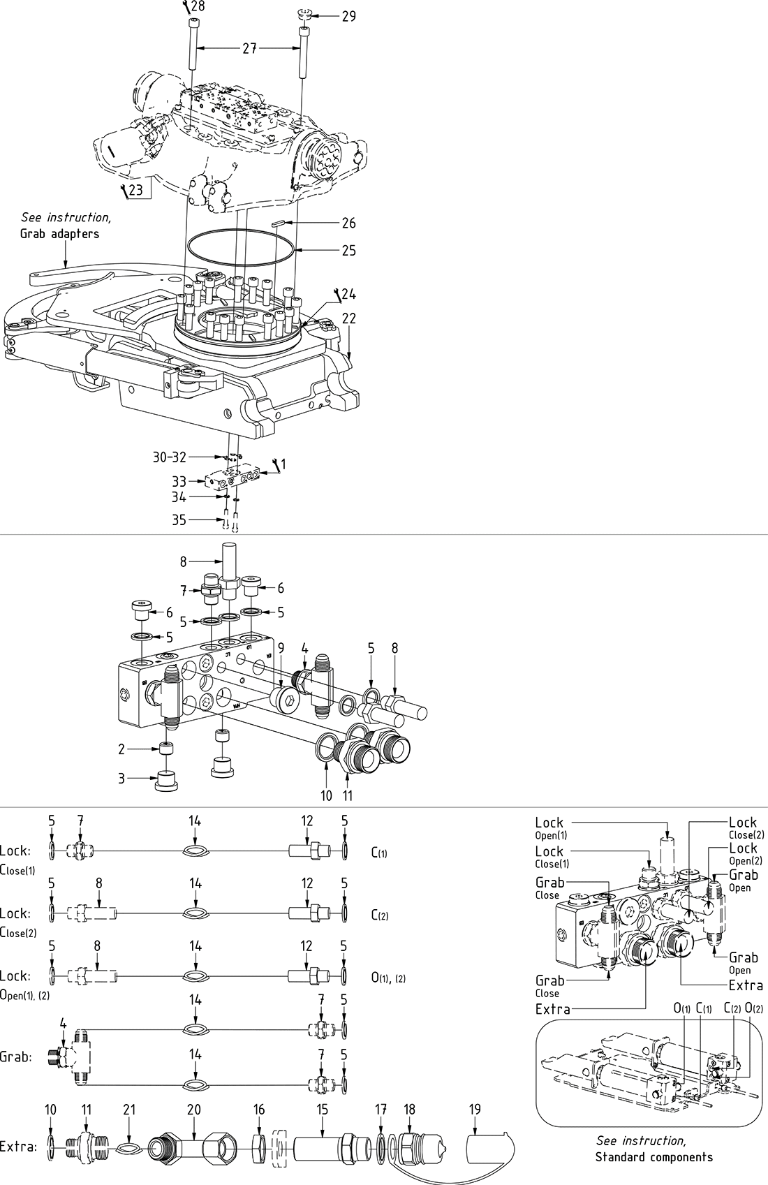
EC226
Quick hitch
EC226
Quick hitch
Quick hitch
+
Machine hitch
−
Tiltrotators
+
Tools
+
Tilt hitches
+
Electrical kits
Break support
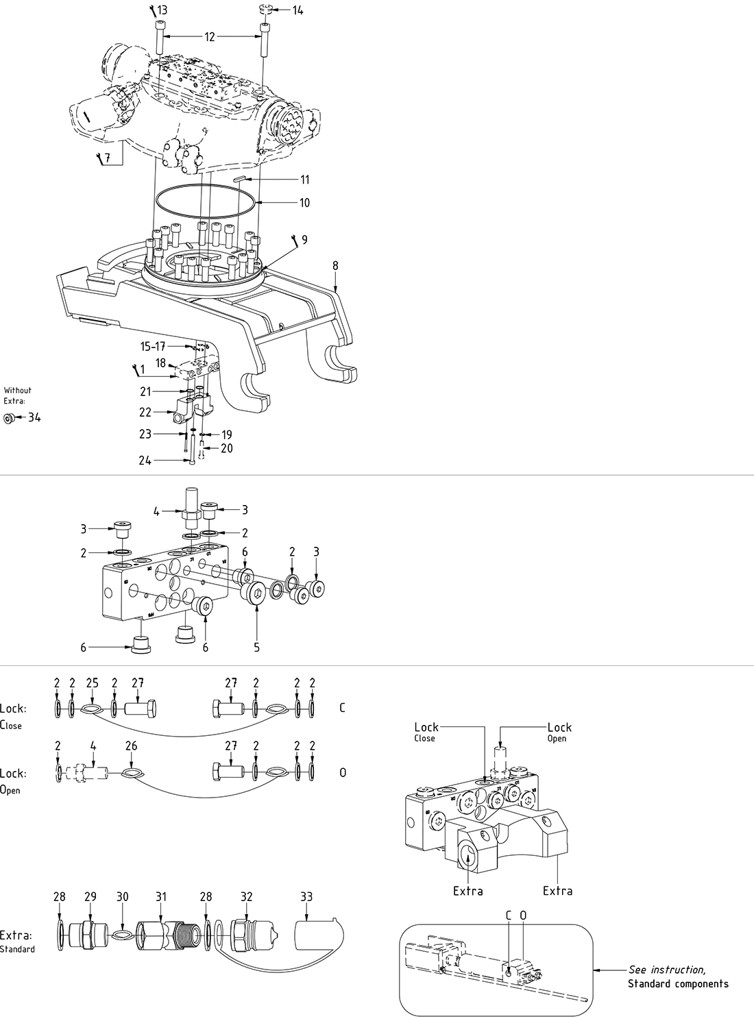
QSM70
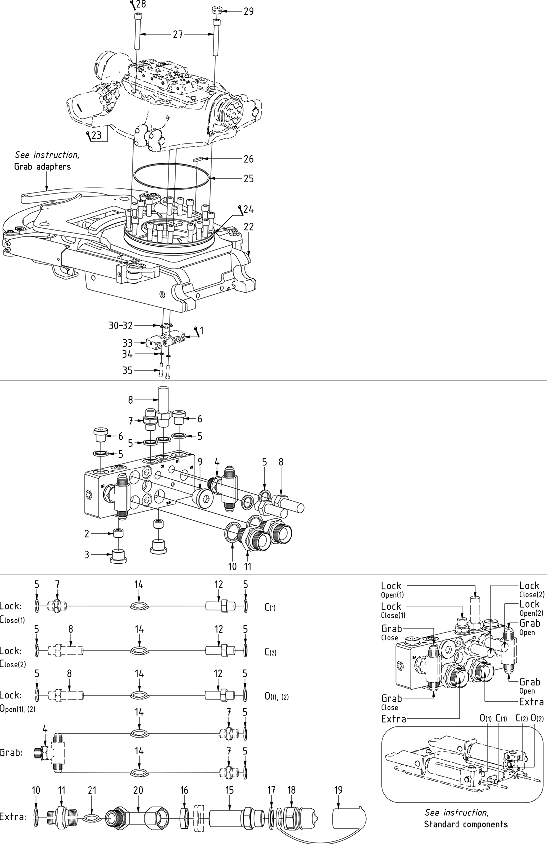
QSM CW30
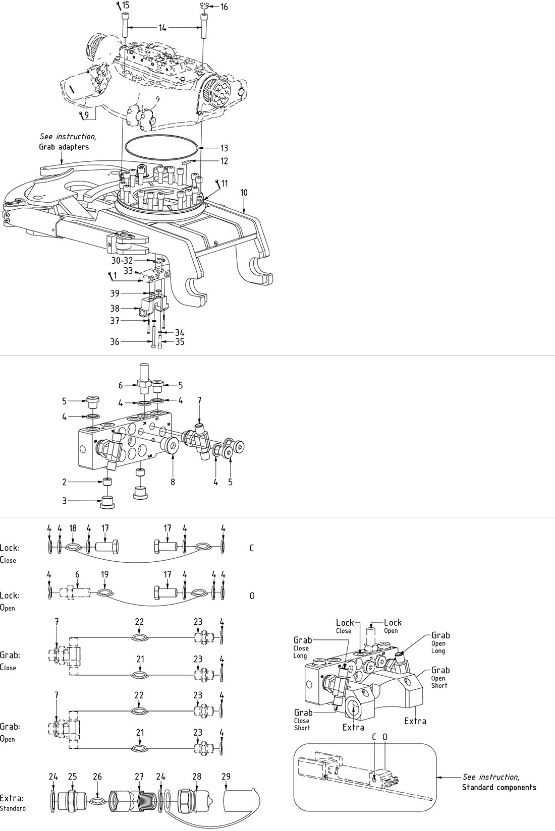
QSM CW30 GR20
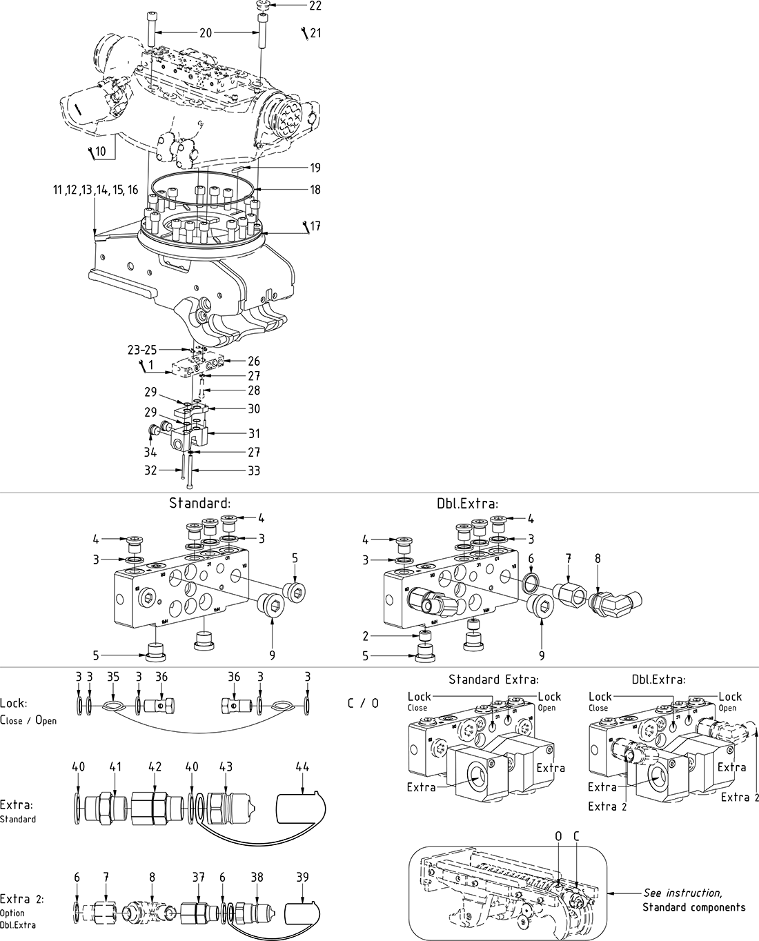
QS70 'ECHF'
QS70 GR20 'ECHF'
S70 'ECHF'
S70 GR20 'ECHF'
S1 'ECHF'
S1 GR20 'ECHF'
S2 'ECHF'
S2 GR20 'ECHF'
CW30(S)EC 'ECHF'
CW30(S)EC GR20 'ECHF'
ECPUP60/65 'ECHF'
S70 '6-ch'
S70 GR20 '6-ch'
S1 '6-ch'
S1 GR20 '6-ch'
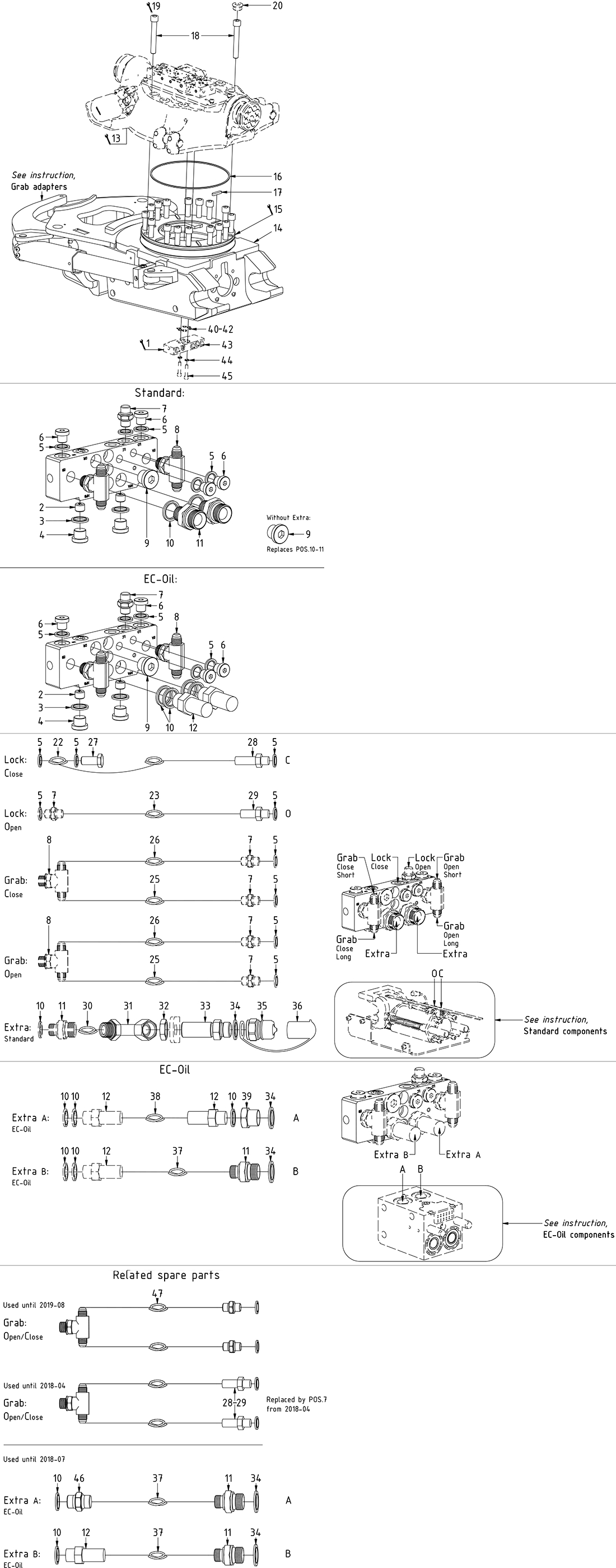
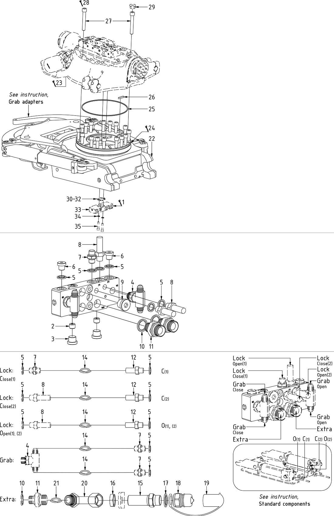
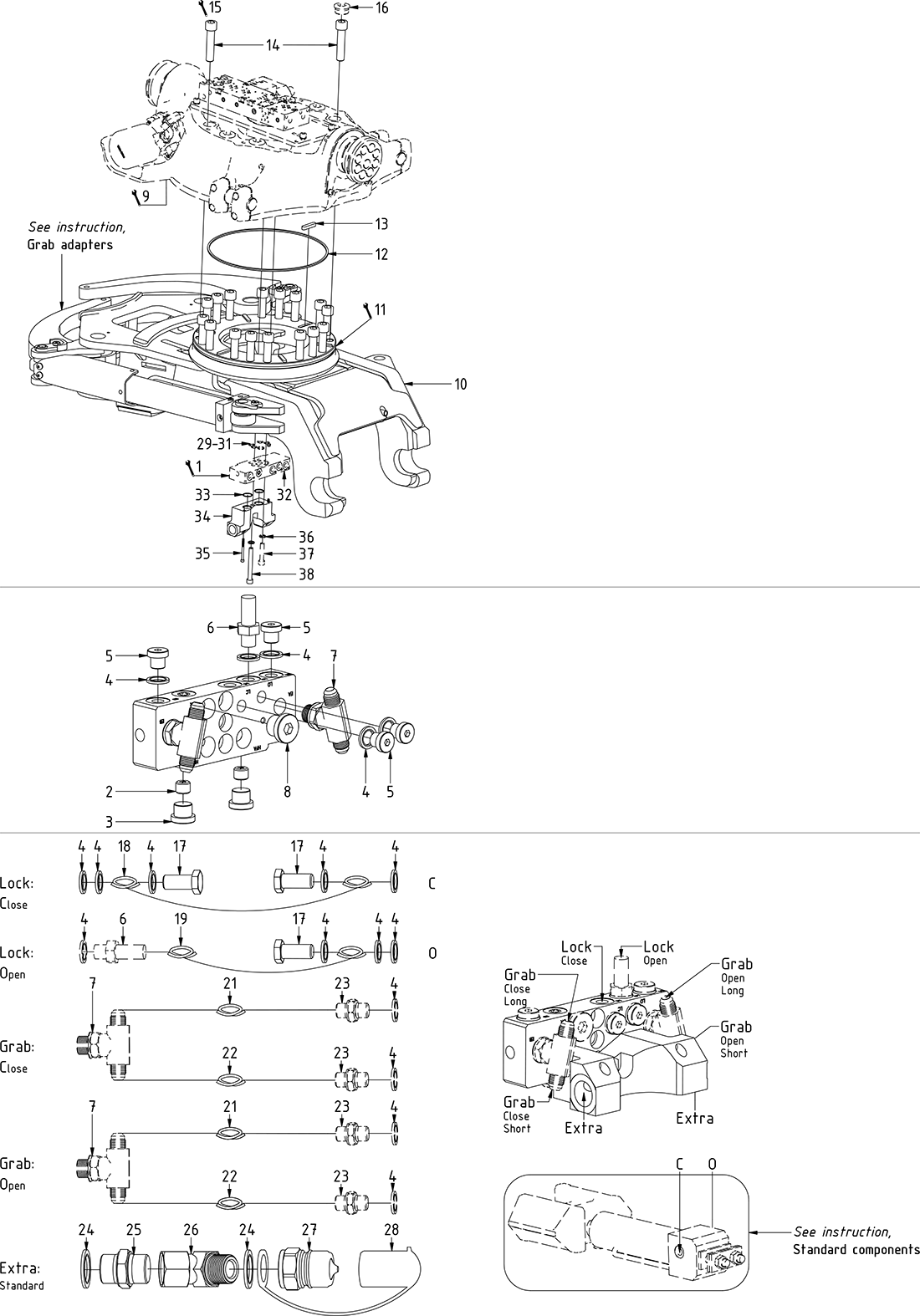
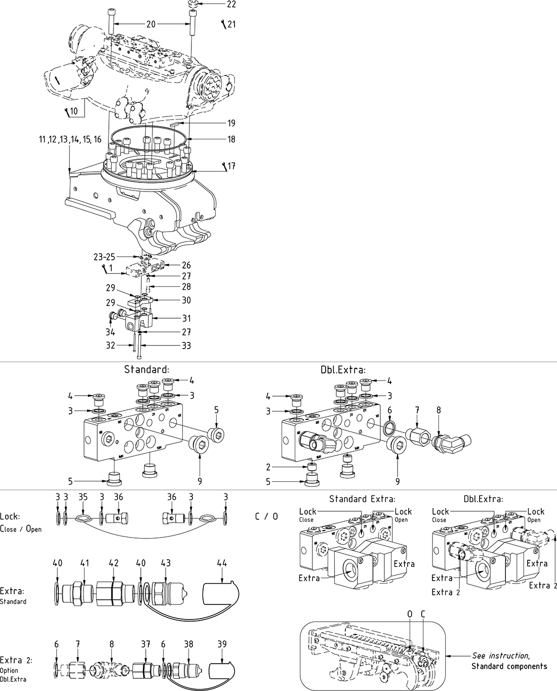
Std. Hitch components
Integrated grab
EC-Oil components
Priser er ekskl. Moms