Skip to content

Priser exkl moms • Har du frågor eller behöver hjälp? Ring 0670-65 04 00 eller maila reservdelar@engcon.se

Engcon Spare Parts

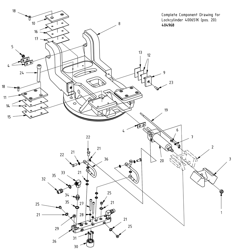
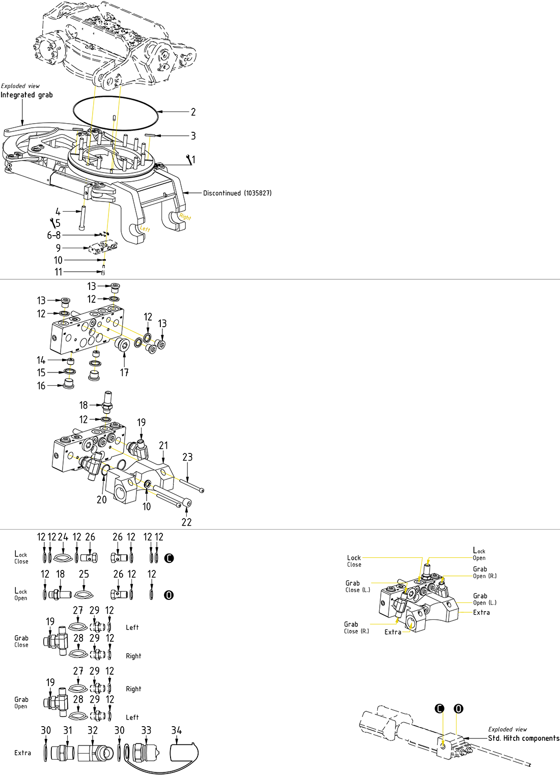
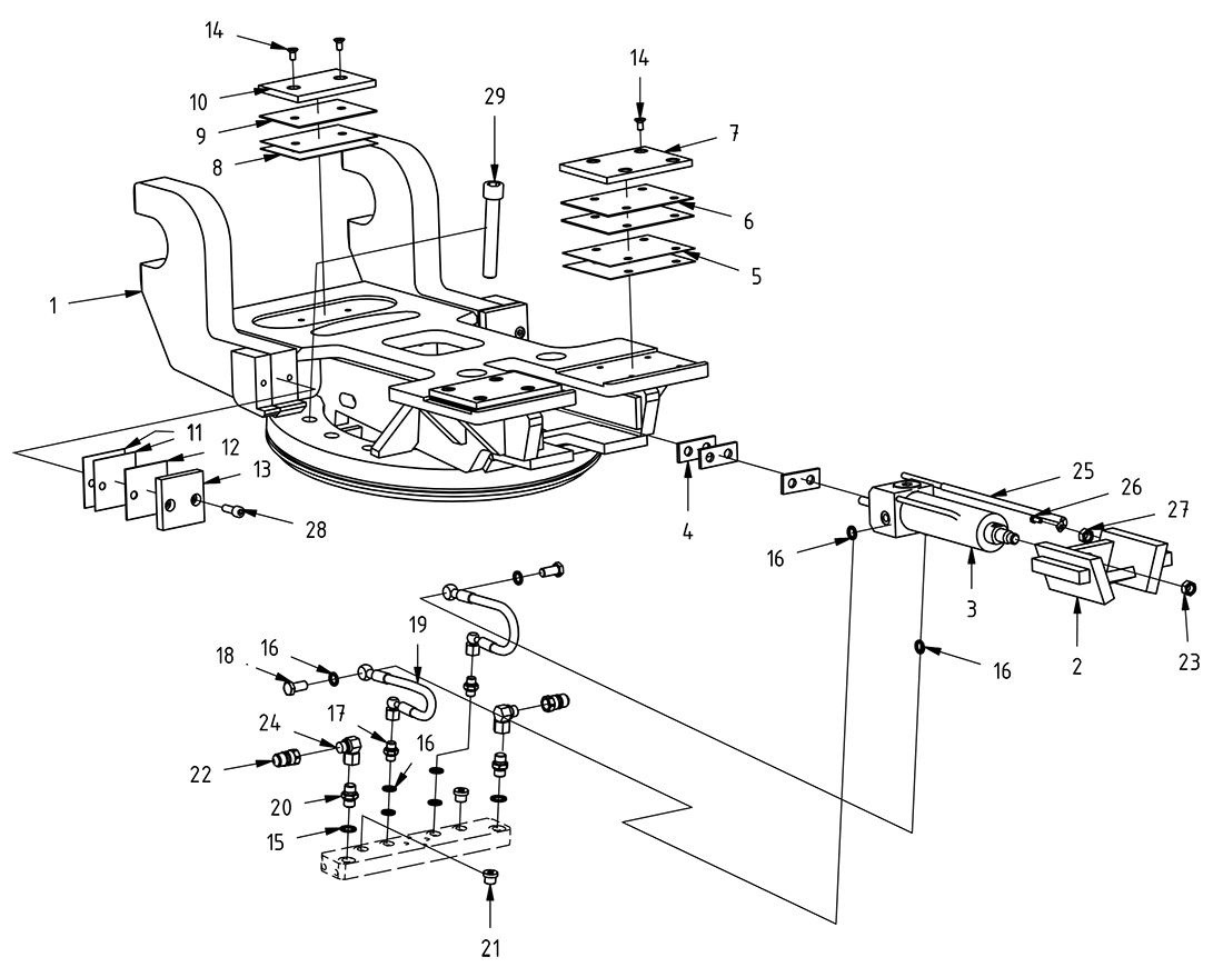
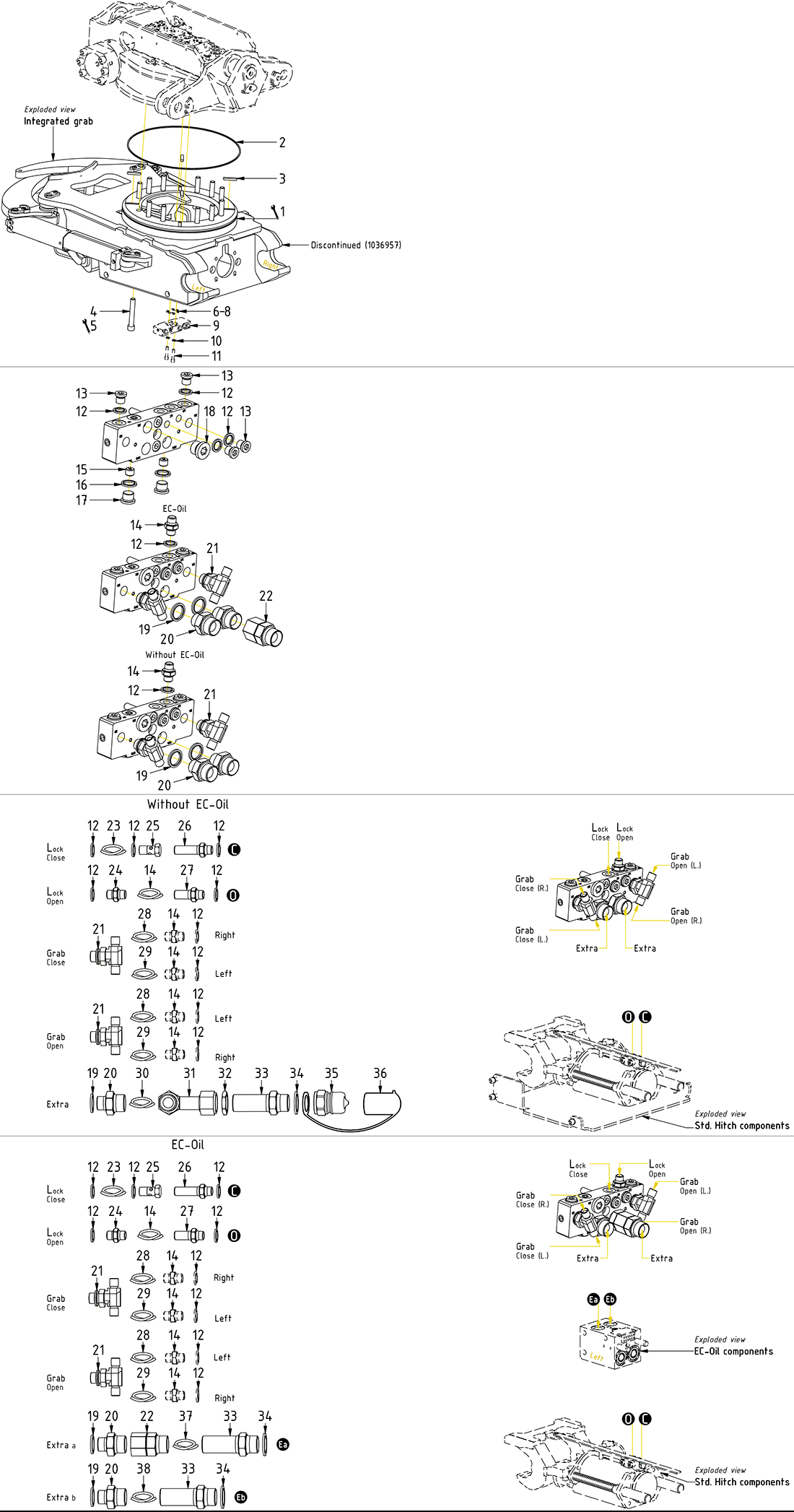
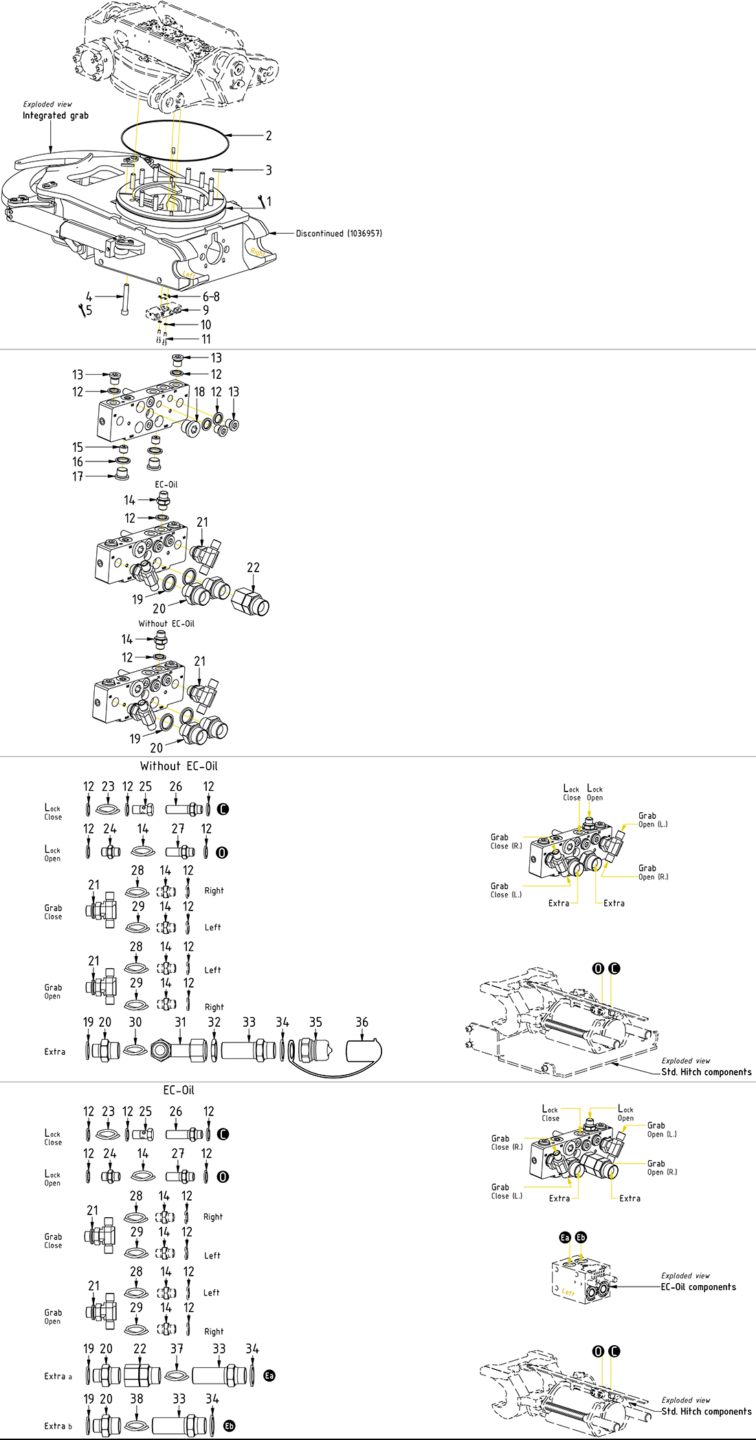
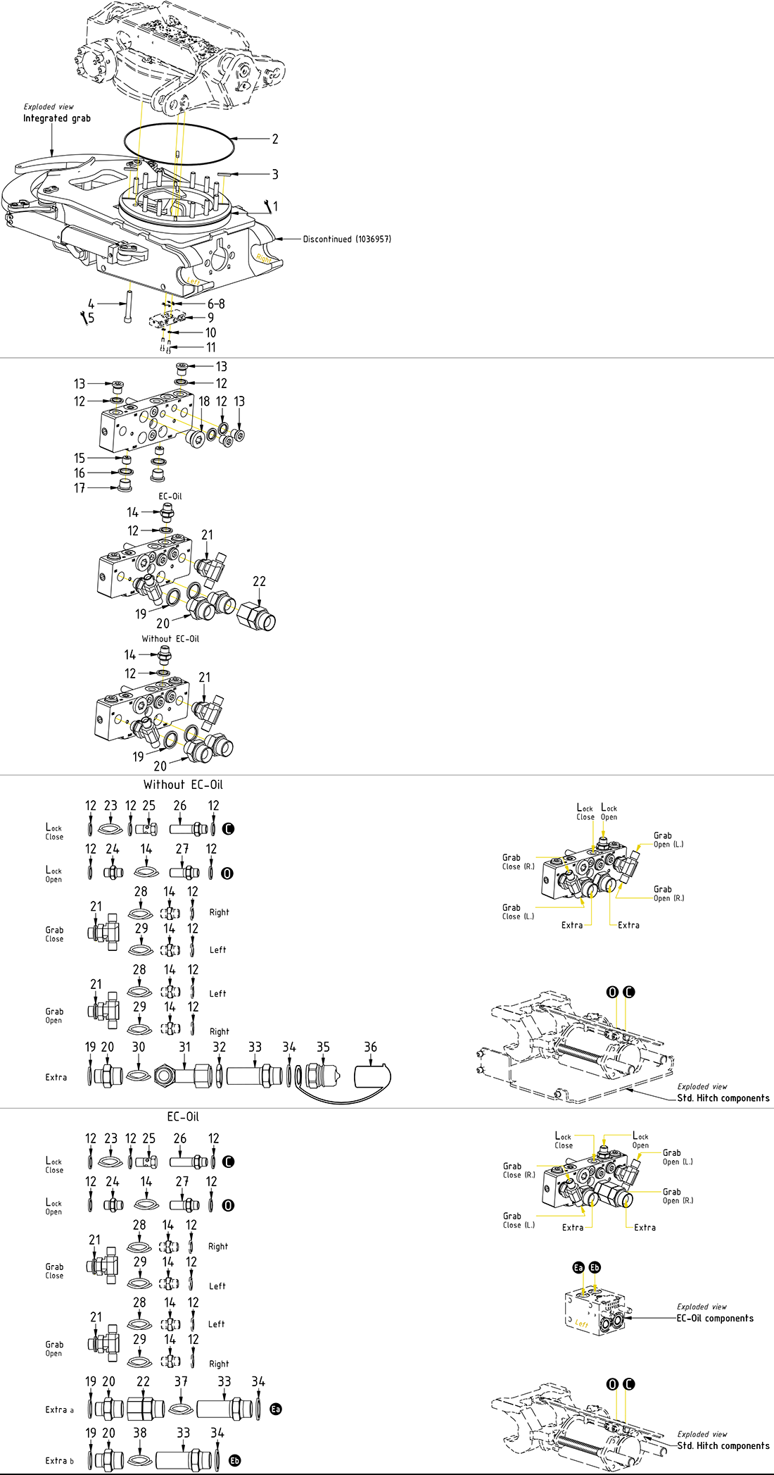
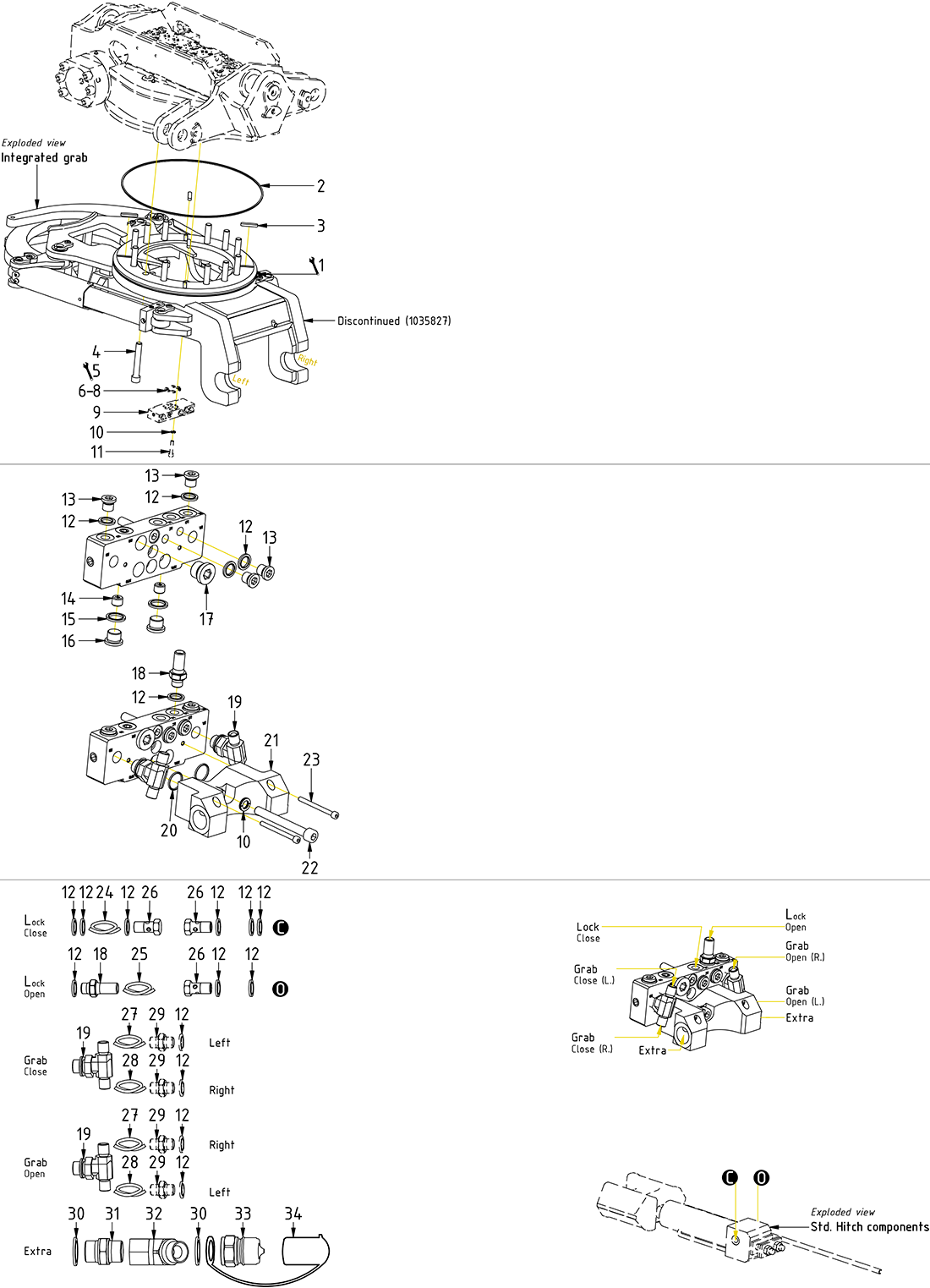
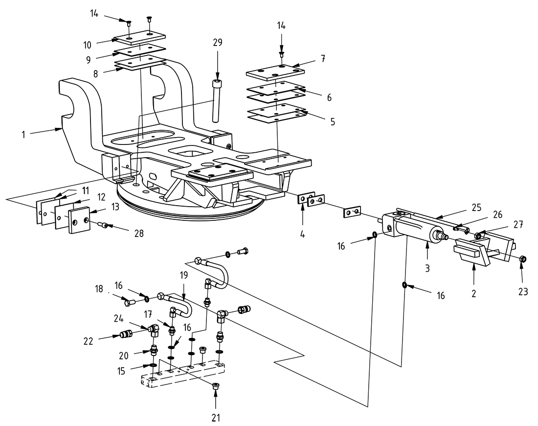
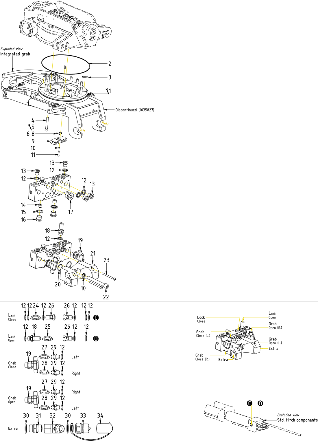
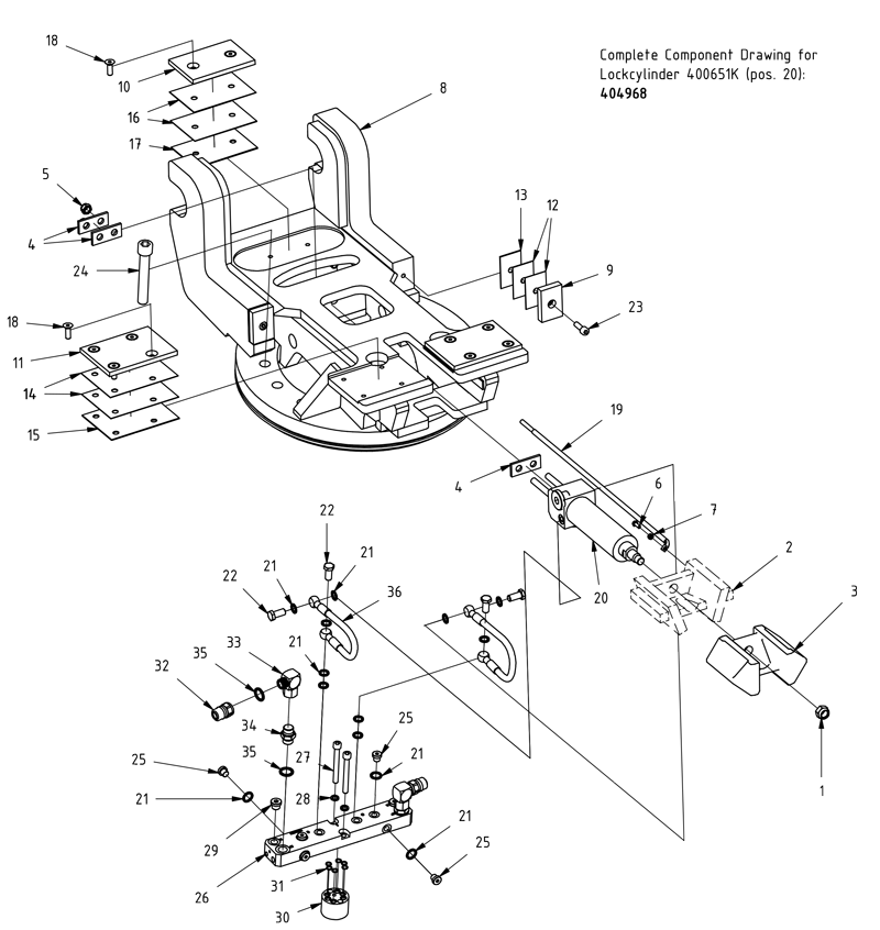
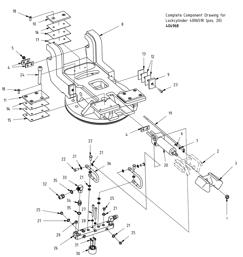
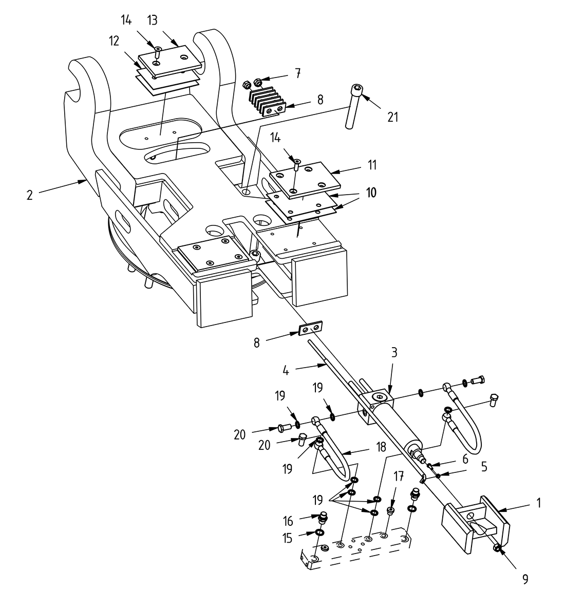
Redskapsfäste

Priser exkl moms