Skip to content

Har du frågor eller behöver hjälp? Ring 0670-65 04 00 eller maila reservdelar@engcon.se

Engcon Spare Parts

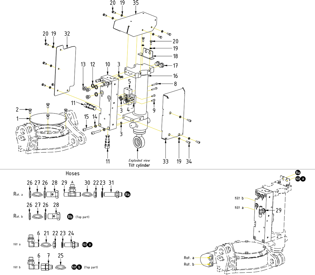
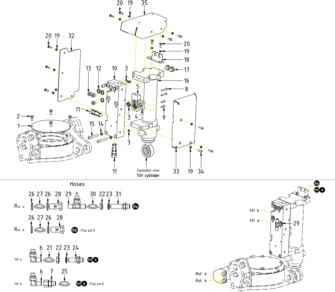
102/02BU Control system

Priser exkl moms