Finland: Finnish | Swedish | English
Har du frågor eller behöver hjälp? Ring +358 6 3222 815 eller maila varaosat@engcon.fi
Kundvagnen är tom
€0,00
Moms
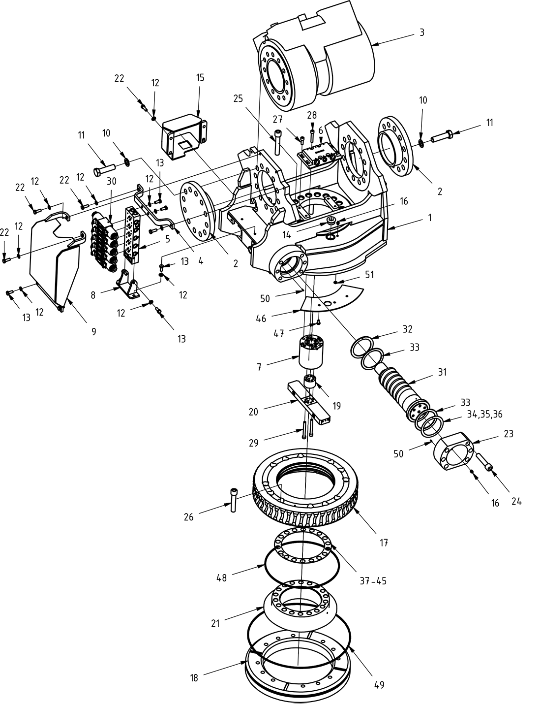
Rotator frame
Priser exkl moms