Skip to content

Finland: Finnish | Swedish | English

Har du frågor eller behöver hjälp? Ring +358 6 3222 815 eller maila varaosat@engcon.fi

Engcon Spare Parts

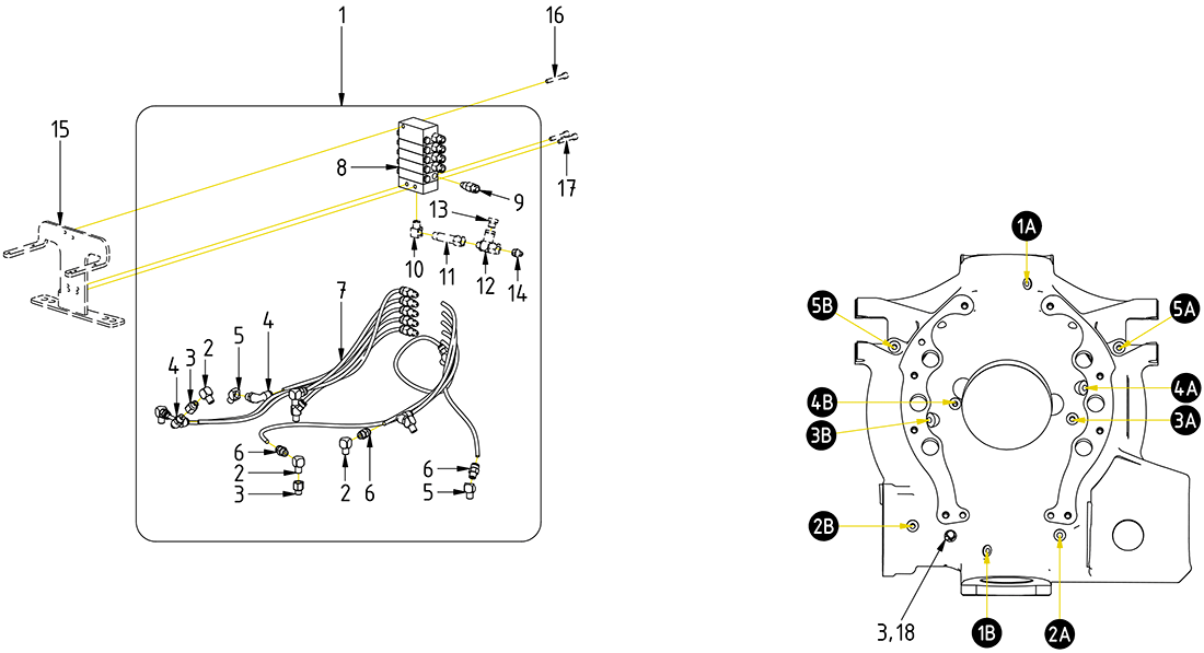
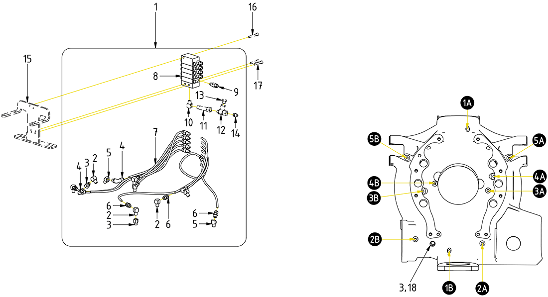
Rotator frame

Priser exkl moms