Skip to content
Netherlands
:
Dutch
|
English
Home
Handleidingen
Zoeken op serienummer
Contact
Naar engcon.com
Zoeken
Miniwinkelwagen openen
Sluit
Je winkelwagen
Uw winkelwagen is leeg
Blijf winkelen
Producten in uw winkelwagen
€0,00
BTW
€0,00
Totaal
€0,00
Afrekenen
Home
Handleidingen
Zoeken op serienummer
Contact
Naar engcon.com
Start page
Spare parts
Tiltrotators
EC209
Previous series
Rotator frame
Previous series
Rotator frame
+
Machine hitch
−
Tiltrotators
+
Tools
+
Tilt hitches
+
Electrical kits
ePS1 Sensor
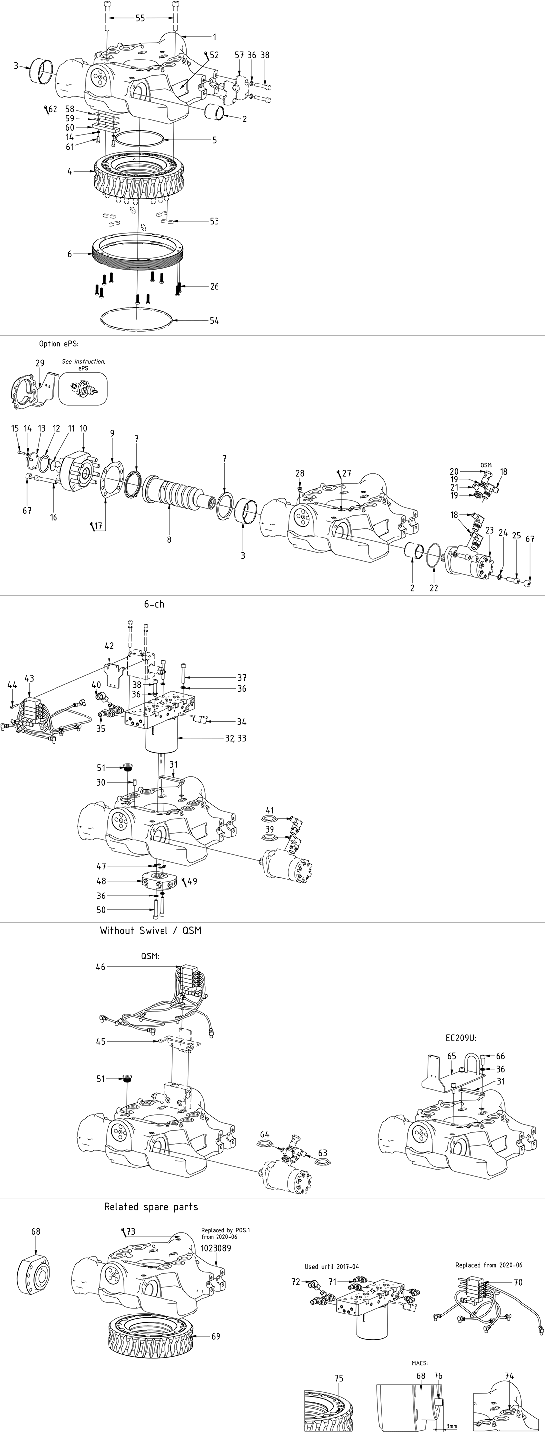
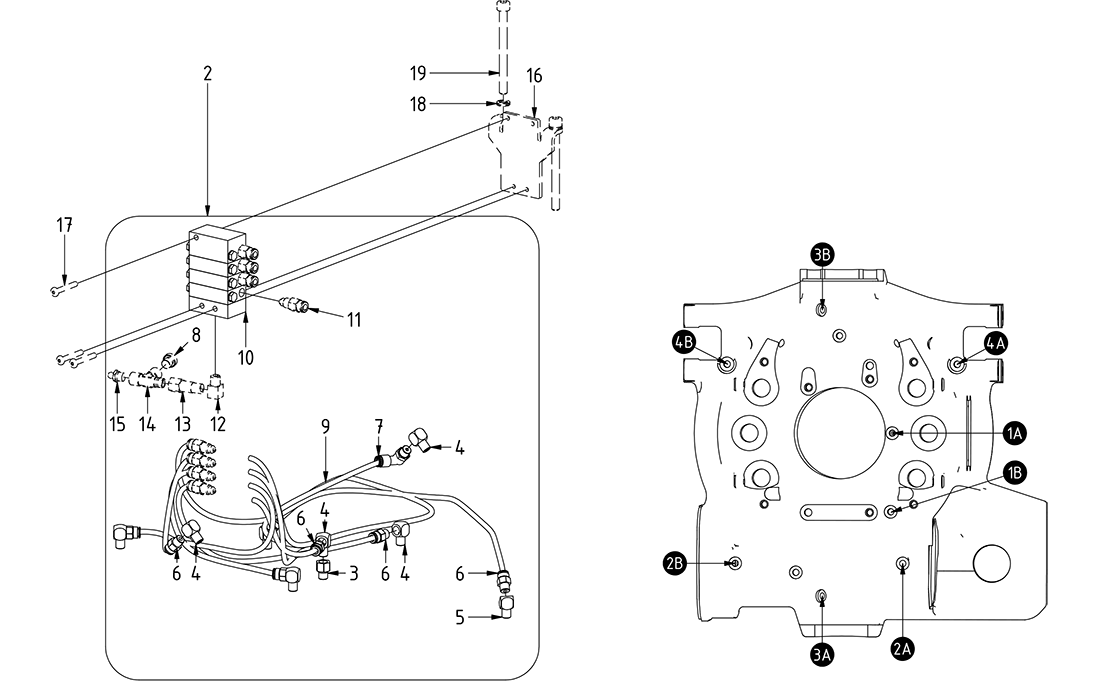
Main components
Central lube. V2 (1059026) from 2020-06
Central lube. (1021742) until 2020-06
Service package
Blocks & Swivels
Prijzen exclusief btw