Norway: Norwegian | English
Do you have questions or need help? Call +47 22 75 44 44 or email norge@engcon.com.
Handlevogn er tom
0,00 NOK
MVA
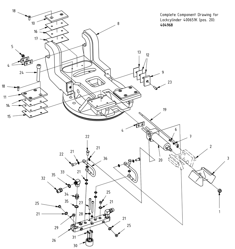
Quick hitch
Prices excl. VAT