Skip to content

France: French | English

Do you have questions or need help? Call +33 1 60 79 49 70 or email webshop-fr@engcon.com.

Engcon Spare Parts

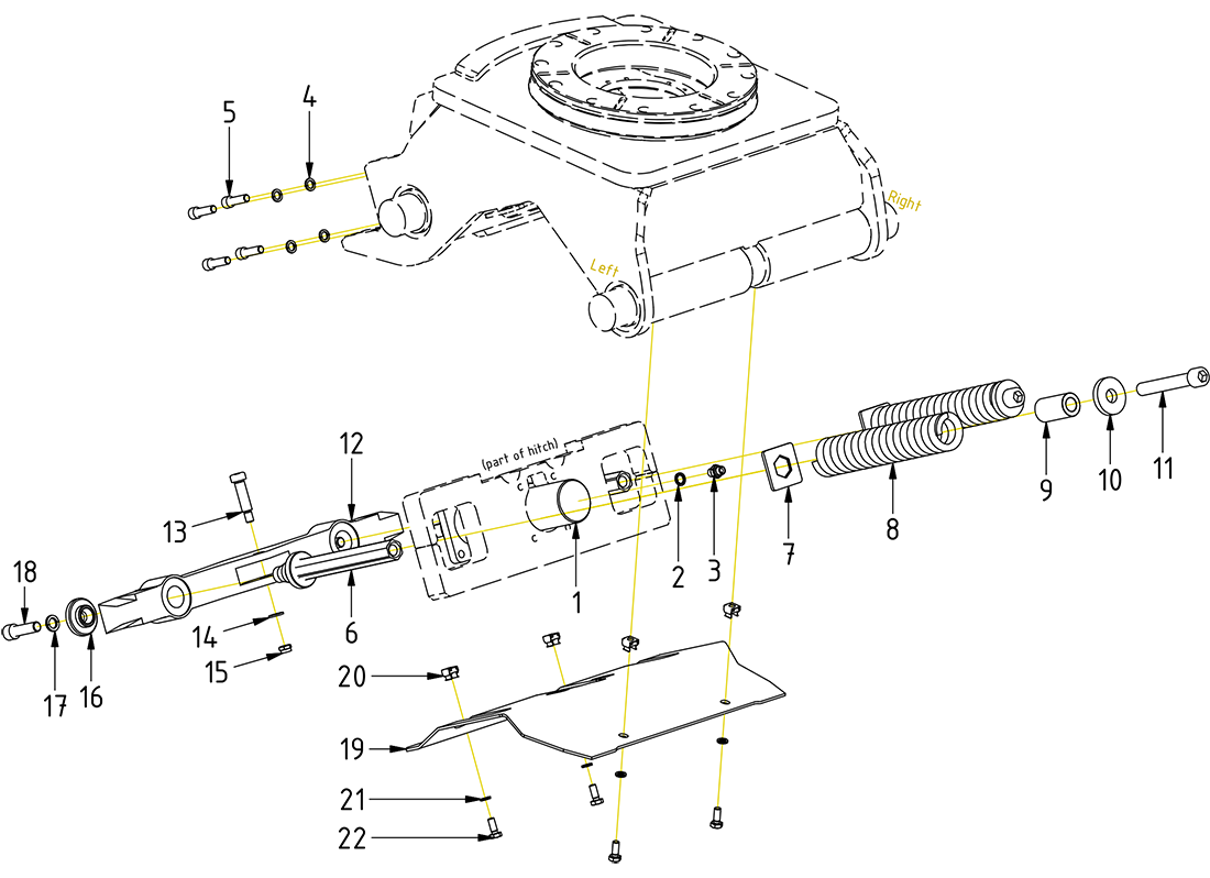
Std. Hitch components

Prix ​​hors TVA