Skip to content

Finland: Finnish | Swedish | English

Onko sinulla kysyttävää tai tarvitsetko apua? Soita +358 6 3222 815 tai lähetä sähköpostia varaosat@engcon.fi

Engcon Spare Parts

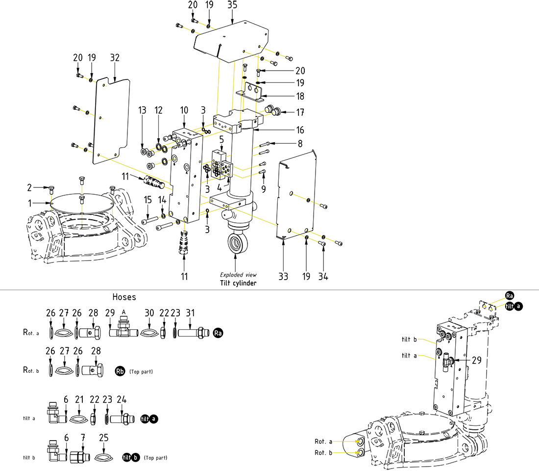
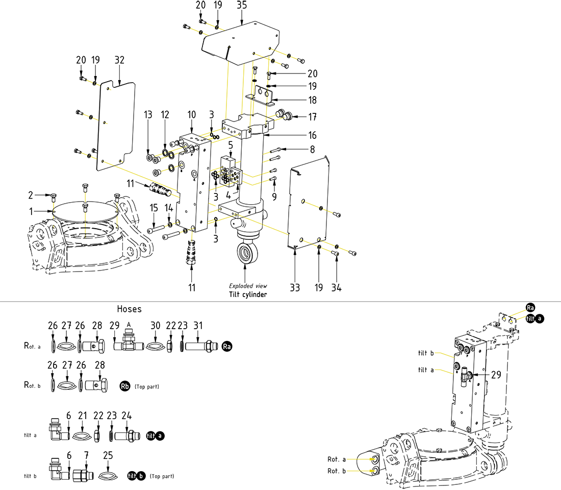
102/02BU Control system

Hinnat ilman ALV