Skip to content
Home
Spare parts
Instruction manuals
Serial number search
Contact us
To engcon.com
Search
Open mini cart
Close
Your cart
Your cart is empty
Keep shopping
Products in the cart
0.00 SEK
VAT
0.00 SEK
Total
0.00 SEK
Checkout
Home
Spare parts
Instruction manuals
Serial number search
Contact us
To engcon.com
Start page
Spare parts
Tiltrotators
EC30
Quick hitch
EC30
Quick hitch
Quick hitch
+
Machine hitch
−
Tiltrotators
+
Tools
+
Tilt hitches
+
Electrical kits
QS80 'ECHF'
QS80 GR30 'ECHF'
S1 'ECHF'
S1 GR20 'ECHF'
S80 EC30
S1 EC30
S2 EC30
S3 EC30
SMP1 EC30
SMP105 EC30
KM1 EC30
KM2 EC30
GJ500 EC30
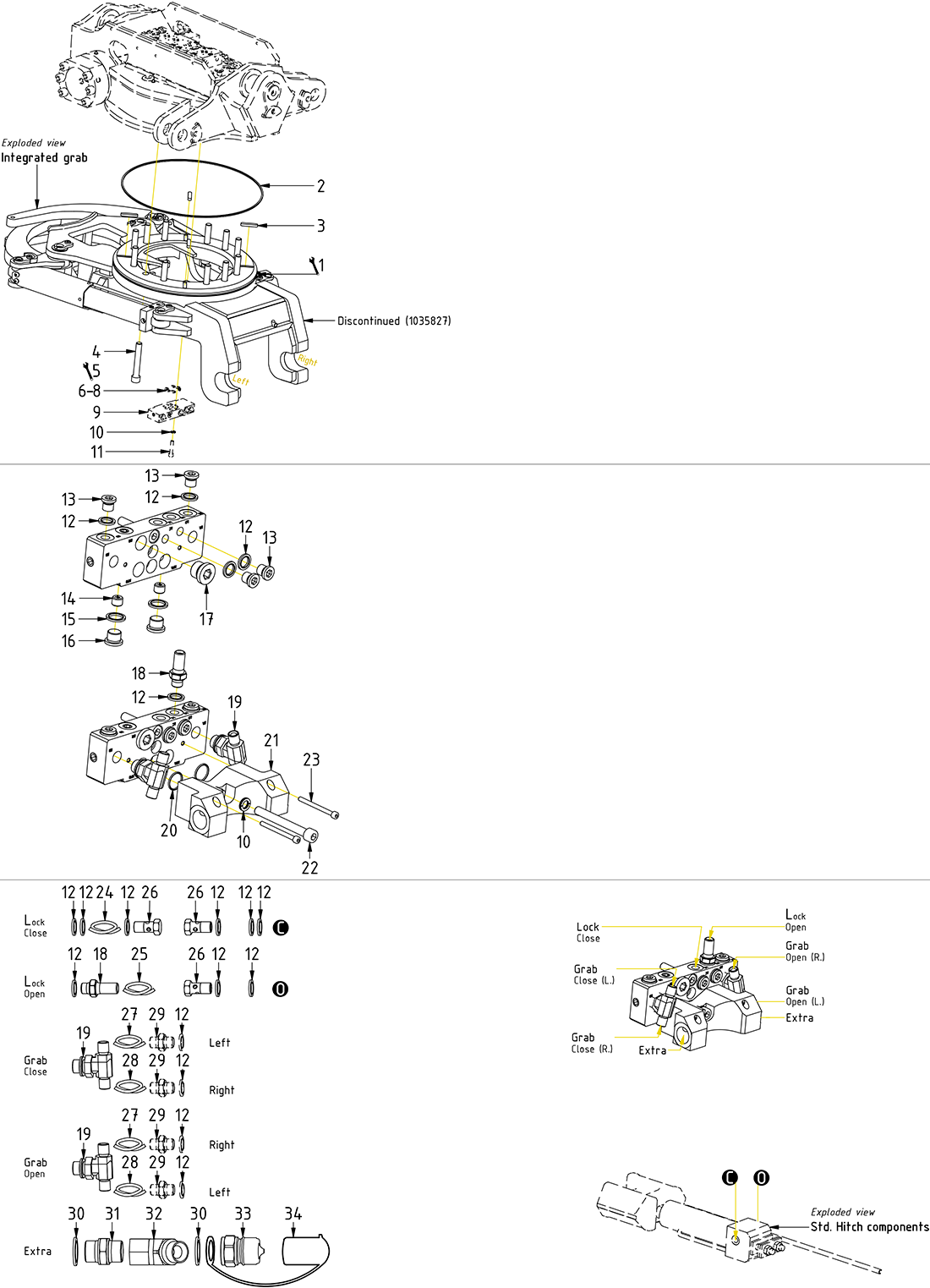
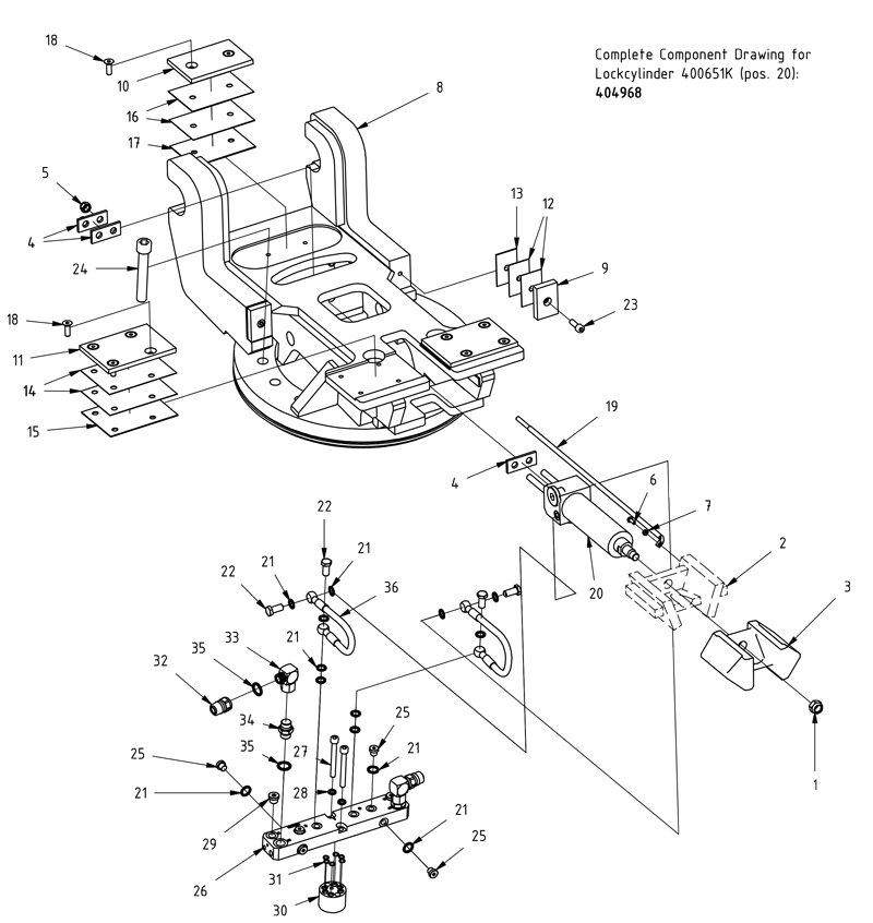
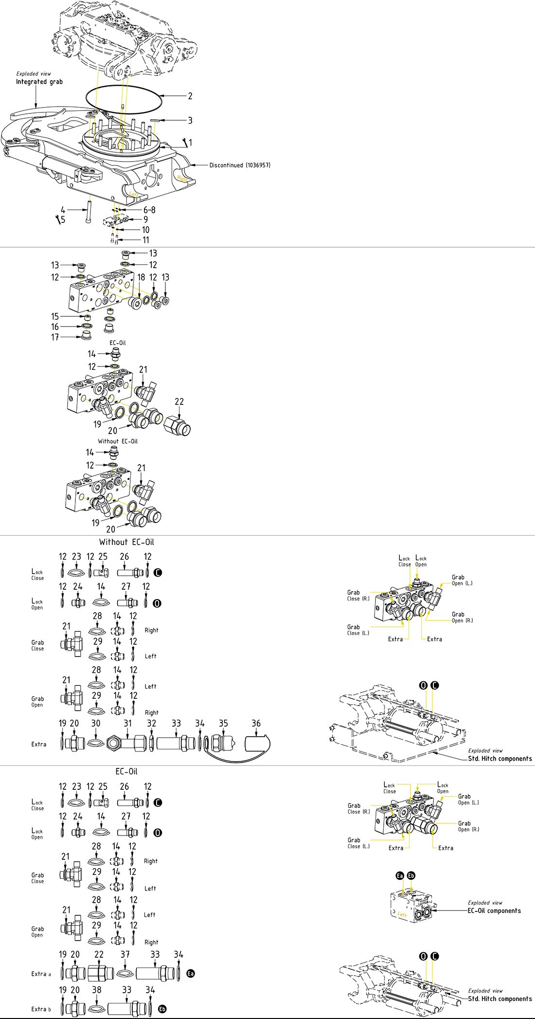
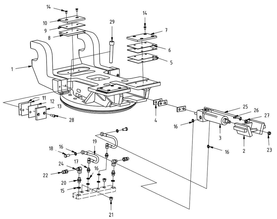
Std. Hitch components
Integrated grab