Skip to content
Home
Spare parts
Instruction manuals
Serial number search
Contact us
To engcon.com
Search
Open mini cart
Close
Your cart
Your cart is empty
Keep shopping
Products in the cart
0.00 SEK
VAT
0.00 SEK
Total
0.00 SEK
Checkout
Home
Spare parts
Instruction manuals
Serial number search
Contact us
To engcon.com
Start page
Spare parts
Tiltrotators
EC233
Control system
EC233
Control system
Control system
+
Machine hitch
−
Tiltrotators
+
Tools
+
Tilt hitches
+
Electrical kits
DC3 'QSM'
ss10 (DC2/SVAB) 'QSM'
ss9IQ 'QSM'
ss10 (DC2/SVAB) 'ECHF'
ss9IQ 'ECHF'
ss9SQ 'ECHF'
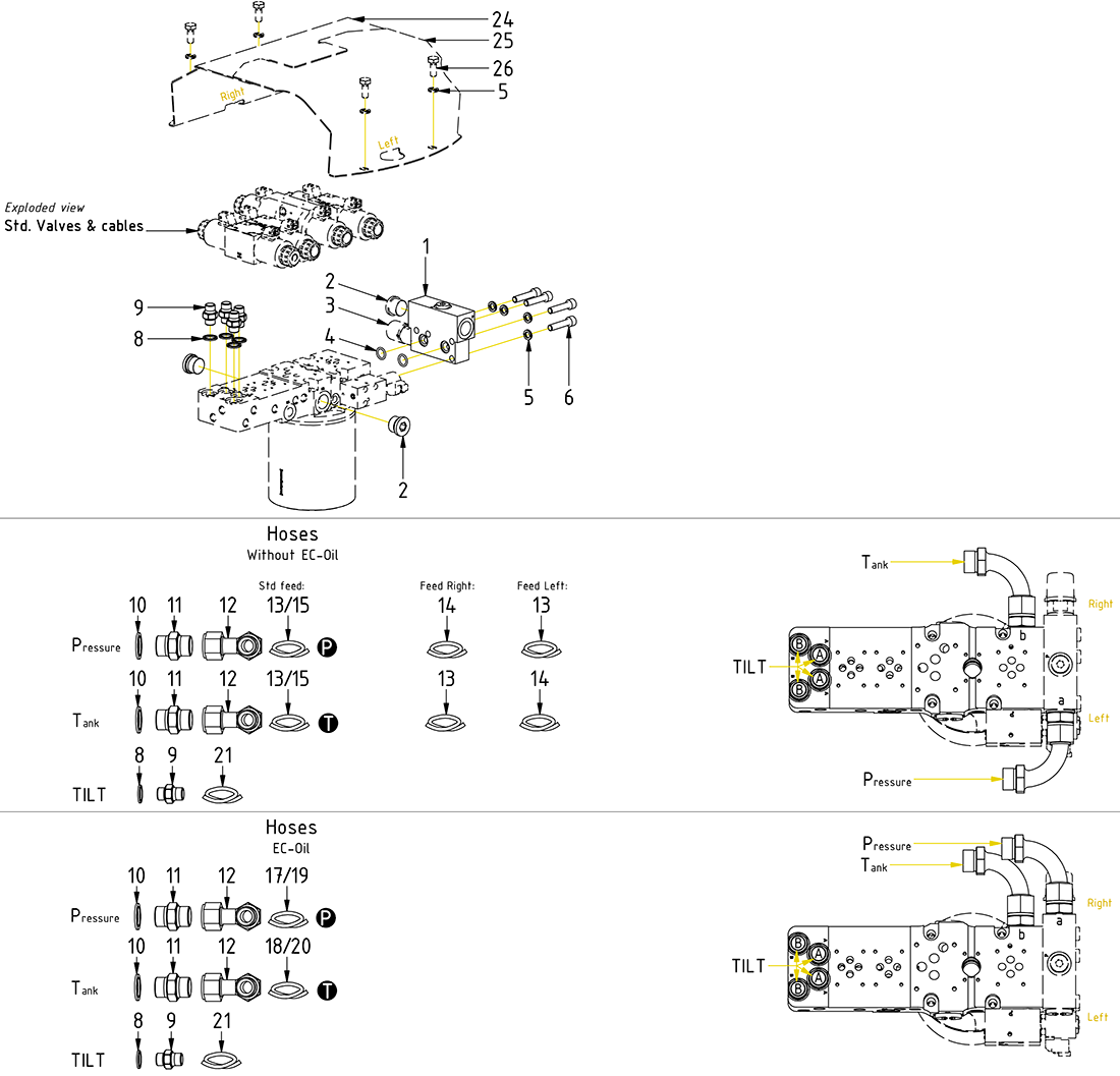
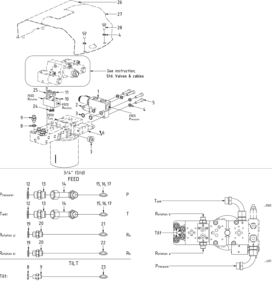
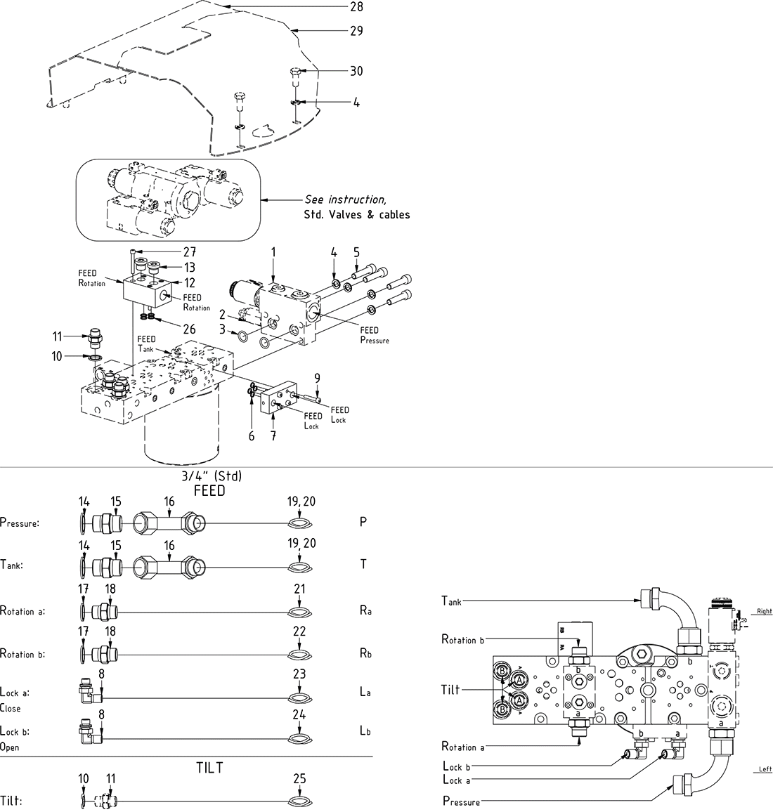
Std. Valves & cables