Skip to content
Home
Spare parts
Instruction manuals
Serial number search
Contact us
To engcon.com
Search
Open mini cart
Close
Your cart
Your cart is empty
Keep shopping
Products in the cart
0.00 SEK
VAT
0.00 SEK
Total
0.00 SEK
Checkout
Home
Spare parts
Instruction manuals
Serial number search
Contact us
To engcon.com
Start page
Spare parts
Tiltrotators
EC226
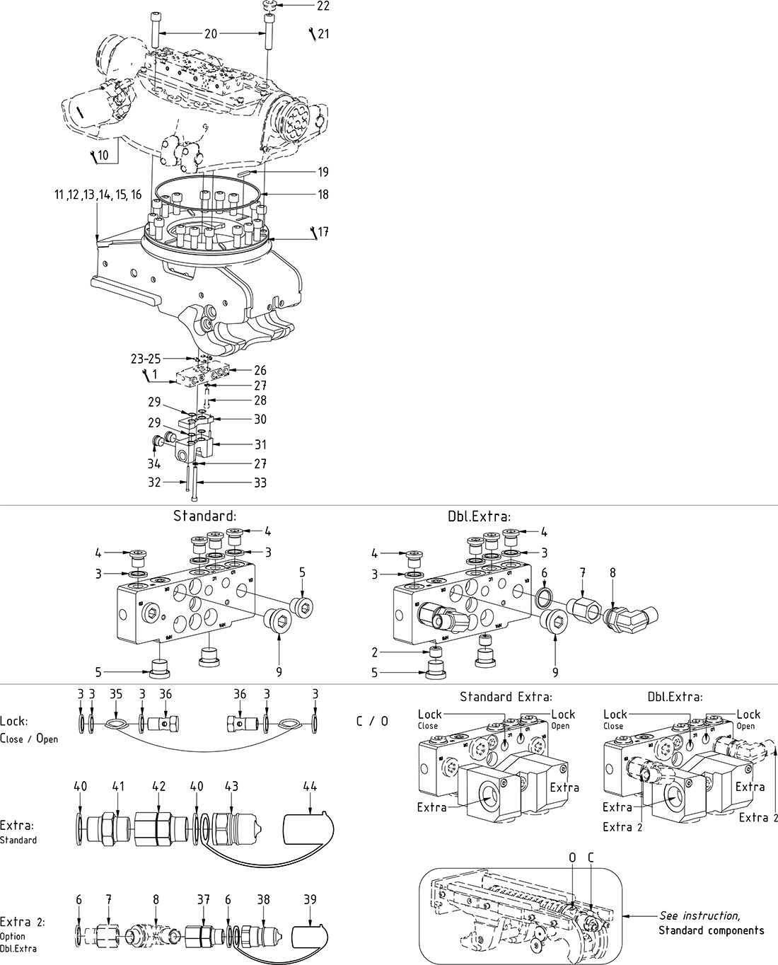
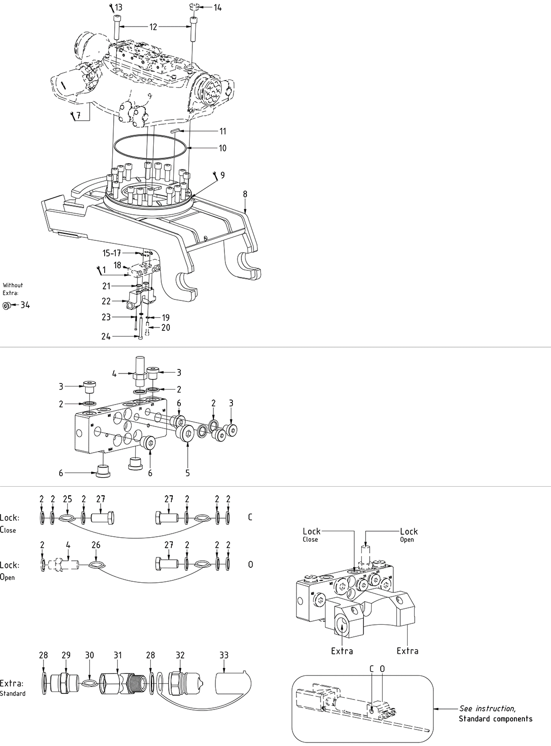
Quick hitch
EC226
Quick hitch
Quick hitch
+
Machine hitch
−
Tiltrotators
+
Tools
+
Tilt hitches
+
Electrical kits
Break support
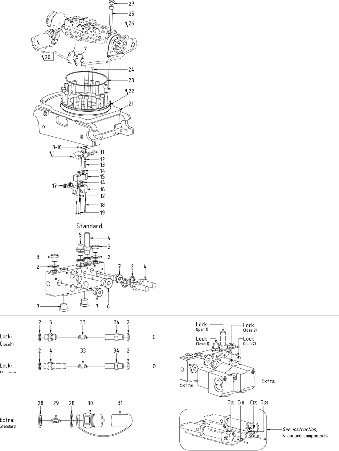
QSM70
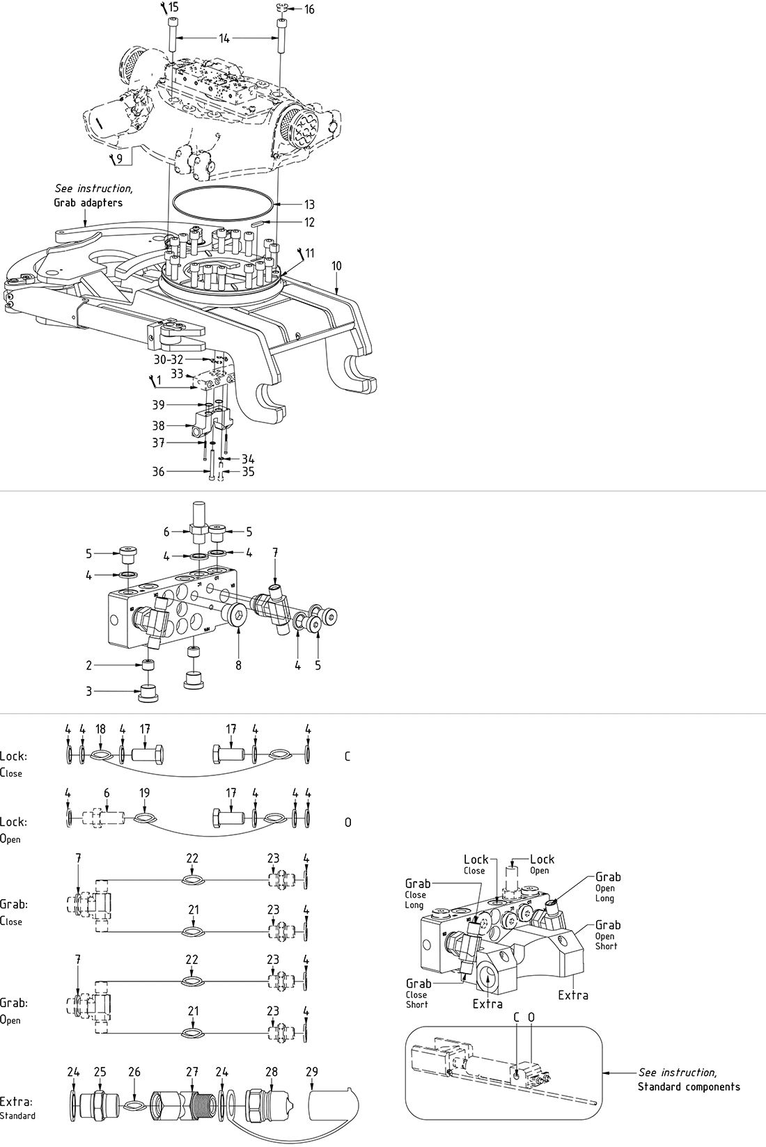
QSM CW30
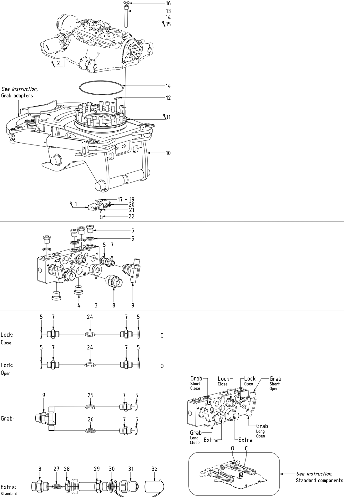
QSM CW30 GR20
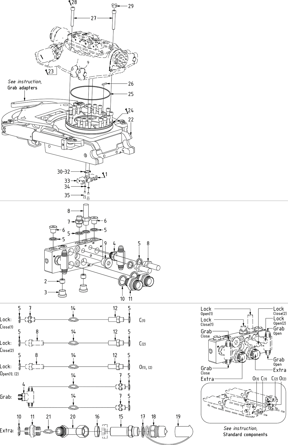
QS70 'ECHF'
QS70 GR20 'ECHF'
S70 'ECHF'
S70 GR20 'ECHF'
S1 'ECHF'
S1 GR20 'ECHF'
S2 'ECHF'
S2 GR20 'ECHF'
CW30(S)EC 'ECHF'
CW30(S)EC GR20 'ECHF'
ECPUP60/65 'ECHF'
S70 '6-ch'
S70 GR20 '6-ch'
S1 '6-ch'
S1 GR20 '6-ch'
Std. Hitch components
Integrated grab
EC-Oil components