Skip to content
Home
Spare parts
Instruction manuals
Serial number search
Contact us
To engcon.com
Search
Open mini cart
Close
Your cart
Your cart is empty
Keep shopping
Products in the cart
0.00 SEK
VAT
0.00 SEK
Total
0.00 SEK
Checkout
Home
Spare parts
Instruction manuals
Serial number search
Contact us
To engcon.com
Start page
Spare parts
Tiltrotators
EC219
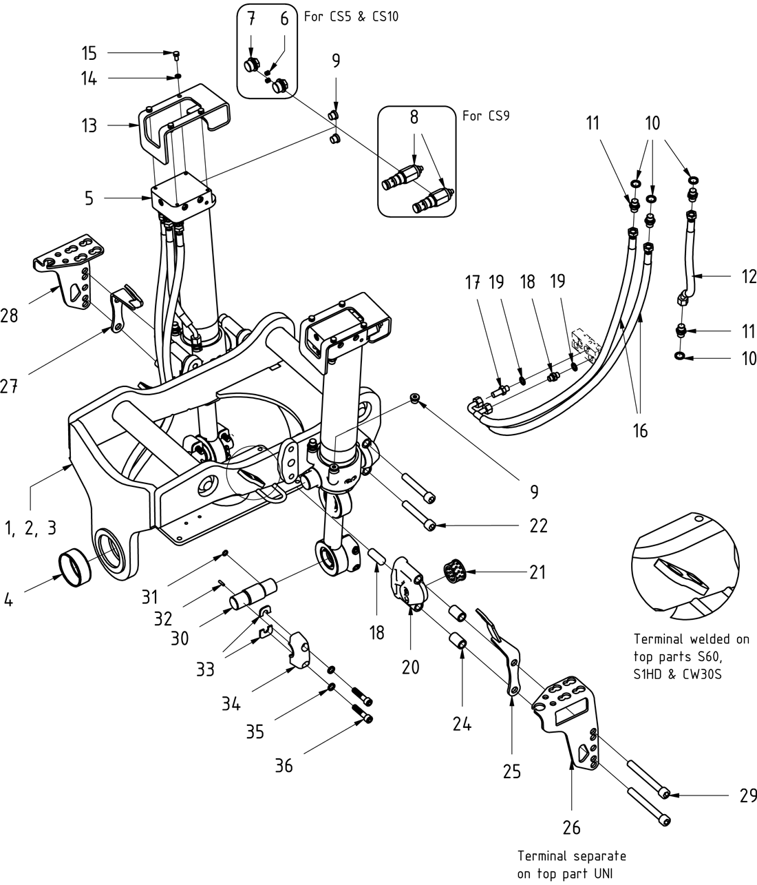
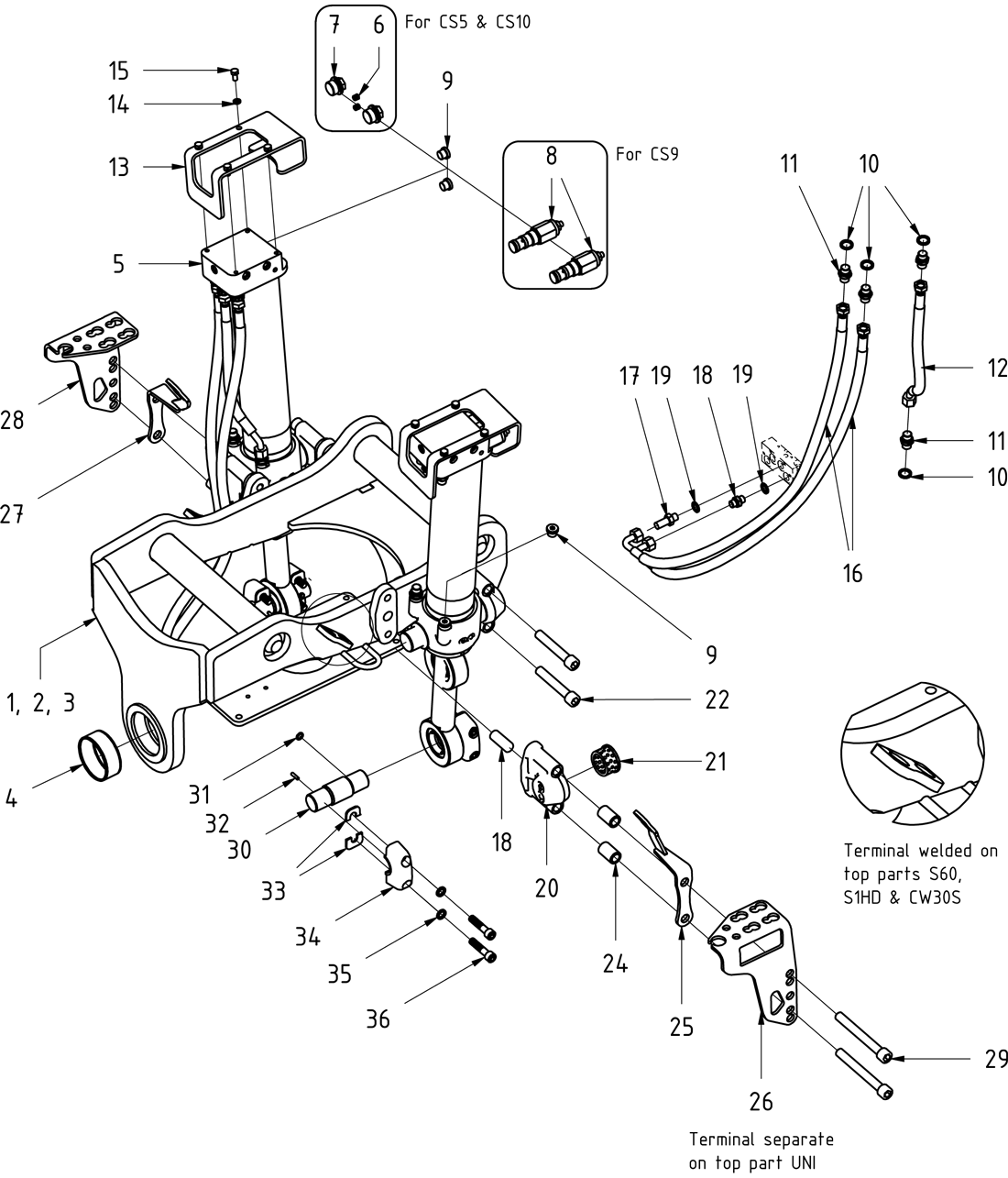
Top part
EC219
Top part
Top part
+
Machine hitch
−
Tiltrotators
+
Tools
+
Tilt hitches
+
Electrical kits
ePS2 Sensors
Std. Top components 'QSM'
QS60 'QSM'
UNI 'QSM'
Menzi muck 'QSM'
Std. Top components 'ECHF'
QS60 'ECHF'
UNI 'ECHF'
S1 'ECHF'
SW33 'ECHF'
Hydrema 'ECHF'
T620V 'ECHF'
Menzi muck 'ECHF'
QS60, S60, S1HD '6-ch'
Service package
Tilt cylinders
EC-Oil components