Skip to content
Home
Spare parts
Instruction manuals
Serial number search
Contact us
To engcon.com
Search
Open mini cart
Close
Your cart
Your cart is empty
Keep shopping
Products in the cart
0.00 SEK
VAT
0.00 SEK
Total
0.00 SEK
Checkout
Home
Spare parts
Instruction manuals
Serial number search
Contact us
To engcon.com
Start page
Spare parts
Tiltrotators
EC209
Quick hitch
EC209
Quick hitch
+
Machine hitch
−
Tiltrotators
+
Tools
+
Tilt mounting
+
Electrical kits
Break support
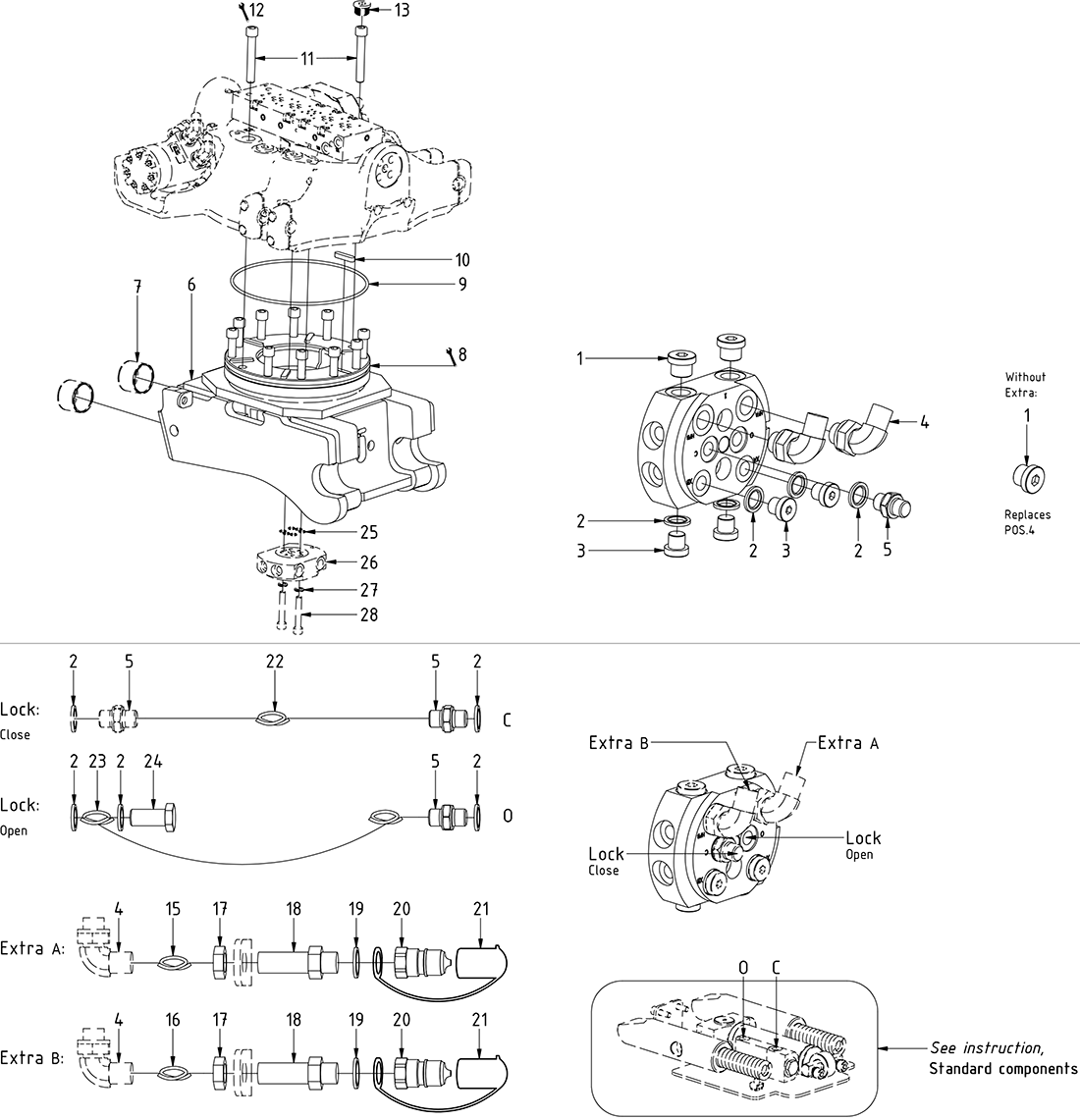
QS45/50
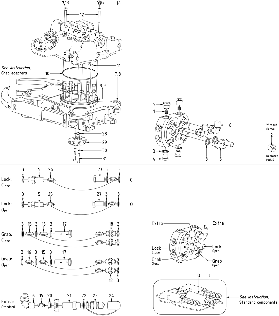
QS45/50 GR10
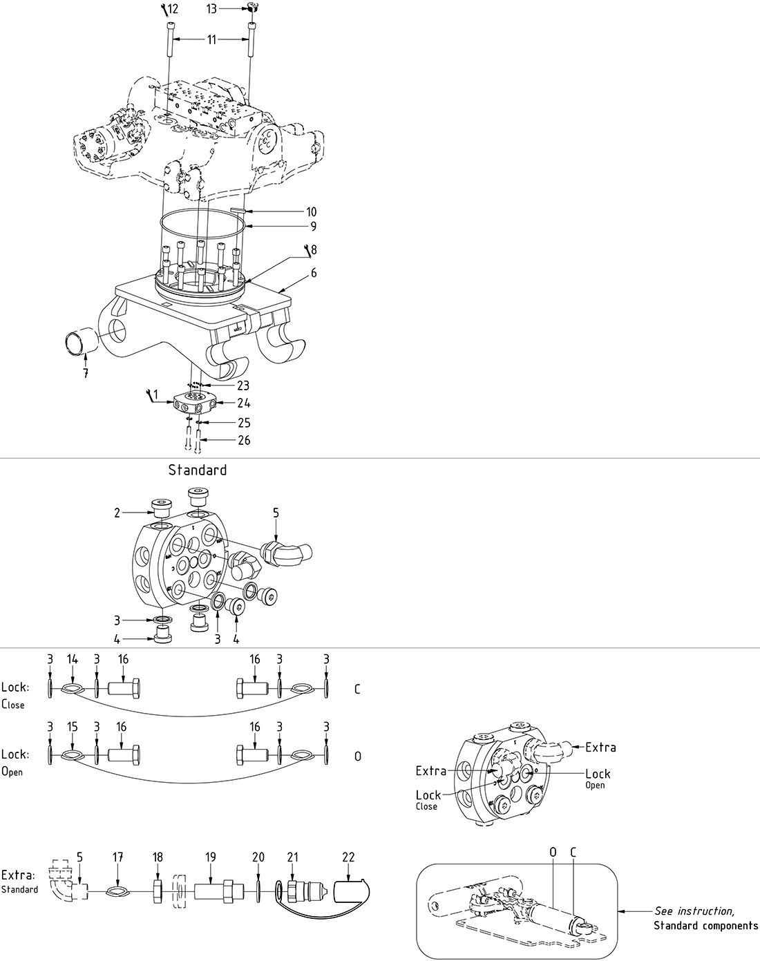
QSD45/50
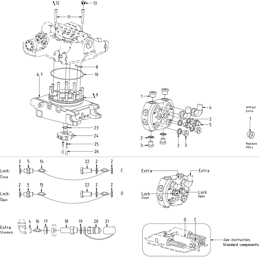
S45/50
S45/50 GR10
HS08EC
CW10EC
CW10EC GR10 V2
SW33EC V2
Hydrema
Hydrema GR10
ECPUP45/50
Standard components
EC-Oil components
Integrated grab