Skip to content
Home
Spare parts
Instruction manuals
Serial number search
Contact us
To engcon.com
Search
Open mini cart
Close
Your cart
Your cart is empty
Keep shopping
Products in the cart
0.00 SEK
VAT
0.00 SEK
Total
0.00 SEK
Checkout
Home
Spare parts
Instruction manuals
Serial number search
Contact us
To engcon.com
Start page
Spare parts
Tiltrotators
EC204
Quick hitch
EC204
Quick hitch
+
Machine hitch
−
Tiltrotators
+
Tools
+
Tilt mounting
+
Electrical kits
S40S
S40S GR05
S40
S40 GR05
CW05GP
CW05GP GR05
CW05EC
CW05EC GR05
HS03ECS
HS03EC
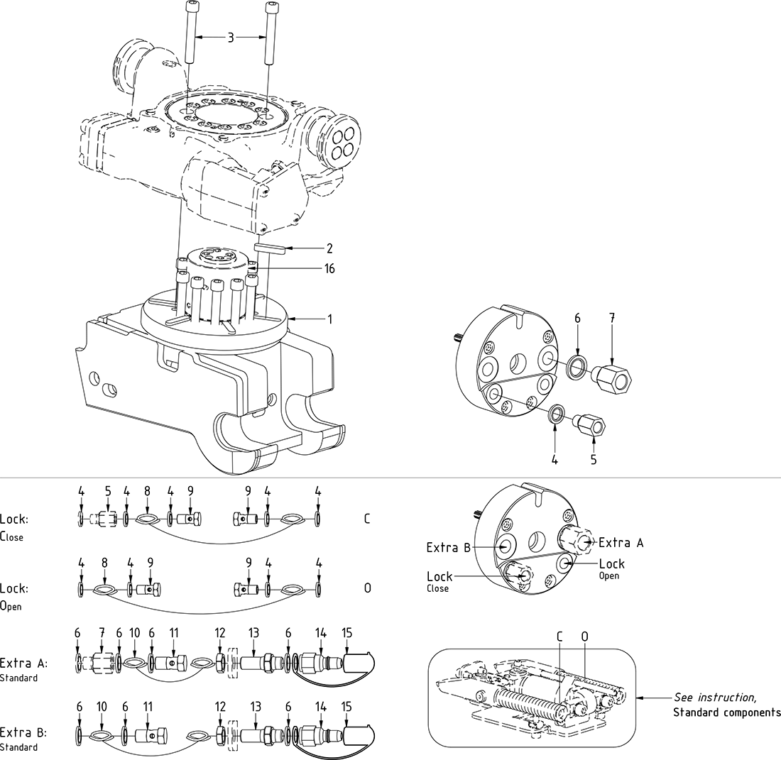
Standard components
Integrated grab