Skip to content
Home
Spare parts
Instruction manuals
Serial number search
Contact us
To engcon.com
Search
Open mini cart
Close
Your cart
Your cart is empty
Keep shopping
Products in the cart
0.00 SEK
VAT
0.00 SEK
Total
0.00 SEK
Checkout
Home
Spare parts
Instruction manuals
Serial number search
Contact us
To engcon.com
Start page
Spare parts
Tiltrotators
EC204
Previous series
Quick hitch
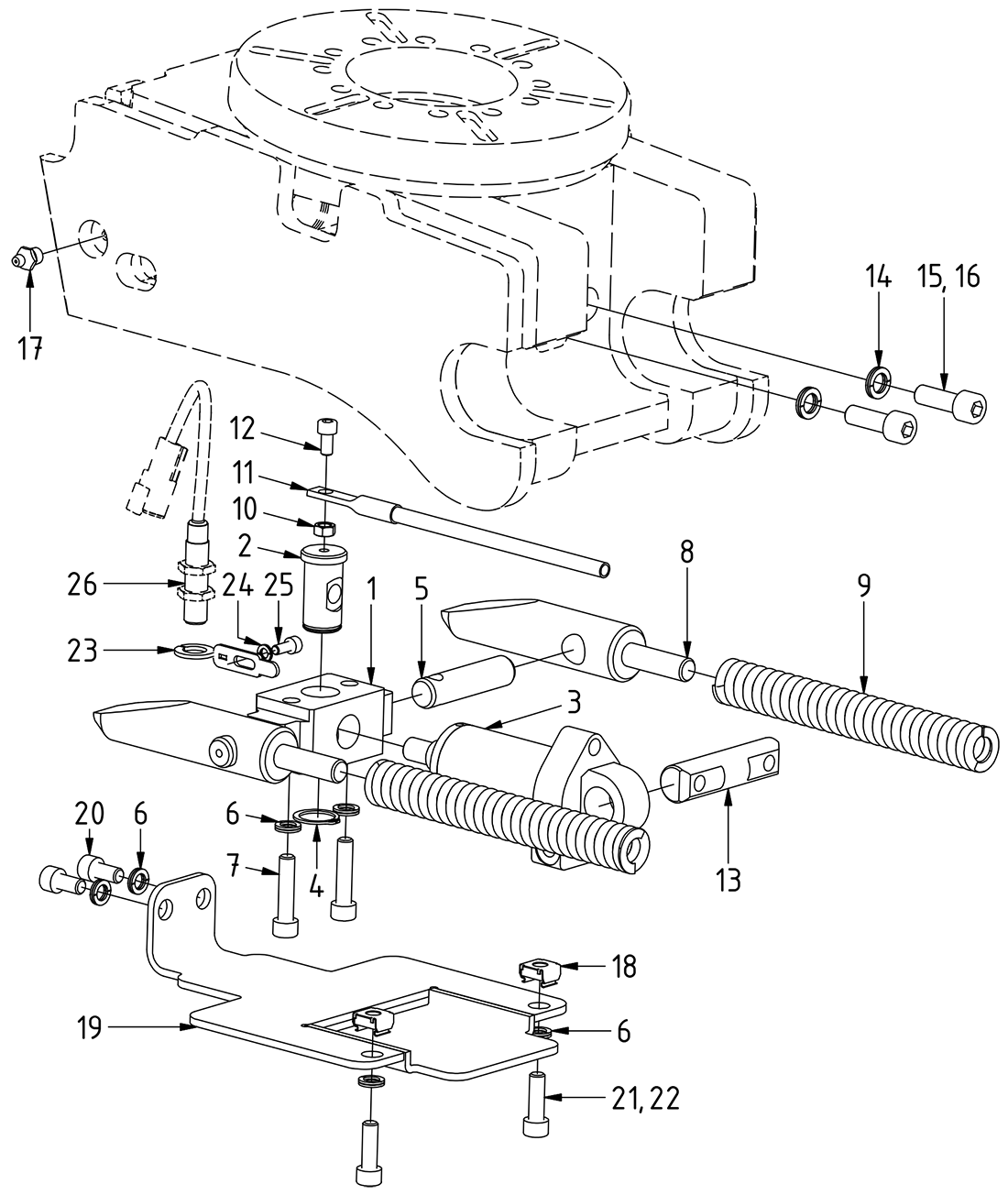
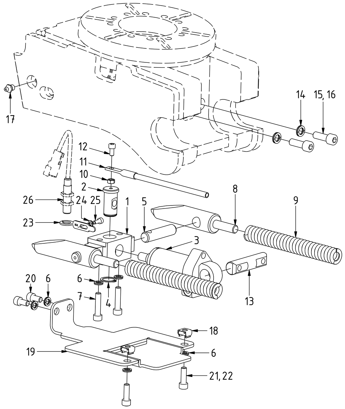
Std. Hitch components
Quick hitch
Std. Hitch components
Std. Hitch components
+
Machine hitch
−
Tiltrotators
+
Tools
+
Tilt hitches
+
Electrical kits
Std comp. S40S
Std comp. S40
Std comp. S40M
Std comp. CW05GP
Std comp. CW05EC
Std comp. HS03EC/HS03ECS
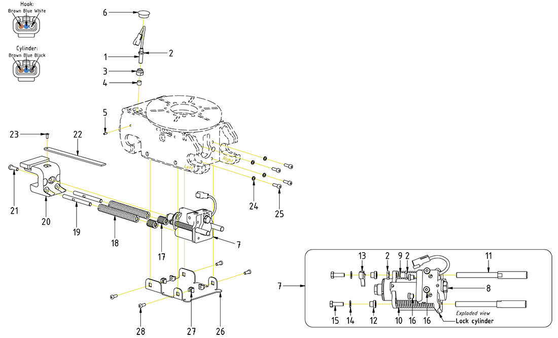
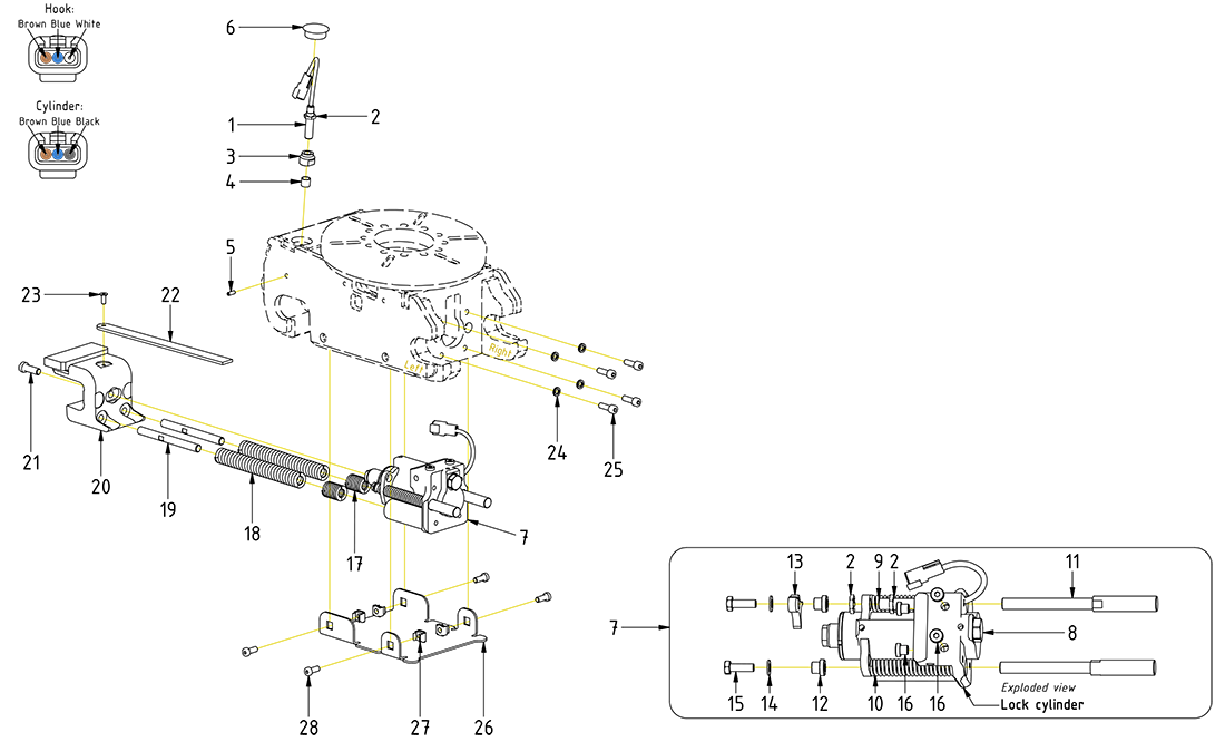
Lock cylinders