Skip to content
Home
Spare parts
Instruction manuals
Serial number search
Contact us
To engcon.com
Search
Open mini cart
Close
Your cart
Your cart is empty
Keep shopping
Products in the cart
0.00 SEK
VAT
0.00 SEK
Total
0.00 SEK
Checkout
Home
Spare parts
Instruction manuals
Serial number search
Contact us
To engcon.com
Start page
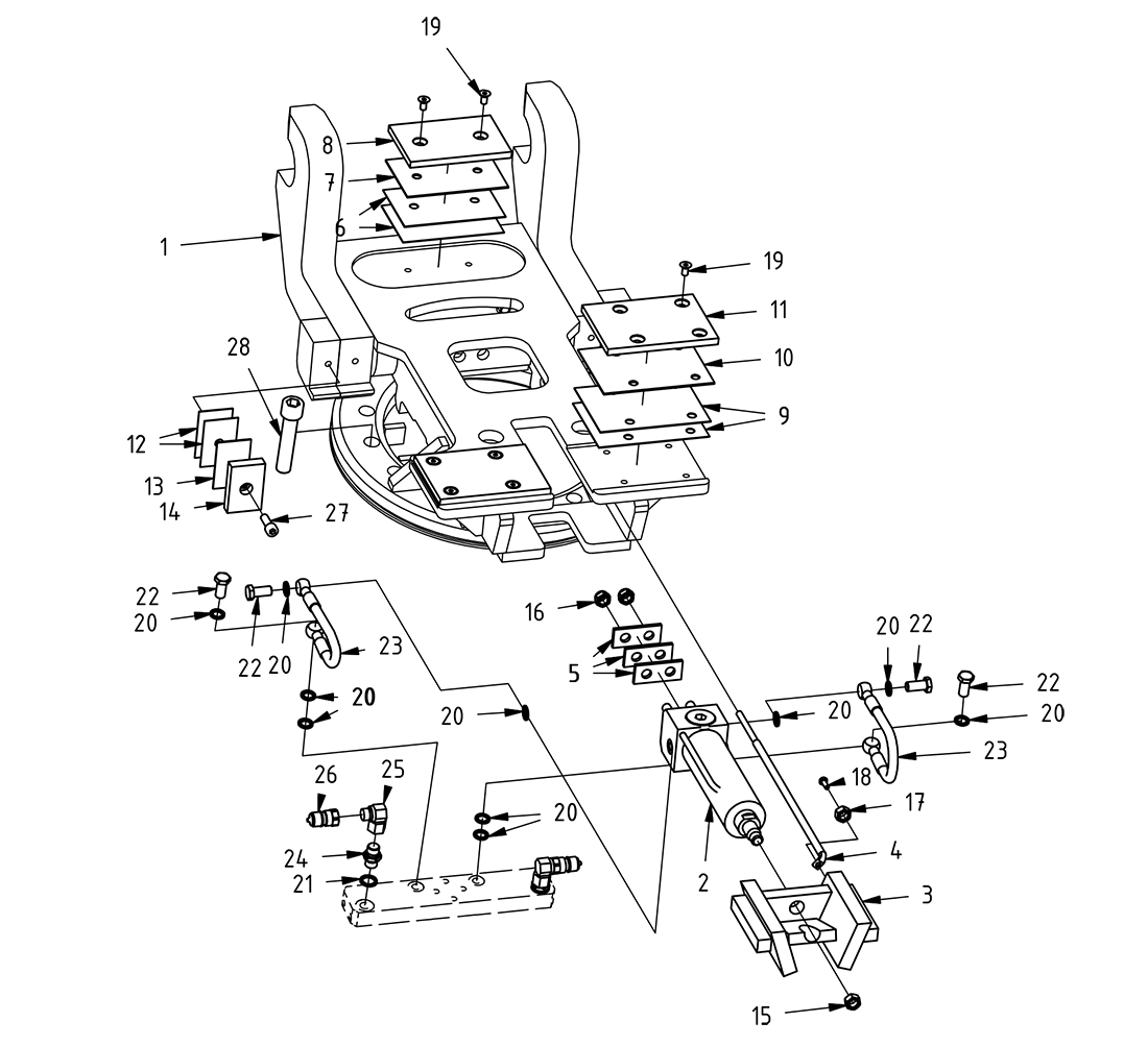
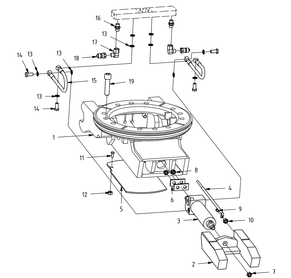
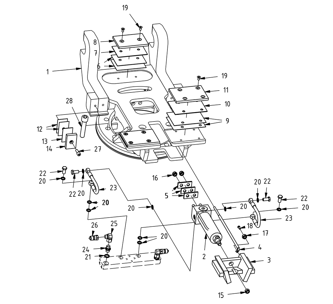
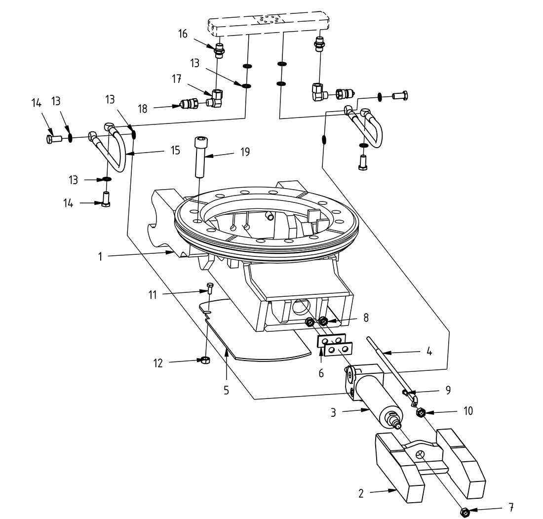
Spare parts
Tiltrotators
EC20
Previous series
Quick hitch
Previous series
Quick hitch
Quick hitch
+
Machine hitch
−
Tiltrotators
+
Tools
+
Tilt hitches
+
Electrical kits
S60
S70
CW30
CW30 Std comp.
SW33
SW48
S1
S2
B18
KM1
KM2
SMP1
SMP2
SMP2 Euro
SMP25
GJ500
Lock cylinders
Integrated grab