Skip to content
Netherlands
:
Dutch
|
English
|
French
Home
Instruction manuals
Serial number search
Contact
To engcon.com
Search
Open mini cart
Close
Your cart
Your cart is empty
Keep shopping
Products in the cart
€0,00
VAT
€0,00
Total
€0,00
Checkout
Home
Instruction manuals
Serial number search
Contact
To engcon.com
Start page
Spare parts
Tiltrotators
EC226
Quick hitch
EC226
Quick hitch
Quick hitch
+
Machine hitch
−
Tiltrotators
+
Tools
+
Tilt hitches
+
Electrical kits
Break support
QSM70
QSM CW30
QSM CW30 GR20
QS70 'ECHF'
QS70 GR20 'ECHF'
S70 'ECHF'
S70 GR20 'ECHF'
S1 'ECHF'
S1 GR20 'ECHF'
S2 'ECHF'
S2 GR20 'ECHF'
CW30(S)EC 'ECHF'
CW30(S)EC GR20 'ECHF'
ECPUP60/65 'ECHF'
S70 '6-ch'
S70 GR20 '6-ch'
S1 '6-ch'
S1 GR20 '6-ch'
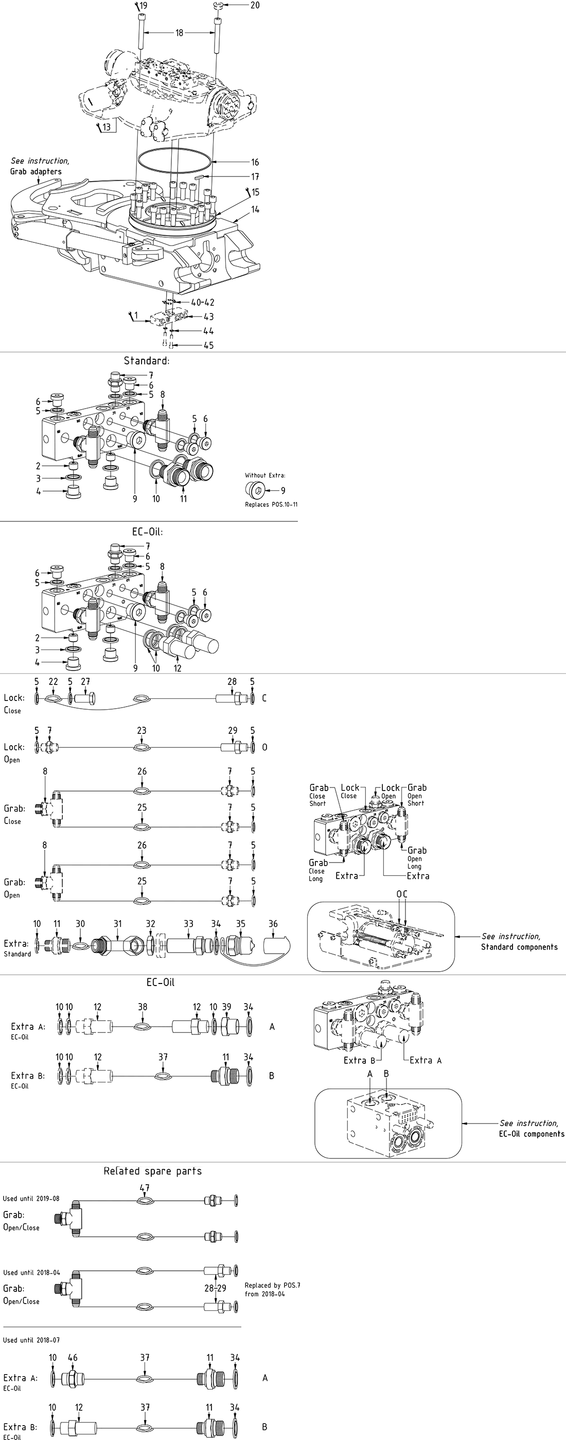
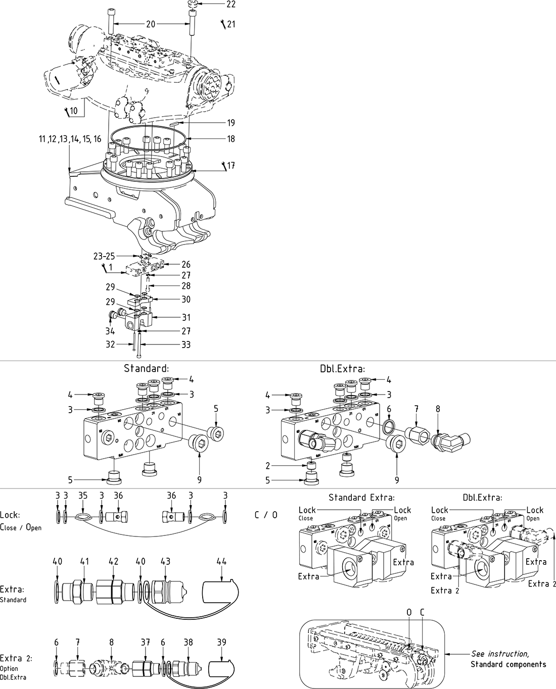
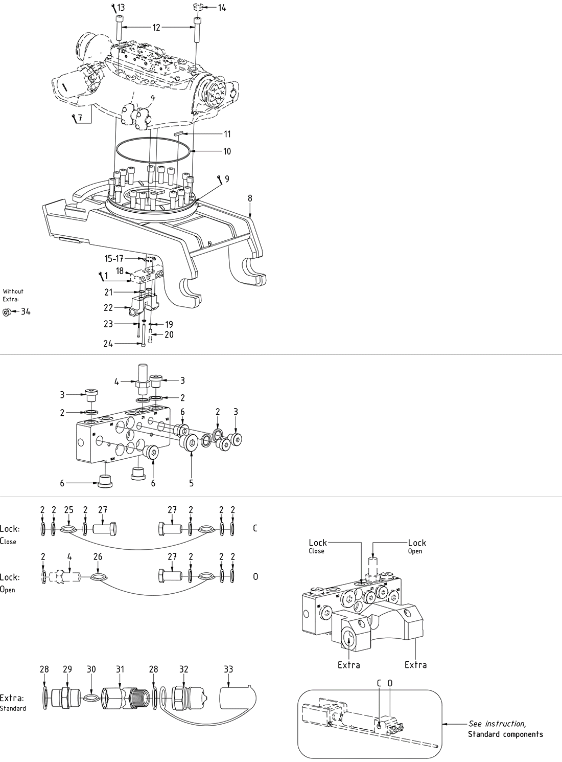
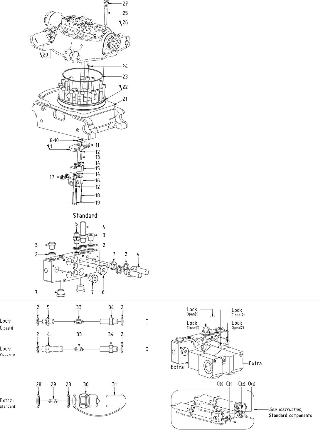
Std. Hitch components
Integrated grab
EC-Oil components
Prices excl. VAT