Do you have questions or need help? Call 01684 297168 or email uk@engcon.com.
Your cart is empty
£0.00
VAT
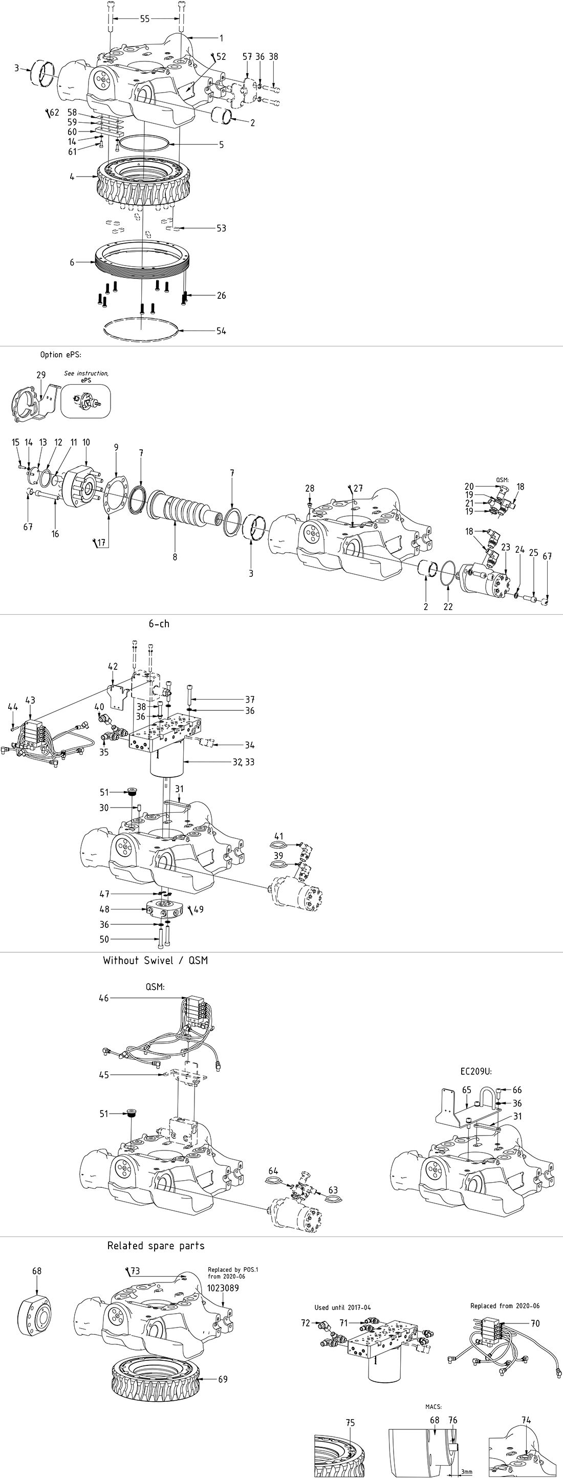
Rotator frame
Prices excl. VAT