S45/S50
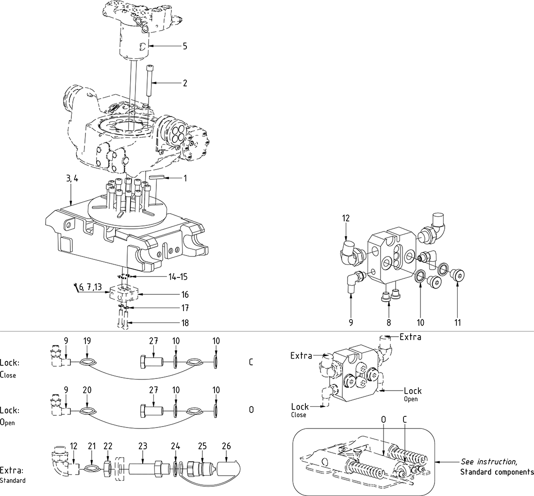
Position16
Quantity in drawing1
Log in to see price
Position4
Quantity in drawing1
Log in to see price
Position22
Quantity in drawing2
Log in to see price
Position18
Quantity in drawing2
Log in to see price
Position26
Quantity in drawing2
Log in to see price
Position10
Quantity in drawing6
Log in to see price
Position25
Quantity in drawing2
Log in to see price
Position14
Quantity in drawing2
Log in to see price
Position2
Quantity in drawing12
Log in to see price
Position1
Quantity in drawing6
Log in to see price
Position27
Quantity in drawing2
Log in to see price
Position3
Quantity in drawing1
Log in to see price
Position9
Quantity in drawing2
Log in to see price
Position5
Quantity in drawing1
Log in to see price
Position17
Quantity in drawing2
Log in to see price
Position8
Quantity in drawing2
Log in to see price
Position23
Quantity in drawing2
Log in to see price
Position11
Quantity in drawing2
Log in to see price
Position24
Quantity in drawing2
Log in to see price
Position12
Quantity in drawing2
Log in to see price
Position15
Quantity in drawing4
Log in to see price




