Skip to content

Finland: Finnish | Swedish | English

Do you have any questions or need help? Call +358 6 3222 815 or email varaosat@engcon.fi

Engcon Spare Parts

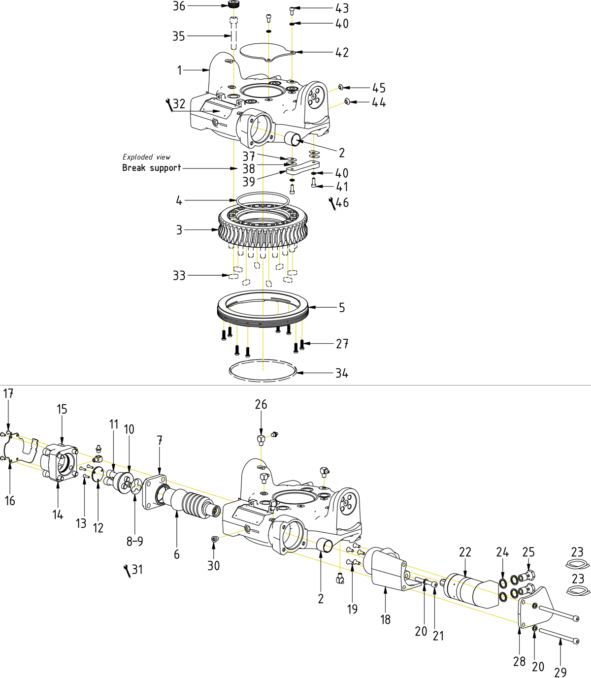
104/204BU Rotator frame

Prices excl. VAT