Finland: Finnish | Swedish | English
Do you have any questions or need help? Call +358 6 3222 815 or email varaosat@engcon.fi
Your cart is empty
€0,00
VAT
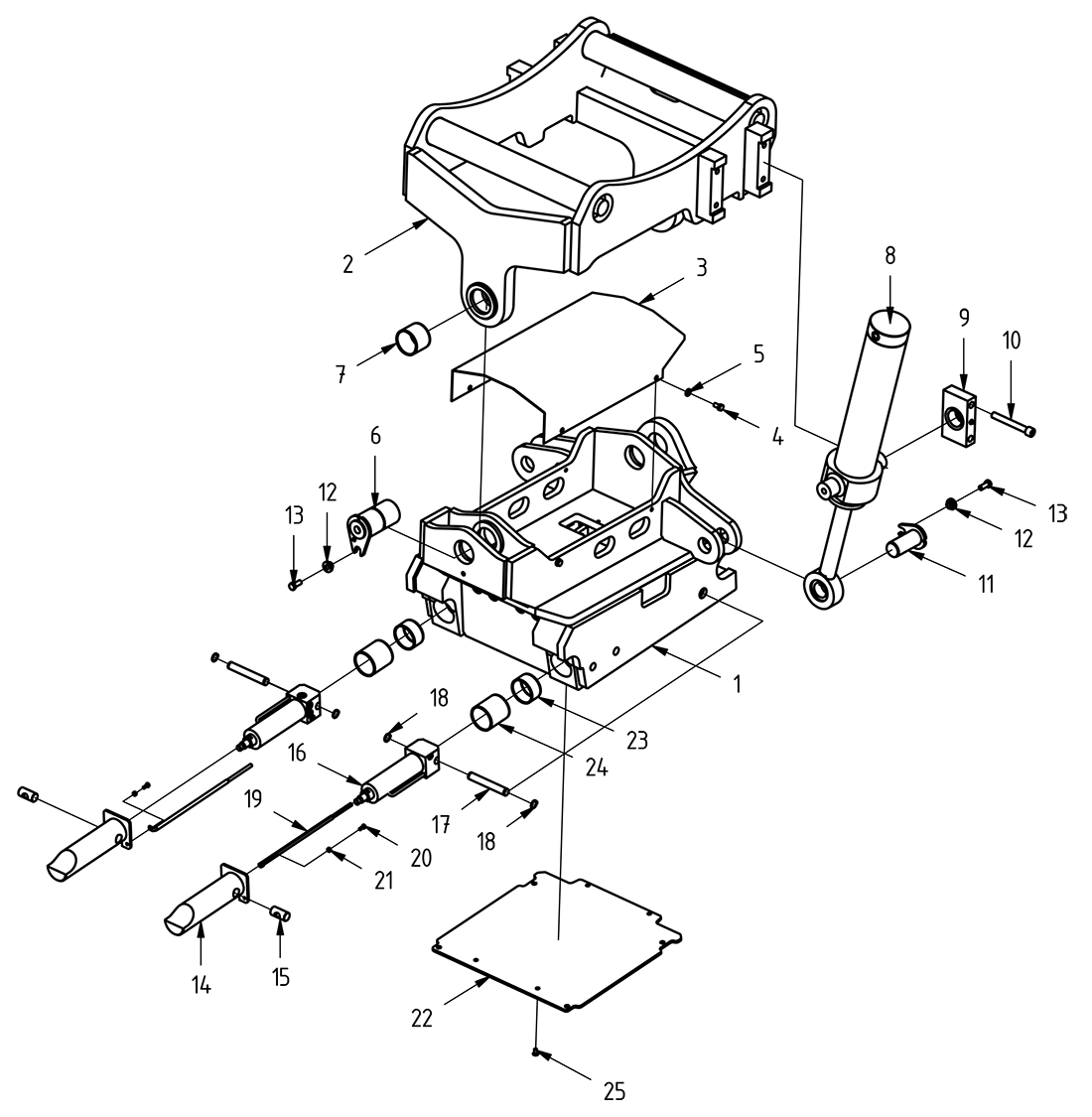
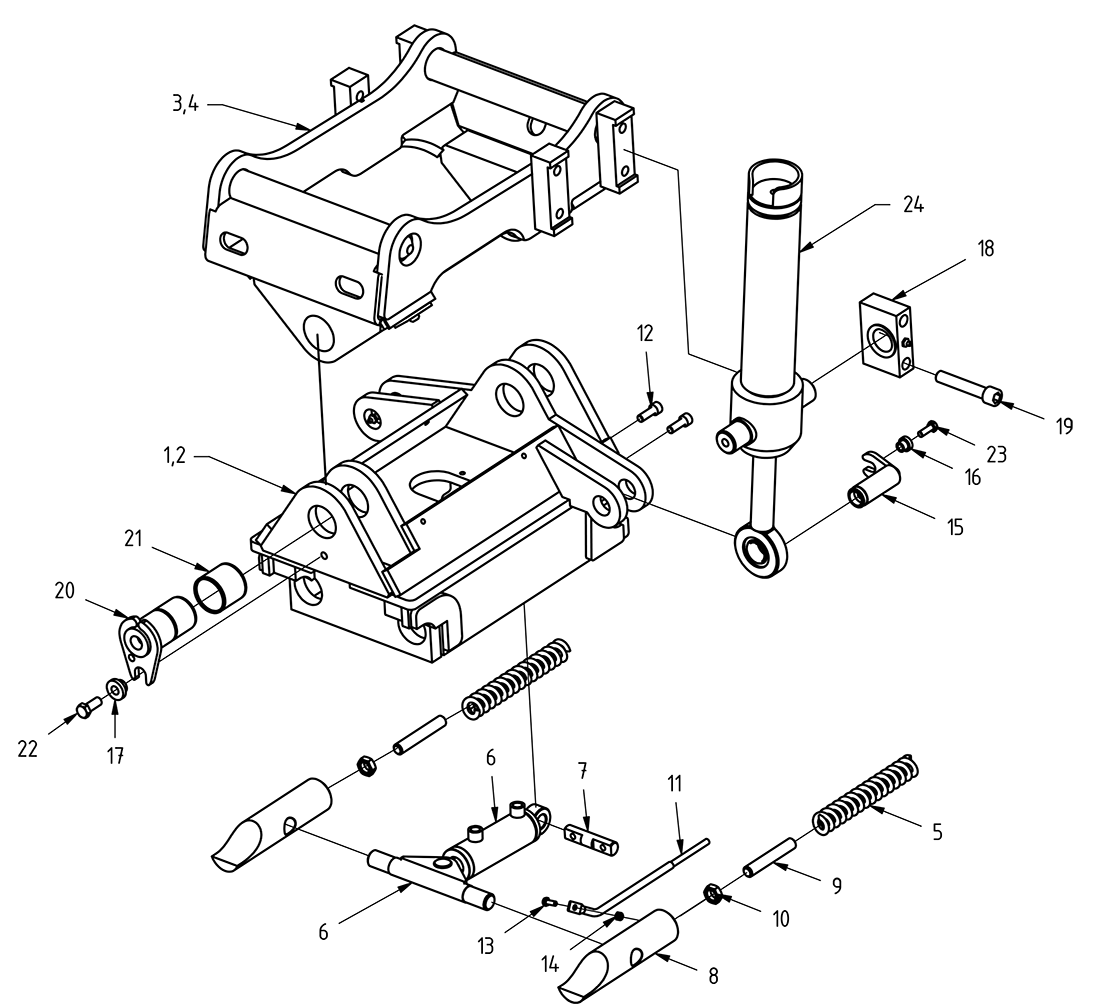
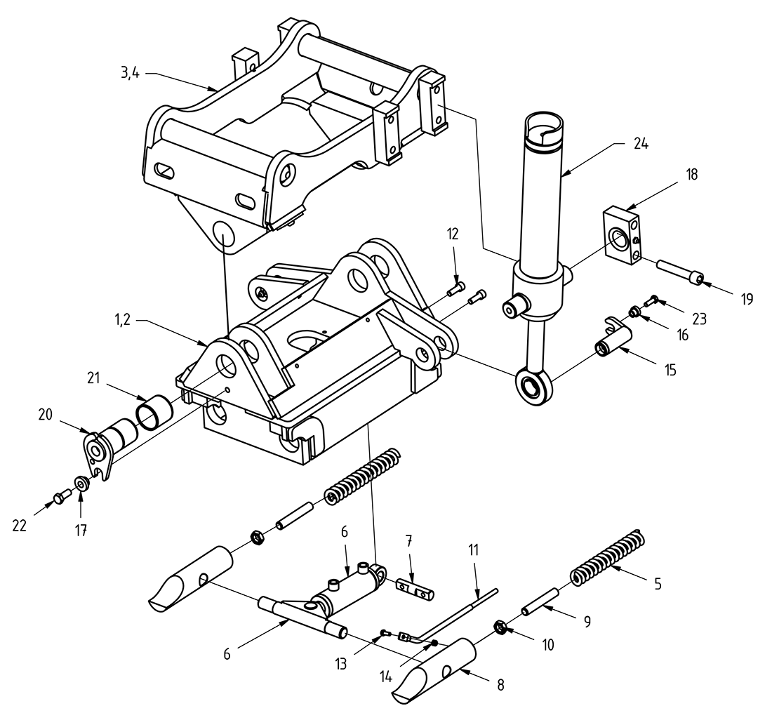
TFS40-TFS80
Prices excl. VAT