Skip to content
Denmark
:
Danish
|
English
Home
Instruction manuals
Serial number search
Contact
To engcon.com
Search
Open mini cart
Close
Your cart
Your cart is empty
Keep shopping
Products in the cart
0,00 DKK
VAT
0,00 DKK
Total
0,00 DKK
Checkout
Home
Instruction manuals
Serial number search
Contact
To engcon.com
Start page
Spare parts
Tiltrotators
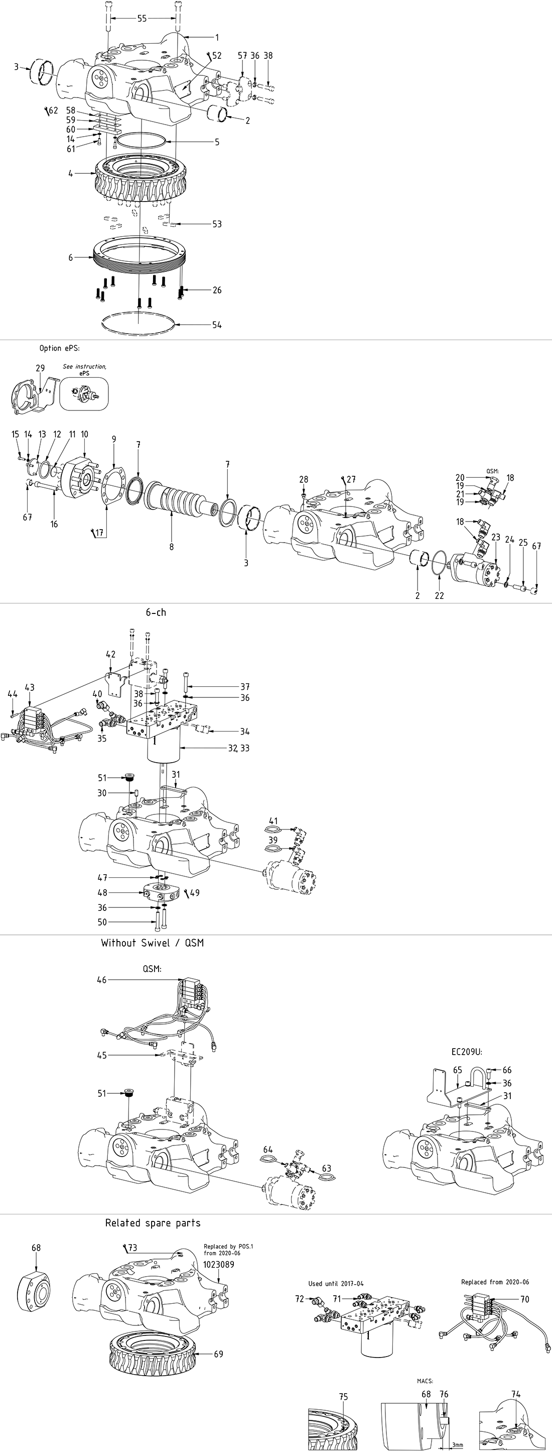
EC209
Rotator frame
EC209
Rotator frame
+
Machine hitch
−
Tiltrotators
+
Tools
+
Tilt mounting
+
Electrical kits
ePS1 Sensor
Main components
Central lube. V2 (1059026) from 2020-06
Central lube. (1021742) until 2020-06
Blocks & Swivels
Prices excl. VAT