Skip to content
Denmark
:
Danish
|
English
Start
Instruktionsbog
Serienummer søgning
Kontakt os
til engcon.dk
Søg
Åbn indkøbskurv
Luk
Din indkøbskurv
Din kurv er tom
Fortsæt med at handle
Priodukter i indkøbskurven
0,00 DKK
Moms
0,00 DKK
Total
0,00 DKK
Til kassen
Start
Instruktionsbog
Serienummer søgning
Kontakt os
til engcon.dk
Start
Spare parts
Tiltrotators
EC30
Quick hitch
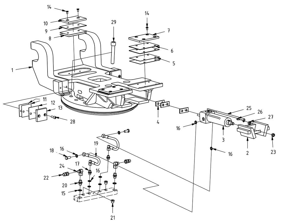
EC30
Quick hitch
Quick hitch
+
Machine hitch
−
Tiltrotators
+
Tools
+
Tilt hitches
+
Electrical kits
QS80 'ECHF'
QS80 GR30 'ECHF'
S1 'ECHF'
S1 GR20 'ECHF'
S70 EC20/EC30
S80 EC30
S1 EC30
S2 EC30
S3 EC30
SMP1 EC30
SMP105 EC30
KM1 EC30
KM2 EC30
GJ500 EC30
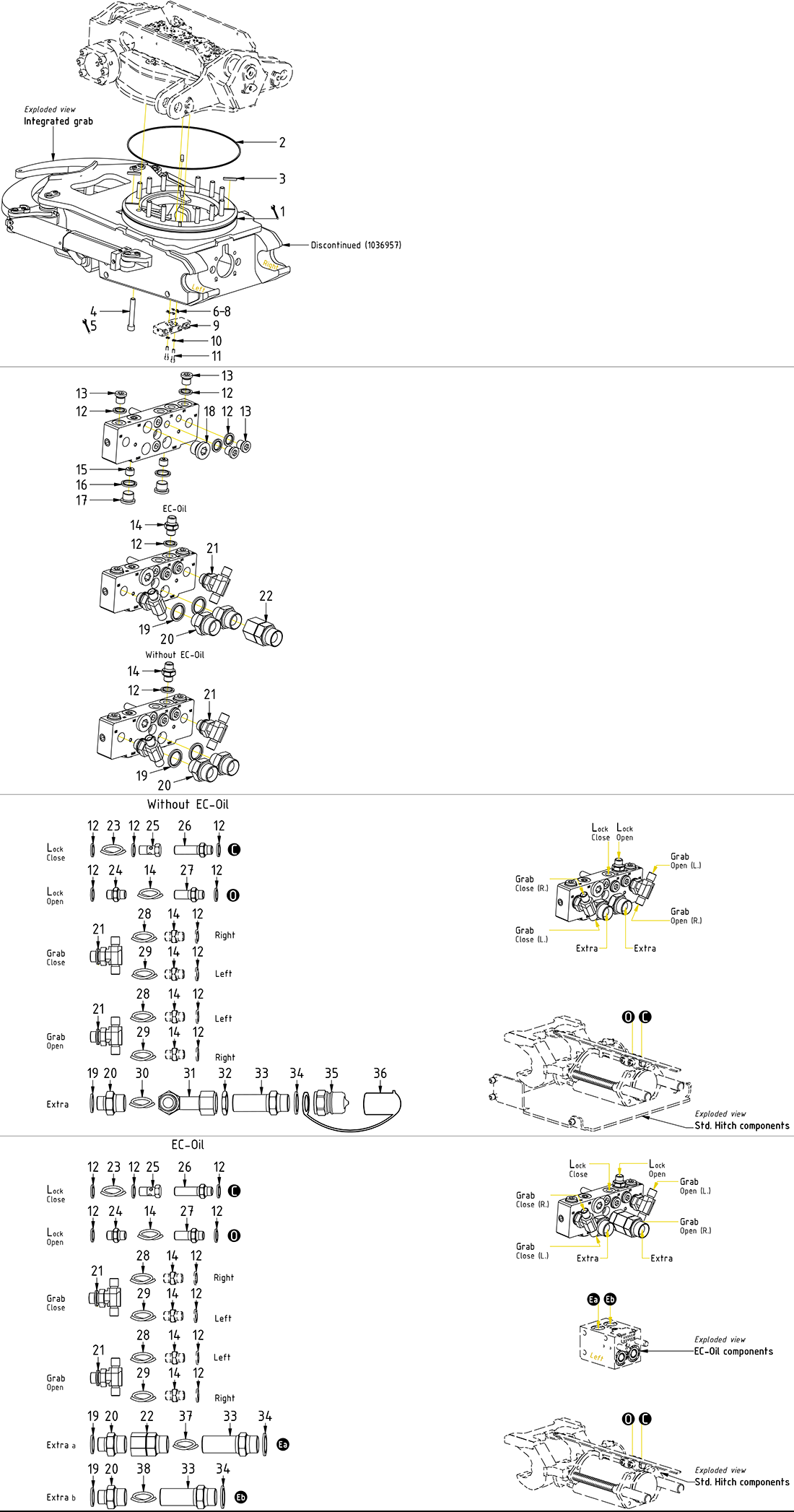
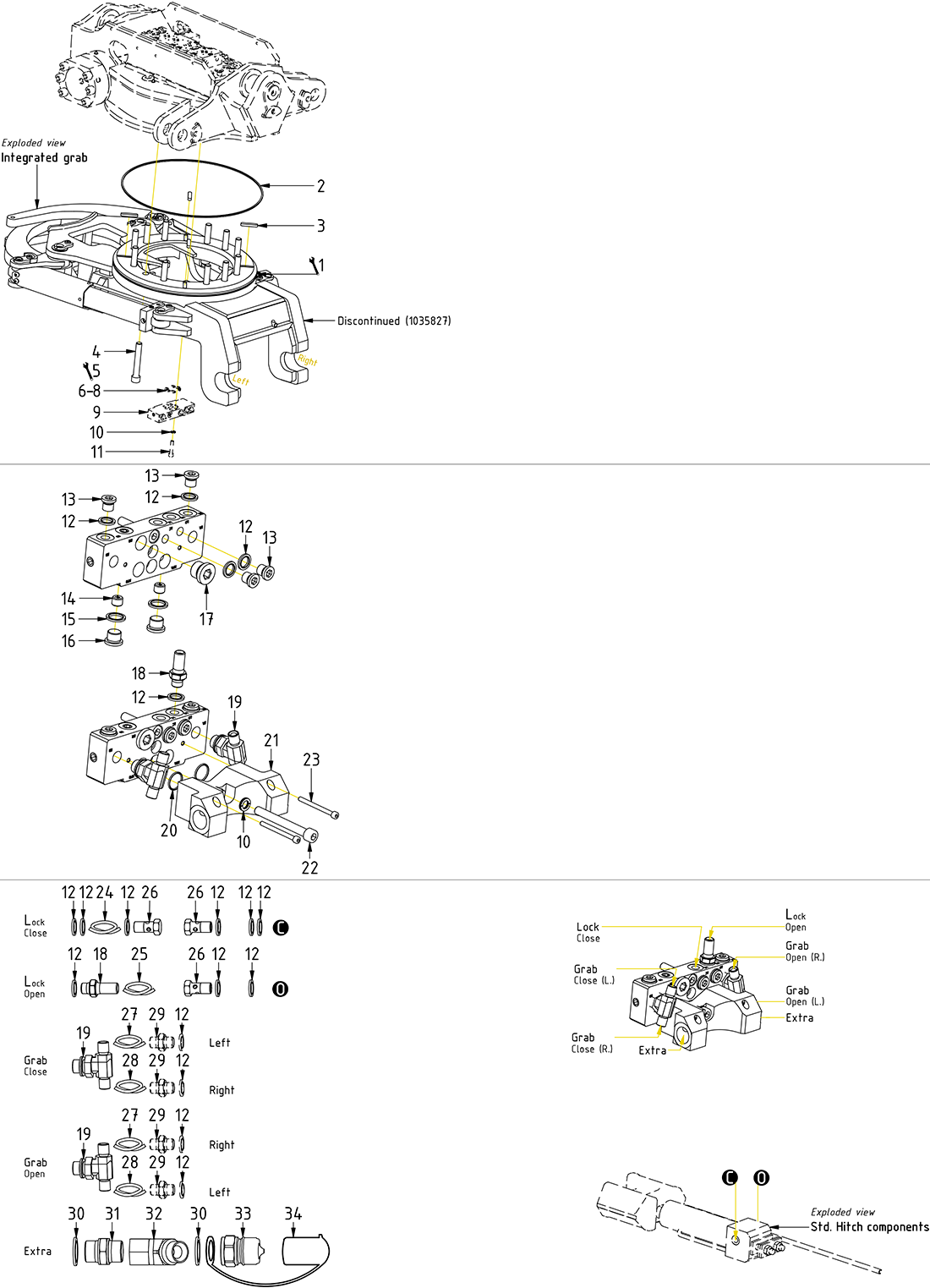
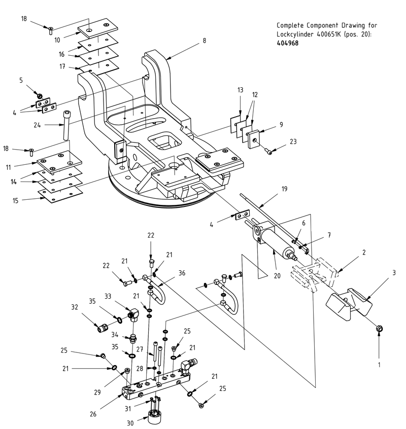
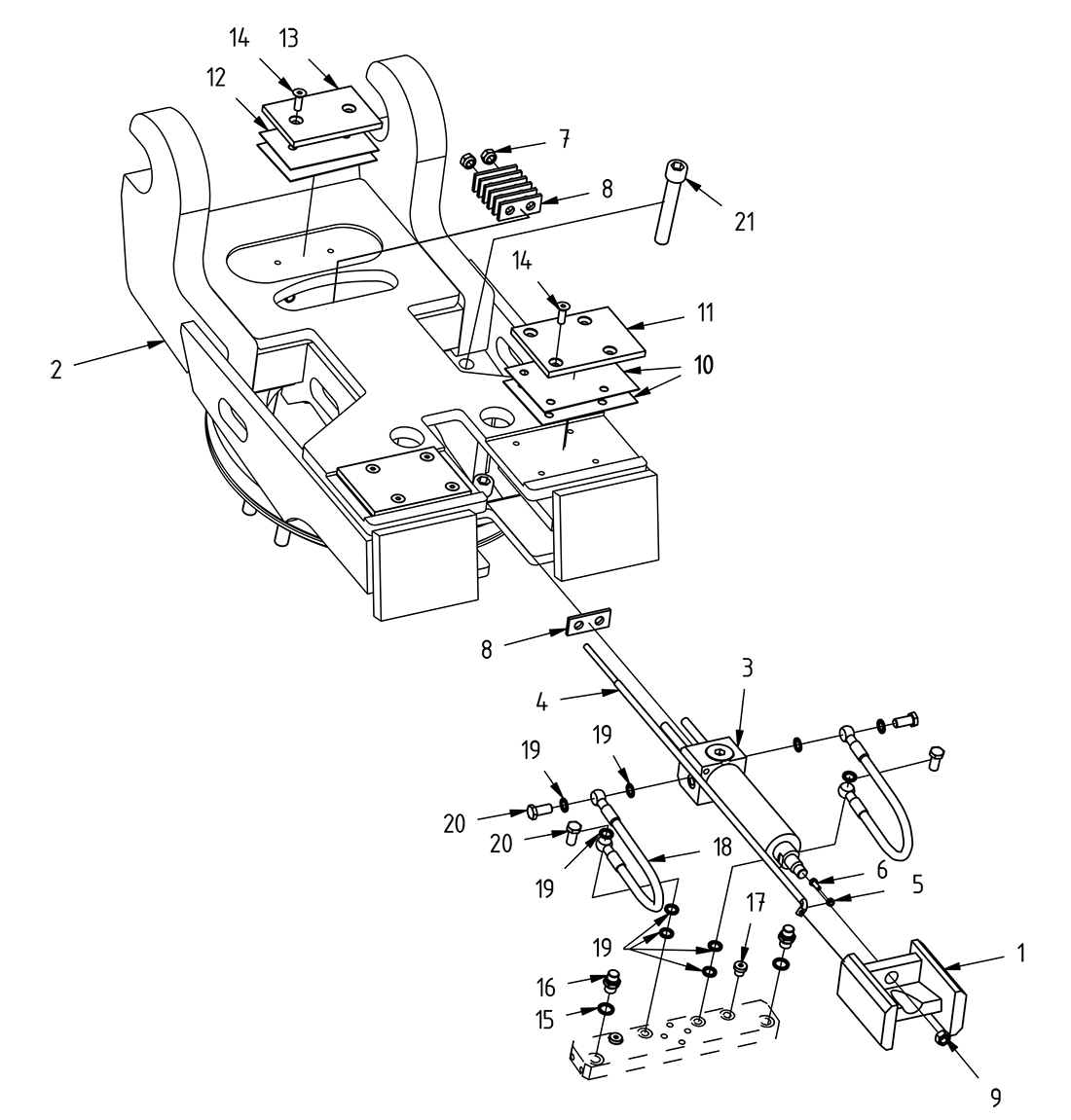
Std. Hitch components
Integrated grab
Priser er ekskl. Moms