Skip to content
Denmark
:
Danish
|
English
Start
Instruktionsbog
Serienummer søgning
Kontakt os
til engcon.dk
Søg
Åbn indkøbskurv
Luk
Din indkøbskurv
Din kurv er tom
Fortsæt med at handle
Priodukter i indkøbskurven
0,00 DKK
Moms
0,00 DKK
Total
0,00 DKK
Til kassen
Start
Instruktionsbog
Serienummer søgning
Kontakt os
til engcon.dk
Start
Spare parts
Tiltrotators
EC233
Control system
EC233
Control system
Control system
+
Machine hitch
−
Tiltrotators
+
Tools
+
Tilt hitches
+
Electrical kits
DC3 'QSM'
ss10 (DC2/SVAB) 'QSM'
ss9IQ 'QSM'
ss10 (DC2/SVAB) 'ECHF'
ss9IQ 'ECHF'
ss9SQ 'ECHF'
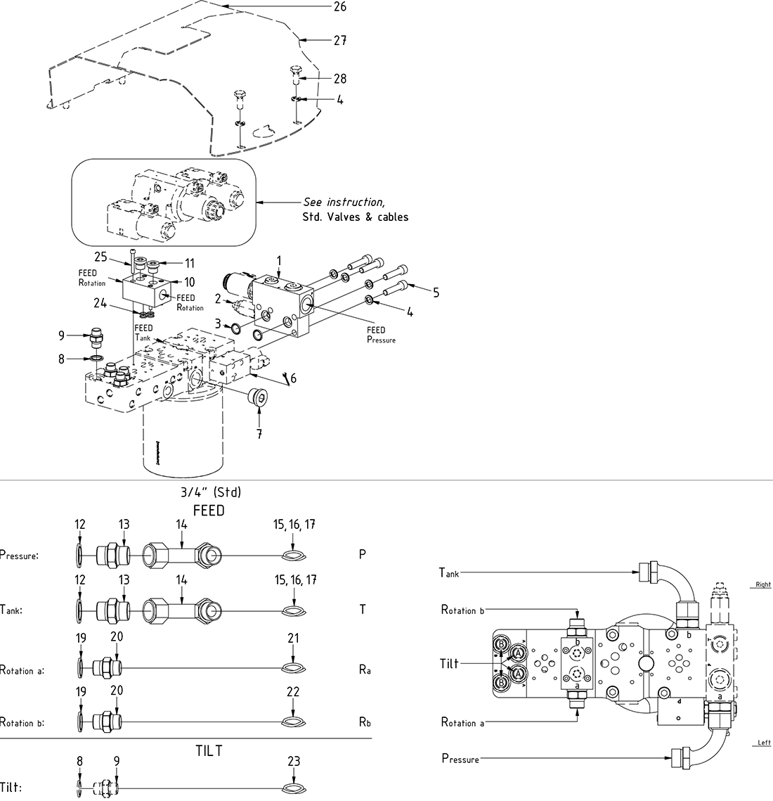
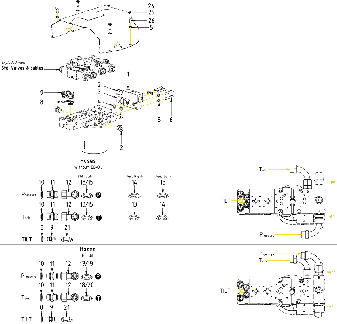
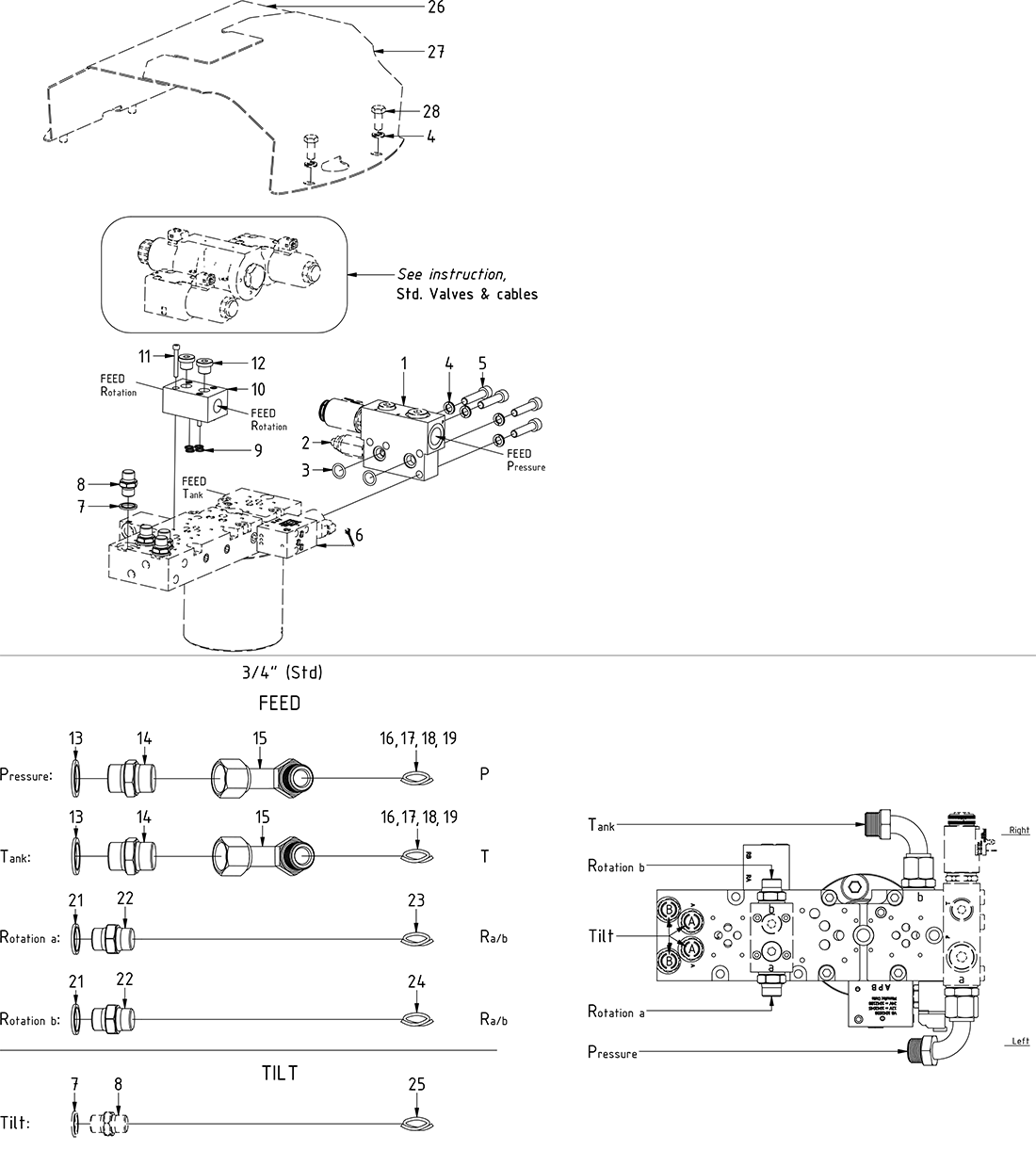
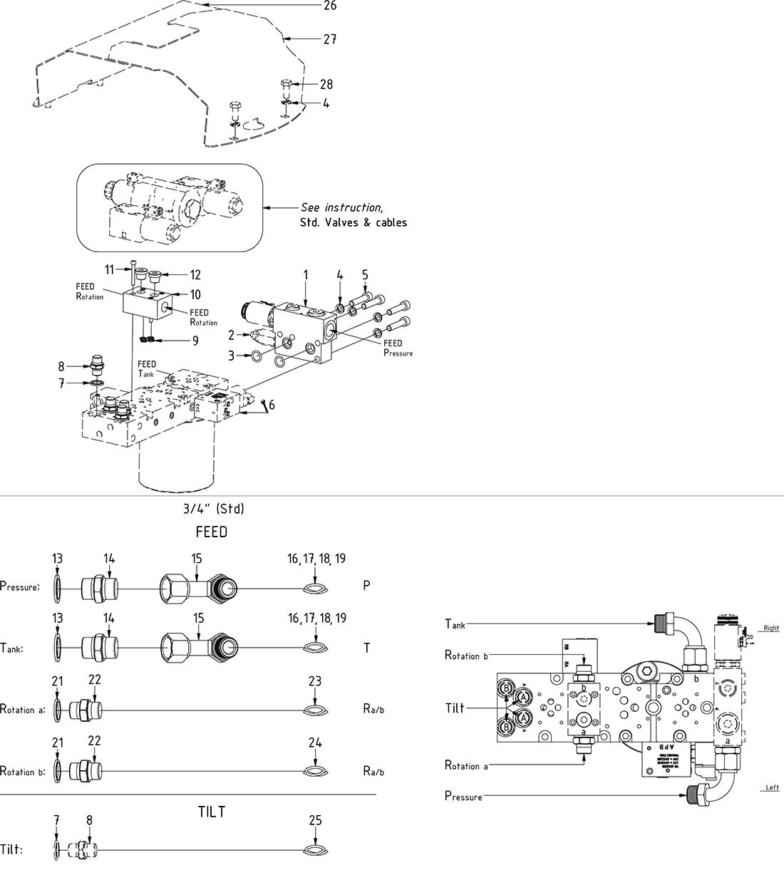
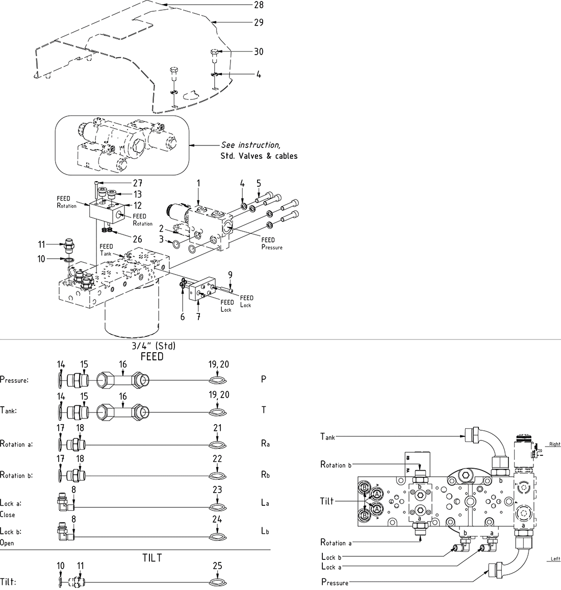
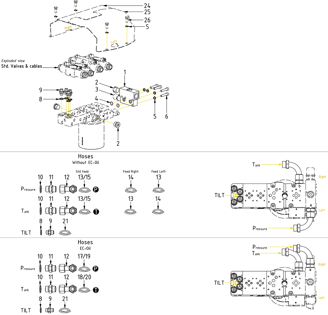
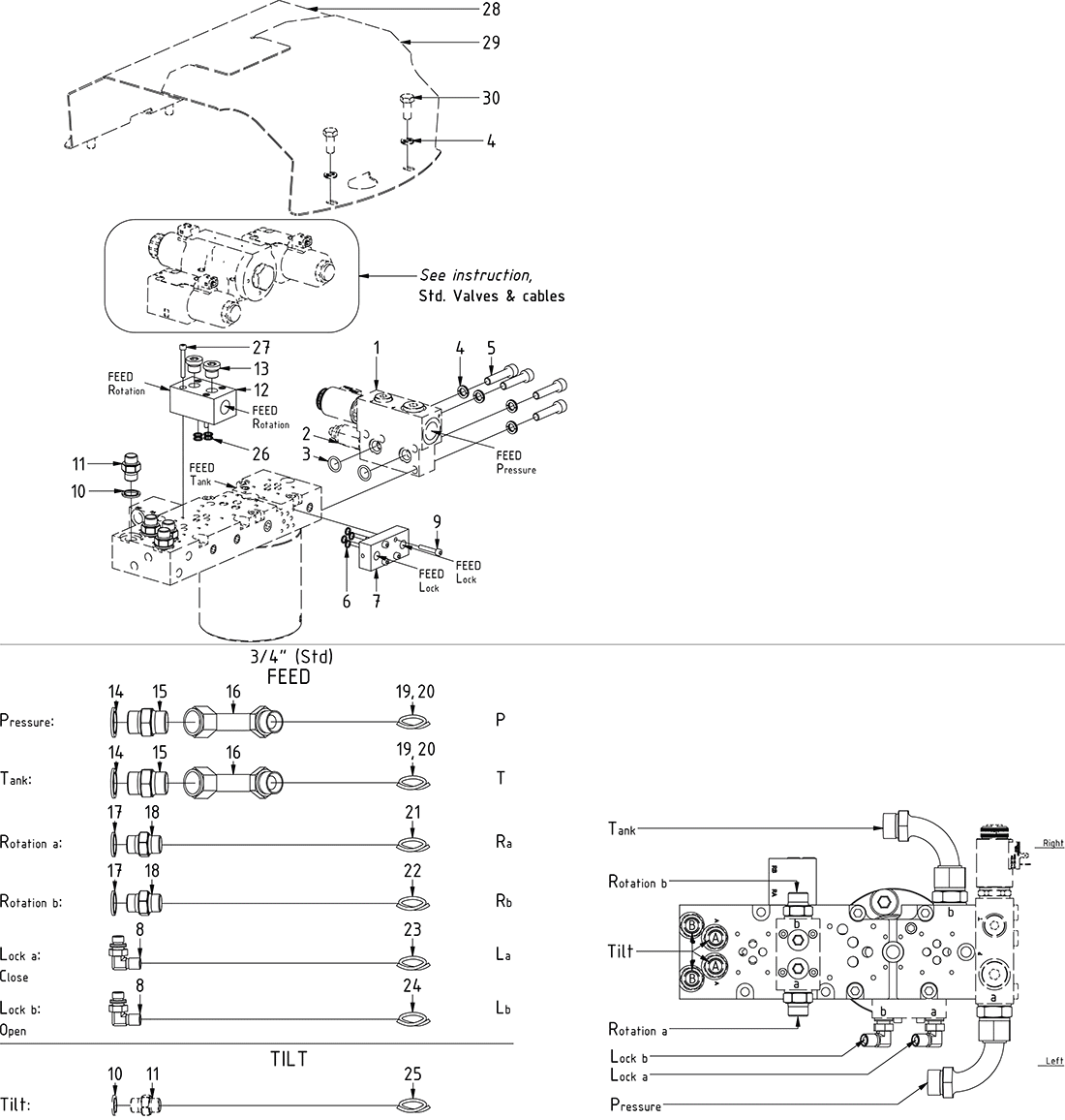
Std. Valves & cables
Priser er ekskl. Moms