Skip to content
Denmark
:
Danish
|
English
Start
Instruktionsbog
Serienummer søgning
Kontakt os
til engcon.dk
Søg
Åbn indkøbskurv
Luk
Din indkøbskurv
Din kurv er tom
Fortsæt med at handle
Priodukter i indkøbskurven
0,00 DKK
Moms
0,00 DKK
Total
0,00 DKK
Til kassen
Start
Instruktionsbog
Serienummer søgning
Kontakt os
til engcon.dk
Start
Spare parts
Tiltrotators
EC219
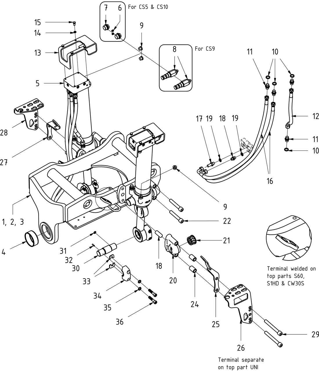
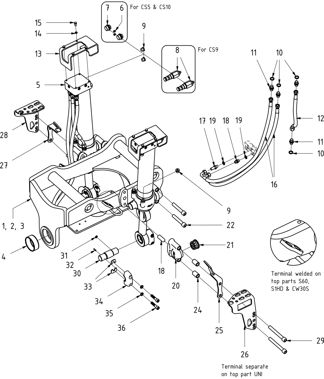
Top part
EC219
Top part
Top part
+
Machine hitch
−
Tiltrotators
+
Tools
+
Tilt hitches
+
Electrical kits
ePS2 Sensors
Std. Top components 'QSM'
QS60 'QSM'
UNI 'QSM'
Menzi muck 'QSM'
Std. Top components 'ECHF'
QS60 'ECHF'
UNI 'ECHF'
S1 'ECHF'
SW33 'ECHF'
Hydrema 'ECHF'
T620V 'ECHF'
Menzi muck 'ECHF'
QS60, S60, S1HD '6-ch'
Service package
Tilt cylinders
EC-Oil components
Priser er ekskl. Moms