Skip to content
Denmark
:
Danish
|
English
Start
Instruktionsbog
Serienummer søgning
Kontakt os
til engcon.dk
Søg
Åbn indkøbskurv
Luk
Din indkøbskurv
Din kurv er tom
Fortsæt med at handle
Priodukter i indkøbskurven
0,00 DKK
Moms
0,00 DKK
Total
0,00 DKK
Til kassen
Start
Instruktionsbog
Serienummer søgning
Kontakt os
til engcon.dk
Start
Spare parts
Tiltrotators
EC209
Previous series
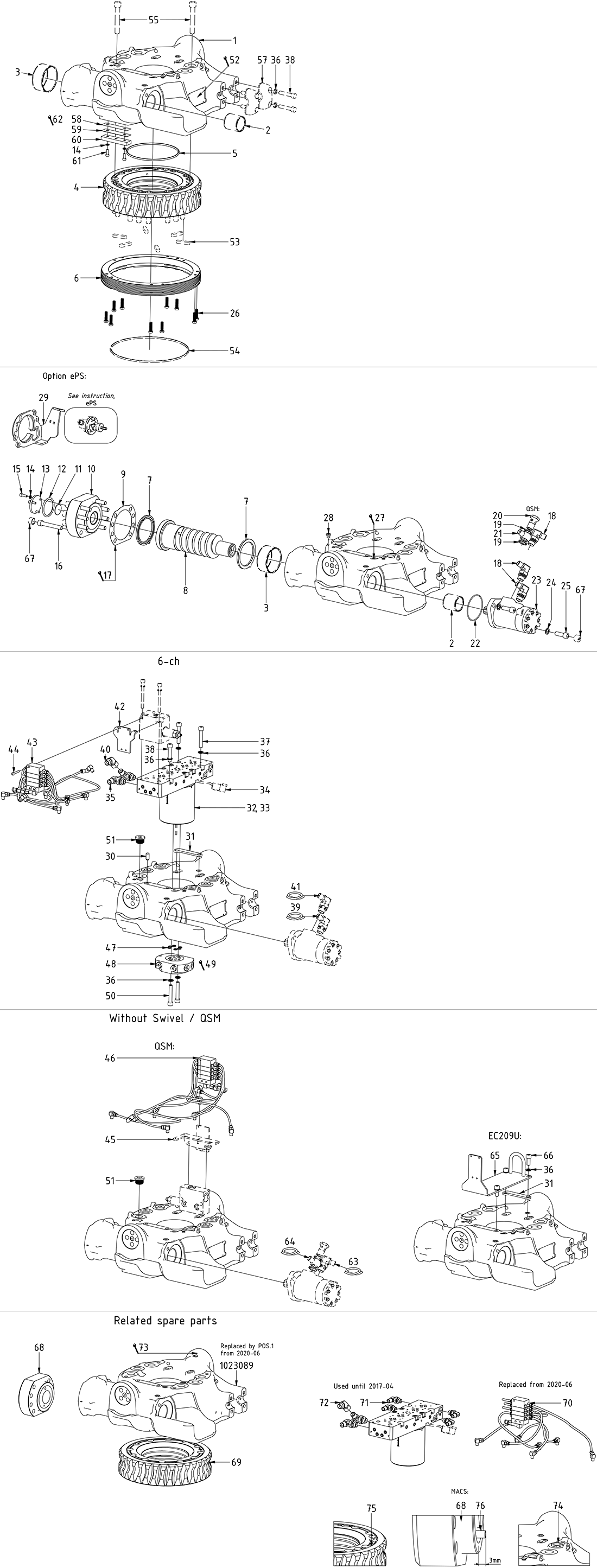
Rotator frame
Previous series
Rotator frame
Rotator frame
+
Machine hitch
−
Tiltrotators
+
Tools
+
Tilt hitches
+
Electrical kits
ePS1 Sensor
Main components
Central lube. V2 (1059026) from 2020-06
Central lube. (1021742) until 2020-06
Service package
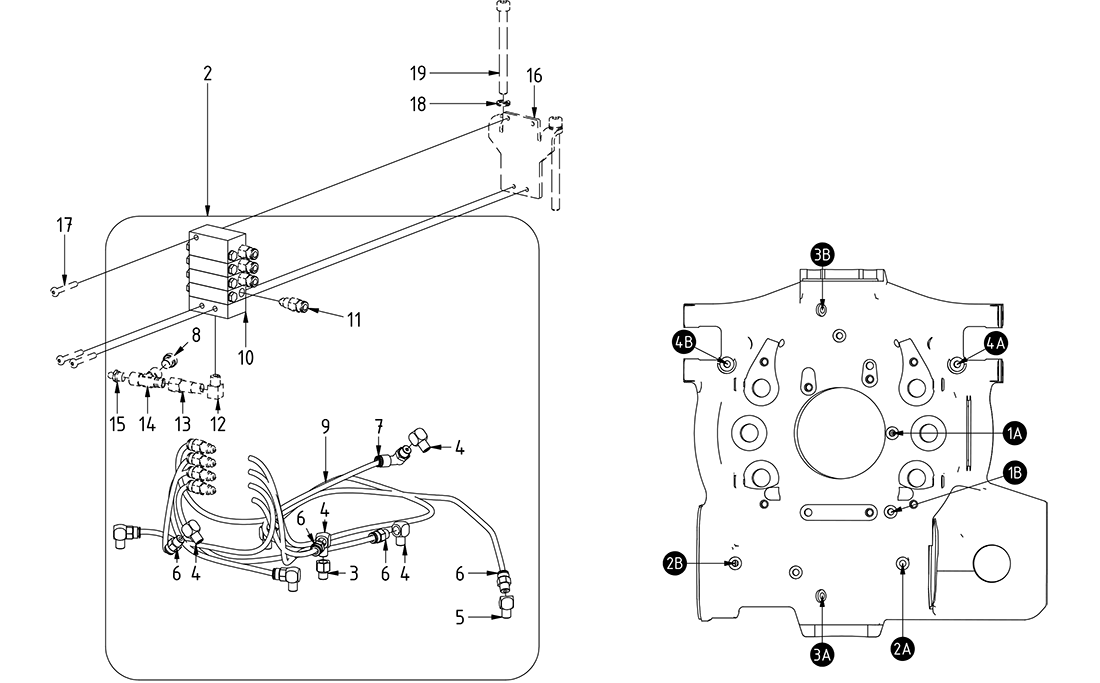
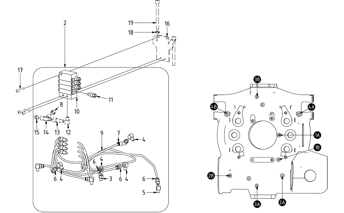
Blocks & Swivels
Priser er ekskl. Moms