Skip to content
Denmark
:
Danish
|
English
Start
Instruktionsbog
Serienummer søgning
Kontakt os
til engcon.dk
Søg
Åbn indkøbskurv
Luk
Din indkøbskurv
Din kurv er tom
Fortsæt med at handle
Priodukter i indkøbskurven
0,00 DKK
Moms
0,00 DKK
Total
0,00 DKK
Til kassen
Start
Instruktionsbog
Serienummer søgning
Kontakt os
til engcon.dk
Start
Spare parts
Tiltrotators
EC209
Previous series
Quick hitch
Previous series
Quick hitch
Quick hitch
+
Machine hitch
−
Tiltrotators
+
Tools
+
Tilt hitches
+
Electrical kits
Break support
QS45/50
QS45/50 GR10
QSD45/50
S45/50
S45/50 GR10
HS08EC
CW10EC
CW10EC GR10 V2
SW33EC V2
Hydrema
Hydrema GR10
ECPUP45/50
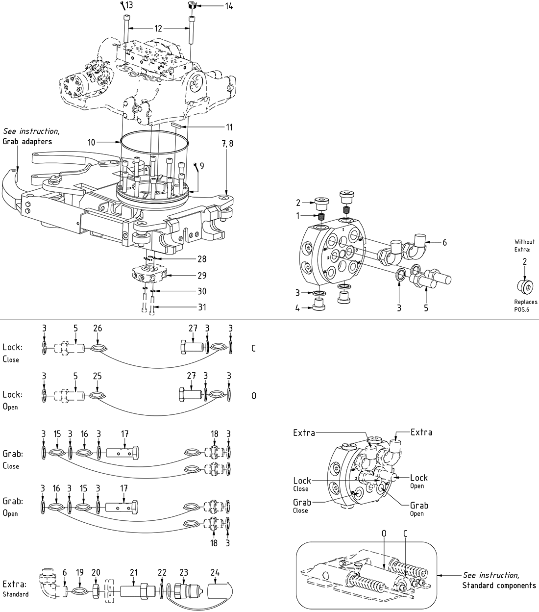
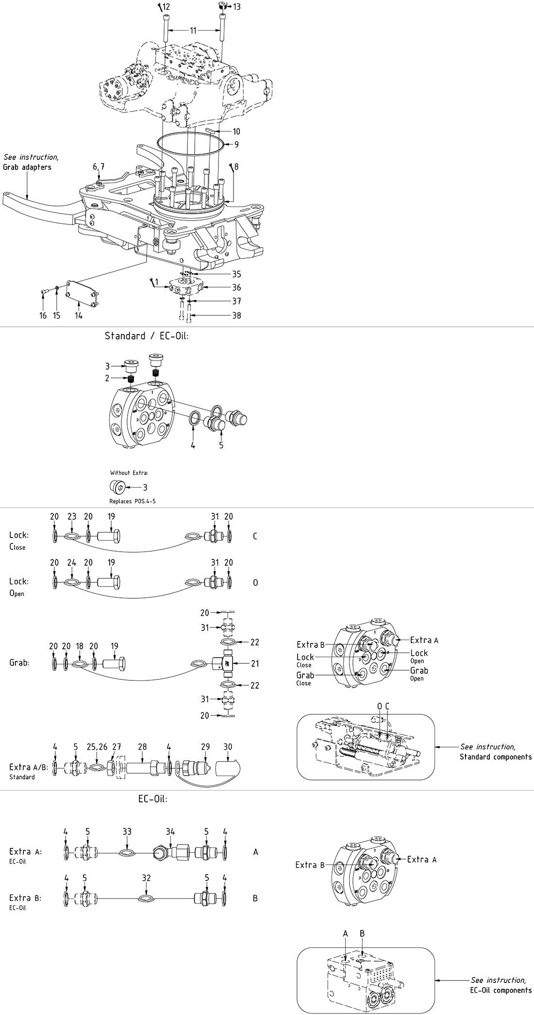
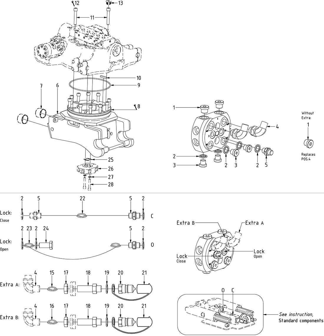
Std. Hitch components
EC-Oil components
Integrated grab
Priser er ekskl. Moms