Skip to content
Denmark
:
Danish
|
English
Start
Instruktionsbog
Serienummer søgning
Kontakt os
til engcon.dk
Søg
Åbn indkøbskurv
Luk
Din indkøbskurv
Din kurv er tom
Fortsæt med at handle
Priodukter i indkøbskurven
0,00 DKK
Moms
0,00 DKK
Total
0,00 DKK
Til kassen
Start
Instruktionsbog
Serienummer søgning
Kontakt os
til engcon.dk
Start
Spare parts
Tiltrotators
EC10
Previous series
Electric/hydraulic
Previous series
Electric/hydraulic
Electric/hydraulic
+
Machine hitch
−
Tiltrotators
+
Tools
+
Tilt hitches
+
Electrical kits
Electrical system
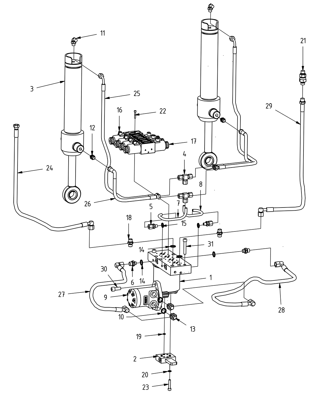
Hydraulic system
Priser er ekskl. Moms